GM Service Manual Online
For 1990-2009 cars only
Makes
🢒
Isuzu
🢒
2002
🢒
Isuzu T-Series (Truck Line C)
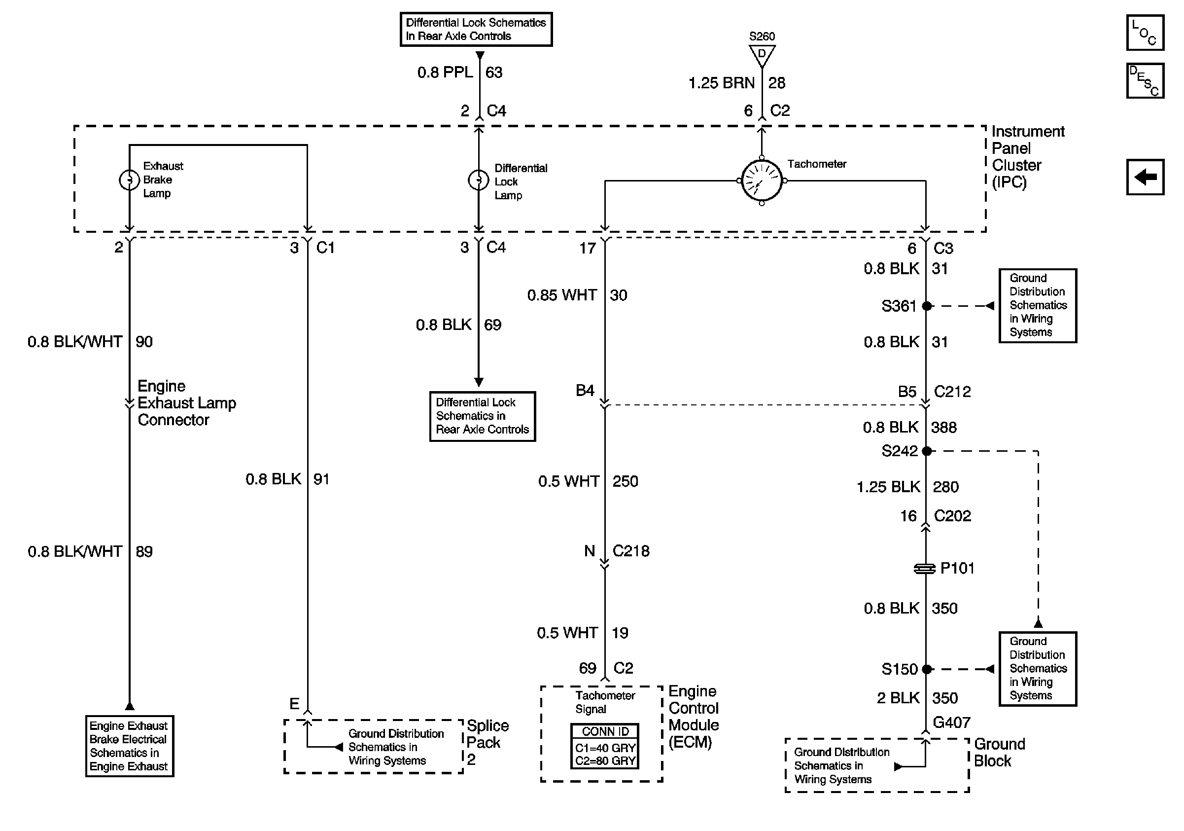
🢒 Exhaust Brake,Air Suspension Dump Lamps and Tachometer (LG4)
Exhaust Brake,Air Suspension Dump Lamps and Tachometer (LG4)
Exhaust Brake, Air Susp Dump Lamps and Tachometer (LG4)
Master Electrical Component List
Instrument Cluster Description and Operation
Aux Brake, Apply Park Brake, RH Turn, LH Turn, Service Parke Brake Lamps and Hourmeter
Differential Lock Switch and Valve
Differential Lock Switch and Valve
Fuse Voltage Supply
G 407, Splice Pack 3, S120, S121, S122, S150, S242, S361
IPC, EBCM, ENG Exhaust Brake Switch, ECM
Splice Pack 2
G 407, Splice Pack 3, S120, S121, S122, S150, S242, S361
G 407, Splice Pack 3, S120, S121, S122, S150, S242, S361