GM Service Manual Online
For 1990-2009 cars only
Makes
🢒
Isuzu
🢒
2002
🢒
Isuzu T-Series (Truck Line C)
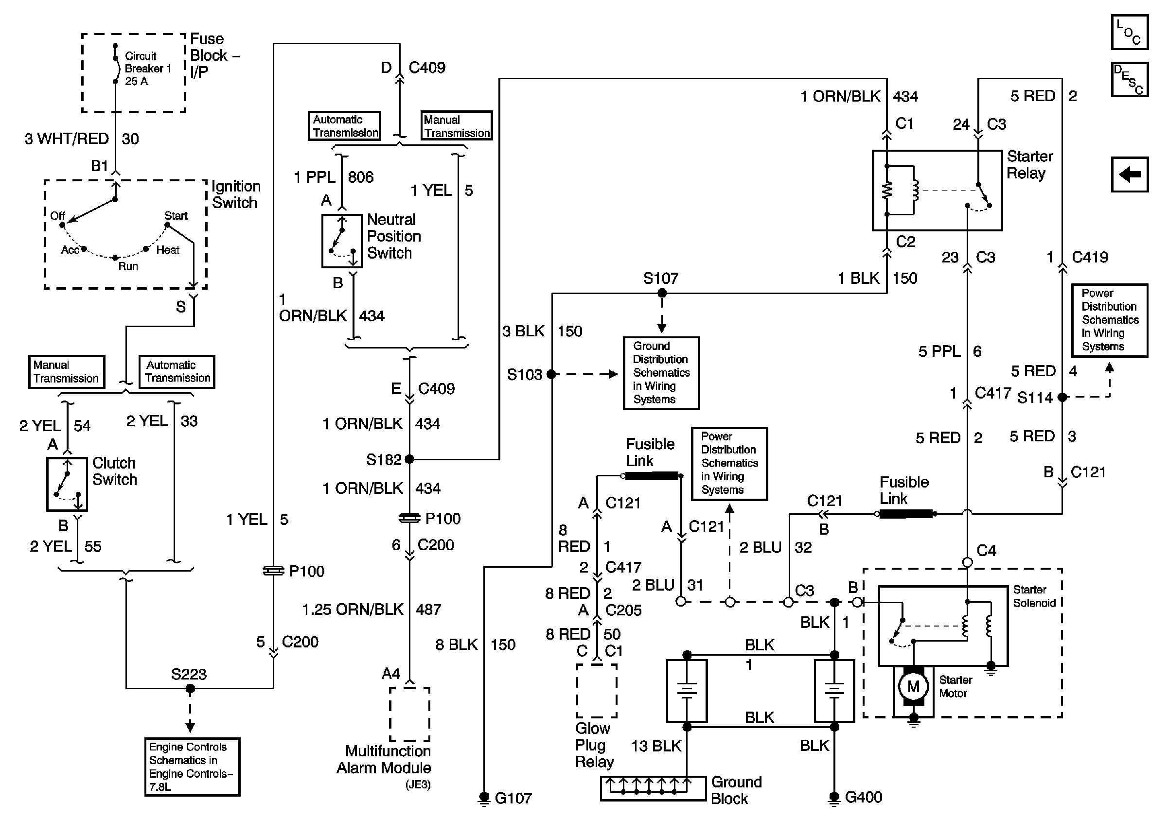
🢒 Starting Circuit
Starting Circuit
Starting Circuit
Master Electrical Component List
Starting System Description and Operation
Charging Circuit
Engine Data Sensors - Fast Idle Switch
G107, S101, S103, S105
Fuse Block 1, EXT LIGHTING, GENERATOR/CHASSIS, WIPER/HVAC Fuses
Fuse Block 1, EXT LIGHTING, GENERATOR/CHASSIS, WIPER/HVAC Fuses