GM Service Manual Online
For 1990-2009 cars only
Makes
🢒
Isuzu
🢒
2001
🢒
Isuzu - N Series
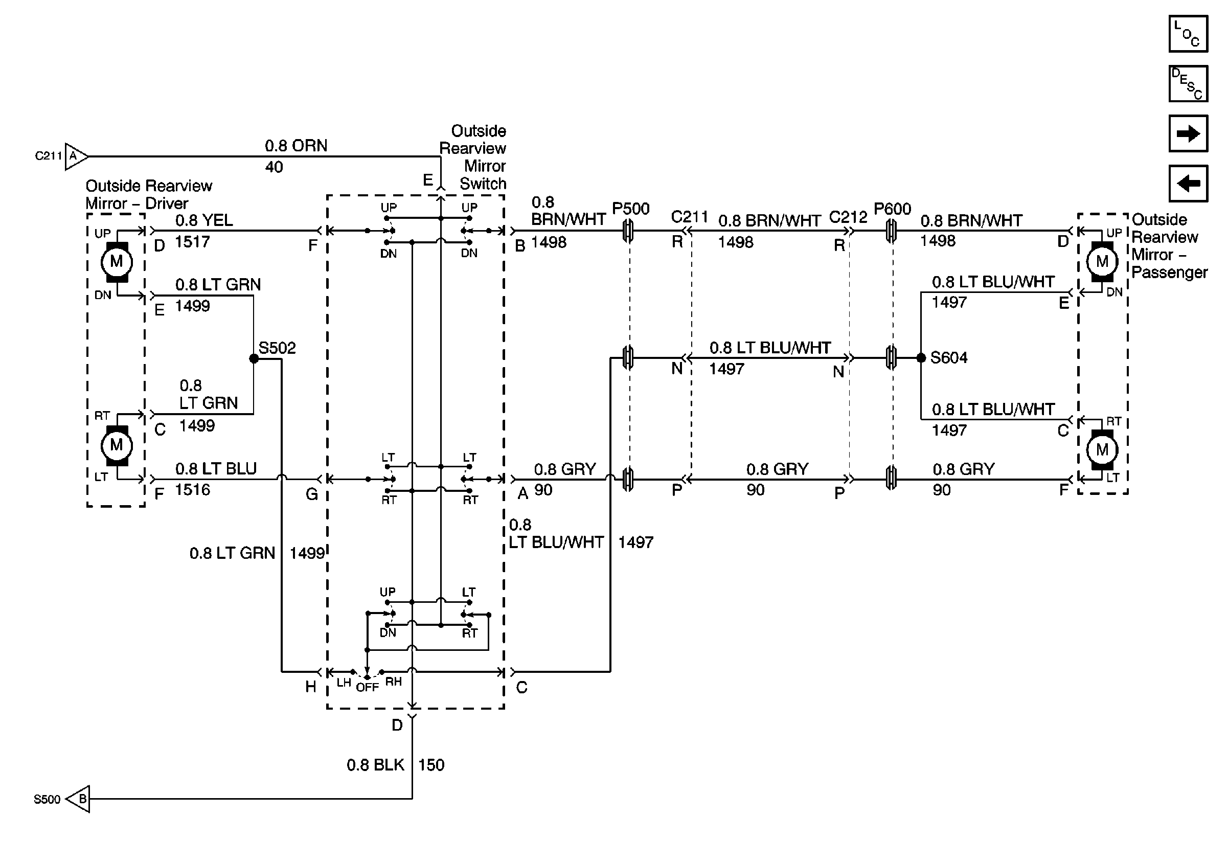
🢒 Power Mirror Switch and Motors
Power Mirror Switch and Motors
Power Mirror Switch and Motors
Master Electrical Component List
Outside Mirror Description and Operation
Heated Outside Mirrors
CTSY Fuse, G200, G201
CTSY Fuse, G200, G201
CTSY Fuse, G200, G201