GM Service Manual Online
For 1990-2009 cars only
Makes
🢒
Isuzu
🢒
2001
🢒
Isuzu - N Series
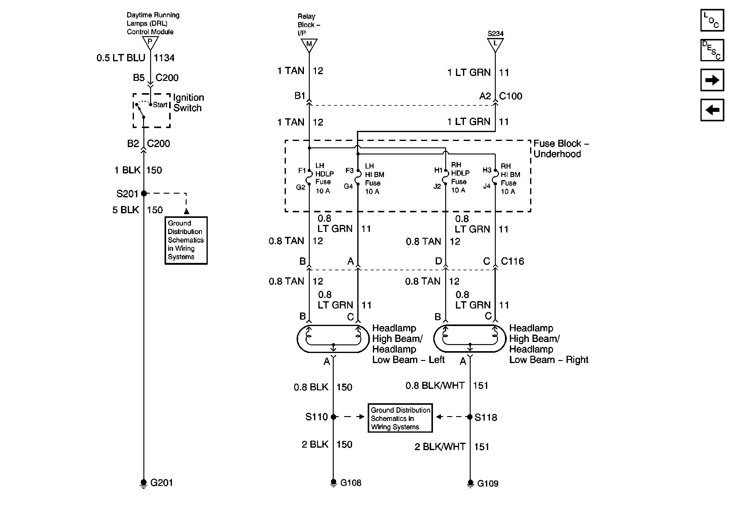
🢒 Headlamps, Ignition Switch
Headlamps, Ignition Switch
Headlamps, Ignition Switch
Master Electrical Component List
Exterior Lighting Systems Description and Operation
Rear Lamps
DRL Rear Parklamp Relay
Headlamp Switch, DRL Control Module
Headlamp Switch, DRL Control Module
Headlamp Switch, DRL Control Module
G201
G108 and G109 (Export)