GM Service Manual Online
For 1990-2009 cars only
Makes
🢒
Isuzu
🢒
2001
🢒
Isuzu - N Series
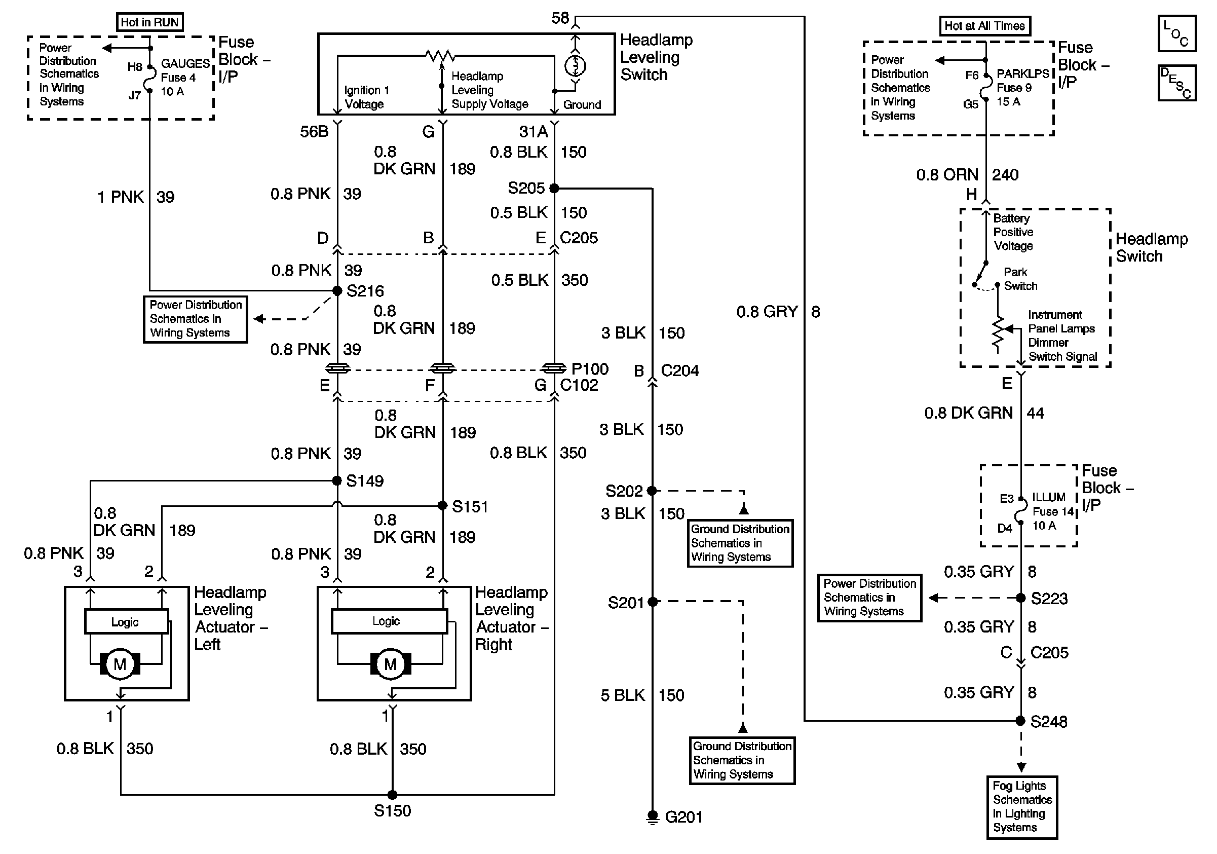
🢒 Headlamp Leveling Switch, Healamp Leveling Actuators, Headlamp Swtich
Headlamp Leveling Switch, Healamp Leveling Actuators, Headlamp Swtich
Master Electrical Component List
Exterior Lighting Systems Description and Operation
Ignition A, Ignition B Fuses, and Ignition Switch
Gauges Fuse
Illumination Fuse and Headlamp Switch
Components through S202 and S205 to G201
G201
Rear Fog Lamps (Export)
Lighting and Battery Fuses