GM Service Manual Online
For 1990-2009 cars only
Makes
🢒
Isuzu
🢒
2007
🢒
Isuzu - N Series
🢒 Gages
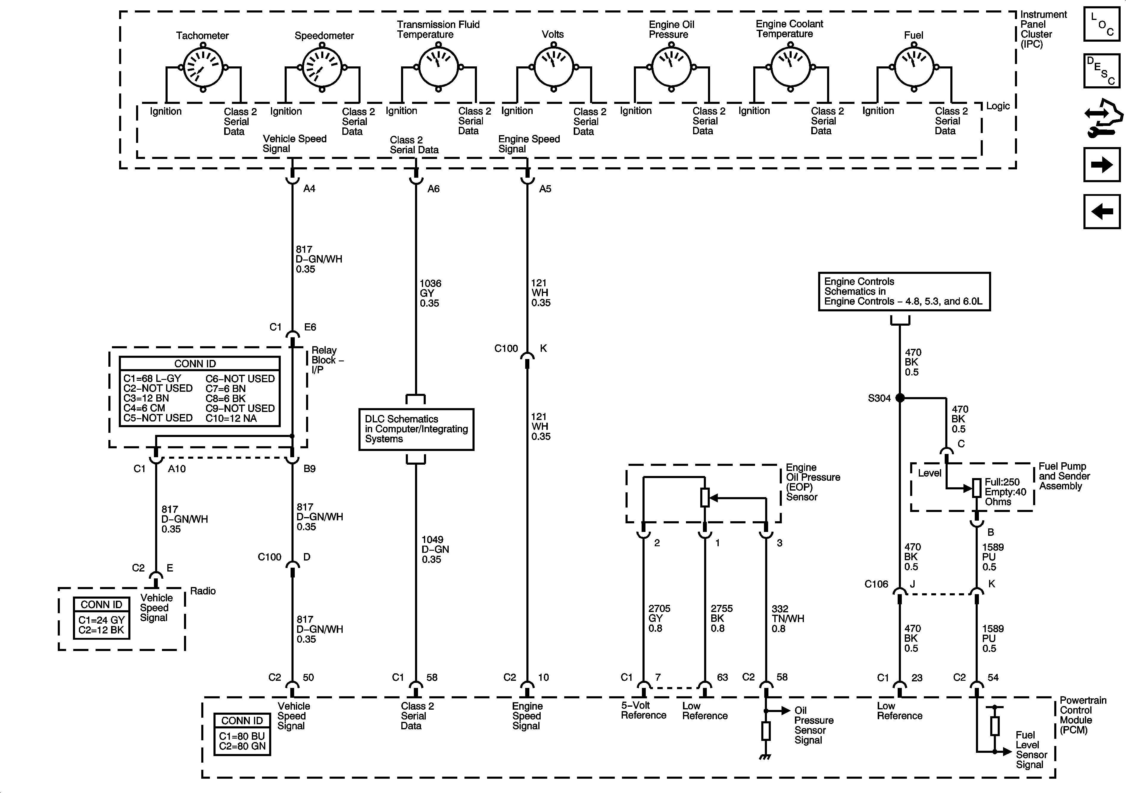
Gages
Gages
Master Electrical Component List
Instrument Cluster Description and Operation
Control Module References
Indicators
Power, Ground, Serial Data, and Driver Information
Fuel Controls - EVAP Controls
Power, Ground, Data Link Connector, and SP205