GM Service Manual Online
For 1990-2009 cars only
Makes
🢒
Isuzu
🢒
2007
🢒
Isuzu - N Series
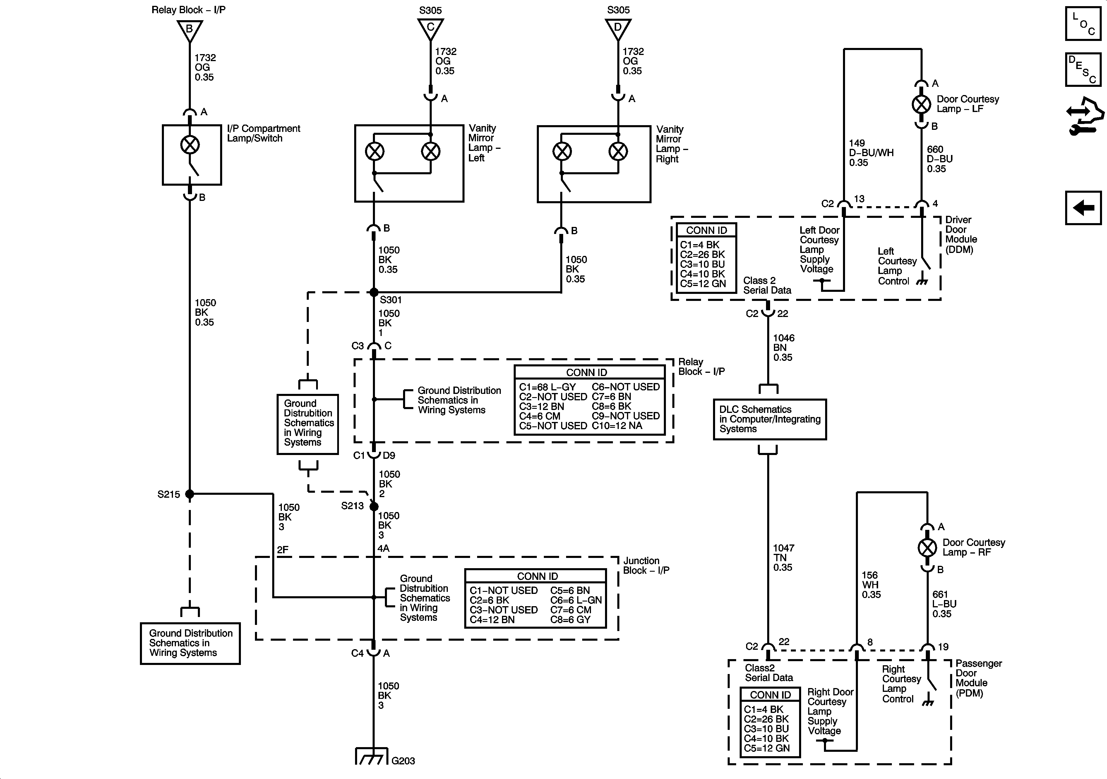
🢒 Courtesy Lamps- Front Doors, Vanity Mirrors, and I/P Compartment Lamp
Courtesy Lamps- Front Doors, Vanity Mirrors, and I/P Compartment Lamp
Courtesy Lamps - Front Doors, Vanity Mirrors, and I/P Compartment Lamp
Master Electrical Component List
Interior Lighting Systems Description and Operation
Control Module References
Courtesy Lamps - Headliner
Courtesy Lamps - Headliner
Courtesy Lamps - Headliner
Courtesy Lamps - Headliner
G203 - 1 of 3
G203 - 2 of 3
G203 - 1 of 3
G203 - 1 of 3
Power, Ground, Data Link Connector, and SP205