GM Service Manual Online
For 1990-2009 cars only

.

Figure 1:

Module Power, Ground and Serial Data References


Object Number: 1954919  Size: FS
Master Electrical Component List
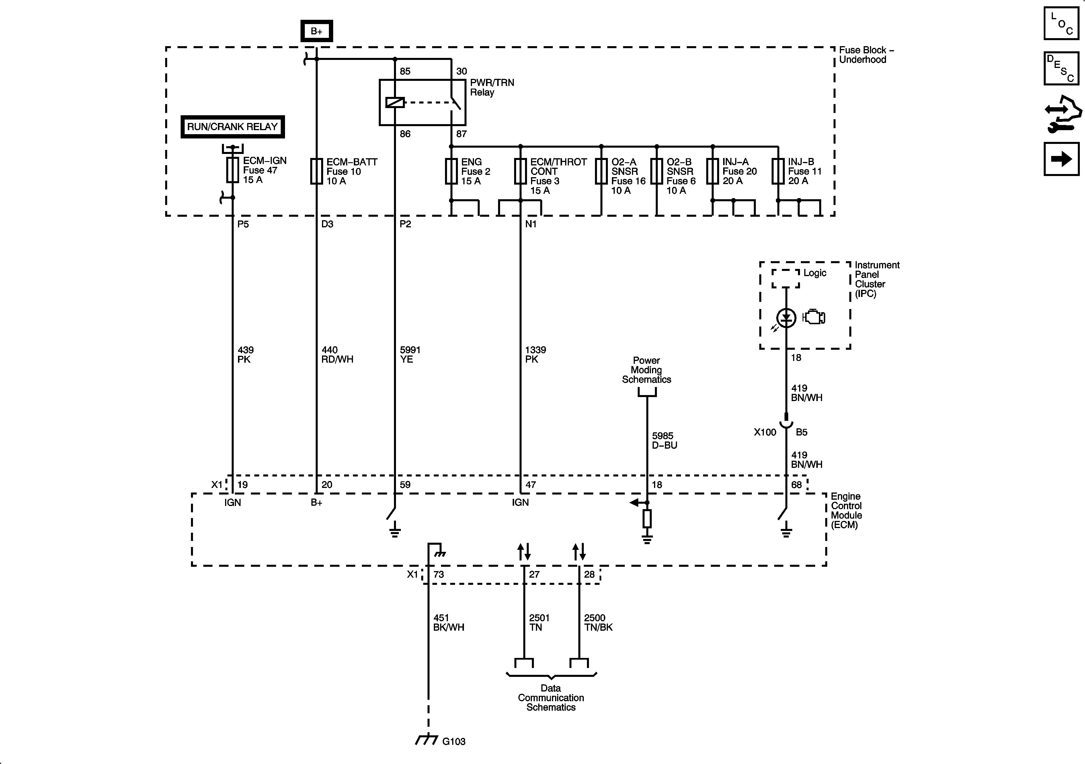
Engine Control Module Description
Control Module References
5-Volt and Low Reference
Figure 2:

5-Volt and Low Reference


Object Number: 1954952  Size: FS
Master Electrical Component List
Throttle Actuator Control (TAC) System Description
Control Module References
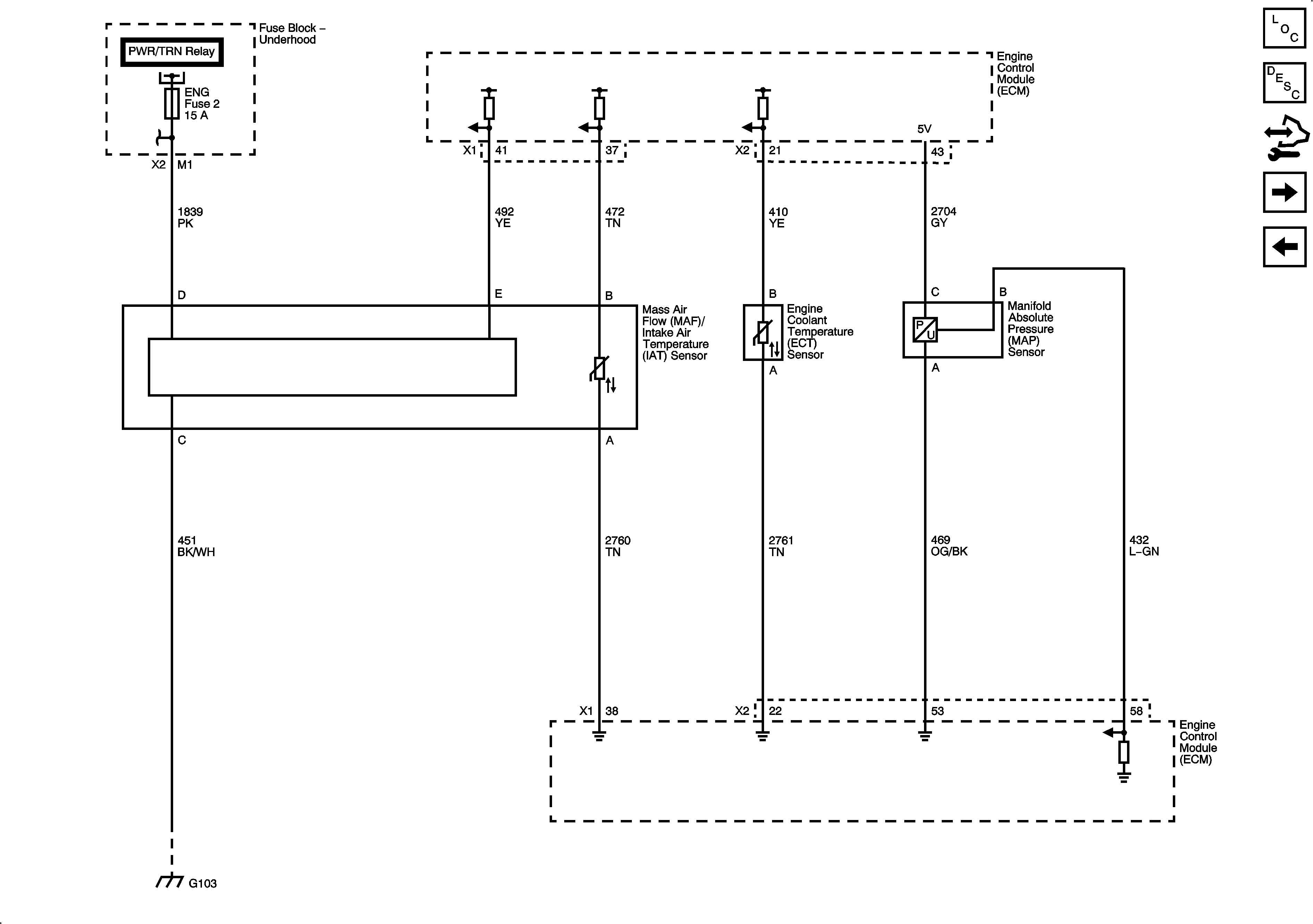
Engine Data Sensors - Pressure and Temperature
Module Power, Ground and Serial Data References
Figure 3:

Engine Data Sensors - Pressure and Temperature


Object Number: 1954955  Size: FS
Master Electrical Component List
Electronic Ignition (EI) System Description
Control Module References
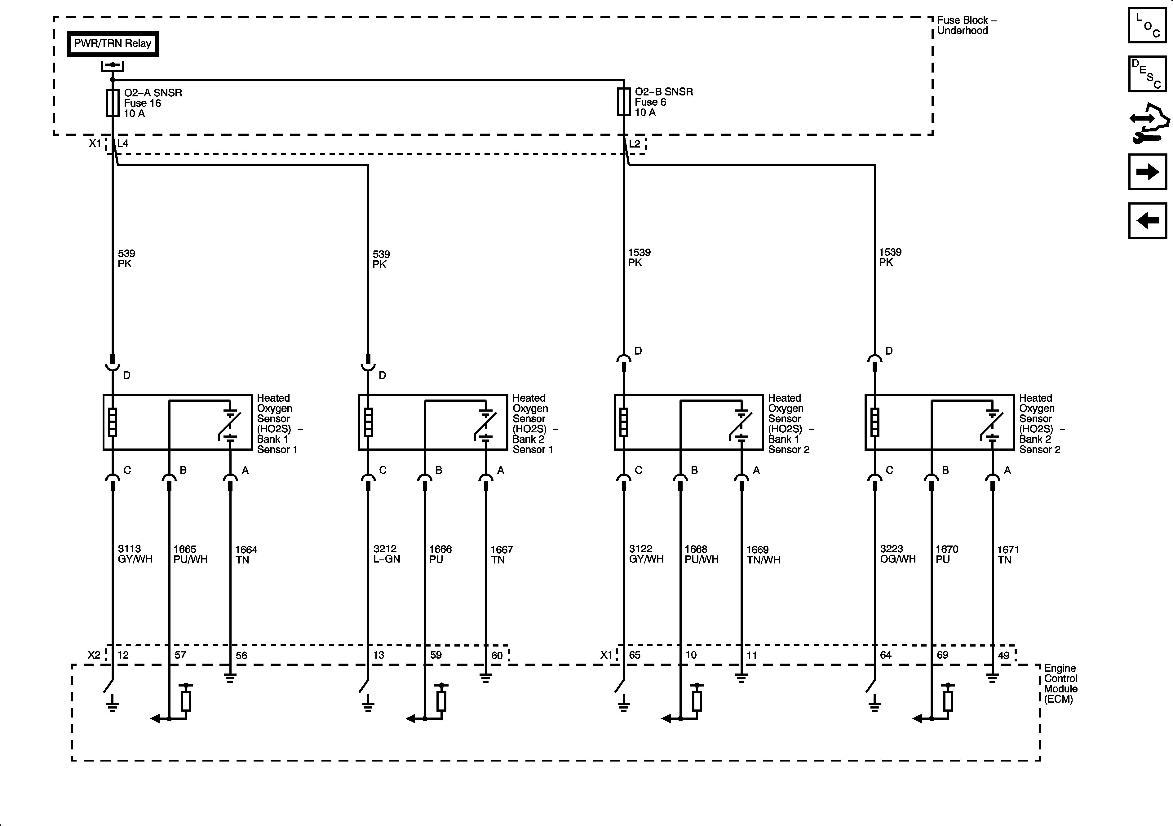
Engine Data Sensors - Heated Oxygen Sensors
5-Volt and Low Reference
Figure 4:

Engine Data Sensors - Heated Oxygen Sensors


Object Number: 1954958  Size: FS
Master Electrical Component List
Electronic Ignition (EI) System Description
Control Module References
Engine Data Sensors - Throttle Controls
Engine Data Sensors - Pressure and Temperature
Figure 5:

Engine Data Sensors - Throttle Controls


Object Number: 1954964  Size: FS
Master Electrical Component List
Electronic Ignition (EI) System Description
Control Module References
Ignition Controls - Ignition System Coils 1, 3, 5 and 7
Engine Data Sensors - Heated Oxygen Sensors
Figure 6:

Ignition Controls - Ignition System Coils 1, 3, 5 and 7


Object Number: 1954966  Size: FS
Master Electrical Component List
Electronic Ignition (EI) System Description
Control Module References
Ignition Controls - Ignition System Coils 2, 4, 6 and 8
Engine Data Sensors - Throttle Controls
Figure 7:

Ignition Controls - Ignition System Coils 2, 4, 6 and 8


Object Number: 1954967  Size: FS
Master Electrical Component List
Electronic Ignition (EI) System Description
Control Module References
Ignition Controls - Sensors
Ignition Controls - Ignition System Coils 1, 3, 5 and 7
Figure 8:

Ignition Controls - Sensors


Object Number: 1954968  Size: FS
Master Electrical Component List
Electronic Ignition (EI) System Description
Control Module References
Fuel Pump Controls
Ignition Controls - Ignition System Coils 2, 4, 6 and 8
Figure 9:

Fuel Pump Controls


Object Number: 1954969  Size: FS
Master Electrical Component List
Fuel System Description
Control Module References
Fuel Controls - Fuel Injectors
Ignition Controls - Sensors
Figure 10:

Fuel Controls - Fuel Injectors


Object Number: 1954982  Size: FS
Master Electrical Component List
Fuel System Description
Control Module References
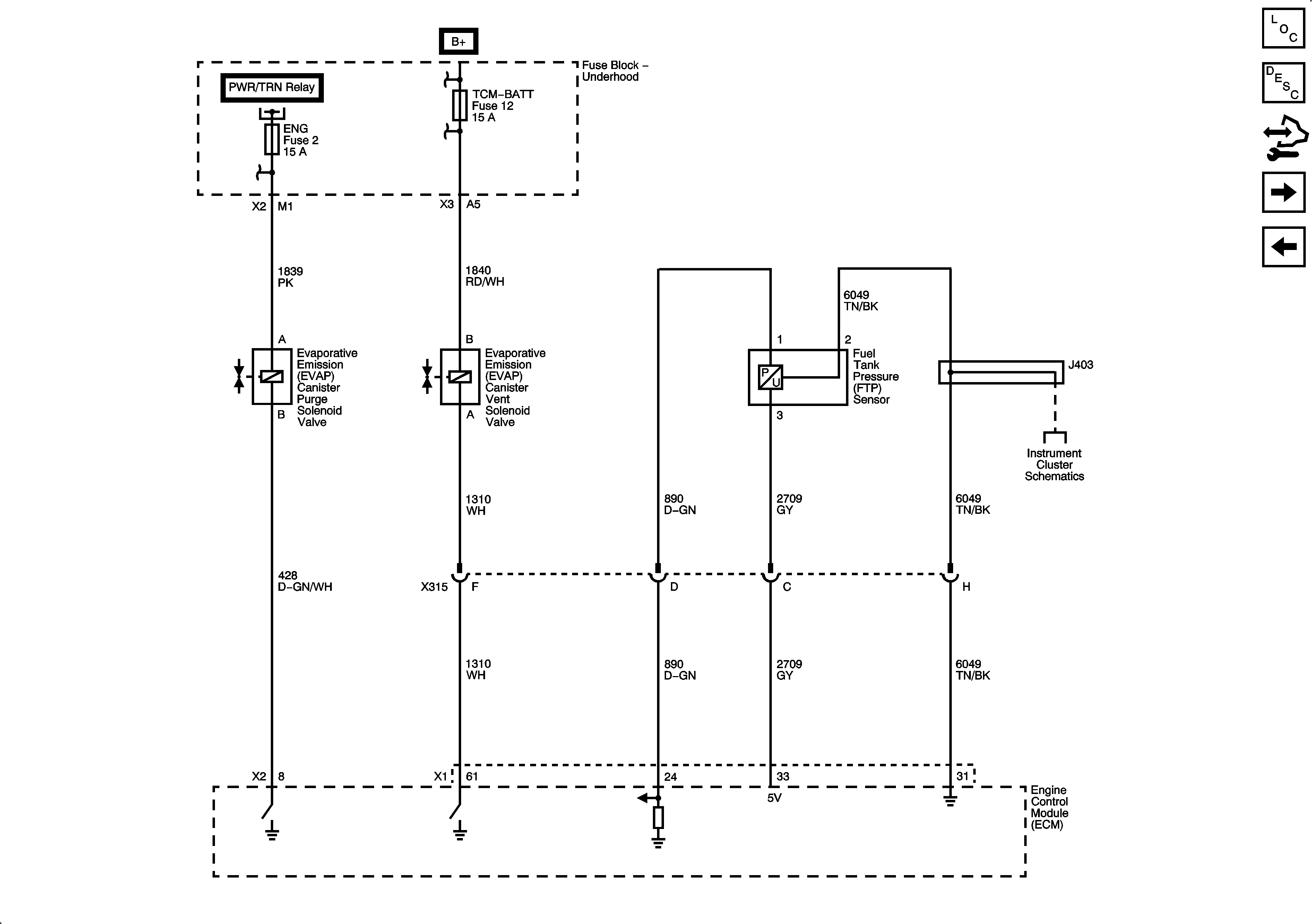
Fuel Controls - EVAP Controls
Fuel Pump Controls
Figure 11:

Fuel Controls - EVAP Controls


Object Number: 1954983  Size: FS
Master Electrical Component List
Evaporative Emission Control System Description
Control Module References
Controlled/Monitored Subsystem References
Fuel Controls - Fuel Injectors
Figure 12:

Controlled/Monitored Subsystem References


Object Number: 1954992  Size: FS
Master Electrical Component List
Engine Control Module Description
Control Module References
Fuel Controls - EVAP Controls