GM Service Manual Online
For 1990-2009 cars only

DTC P0742 TCC System Stuck On 2.2L


Object Number: 68657  Size: LF

Circuit Description

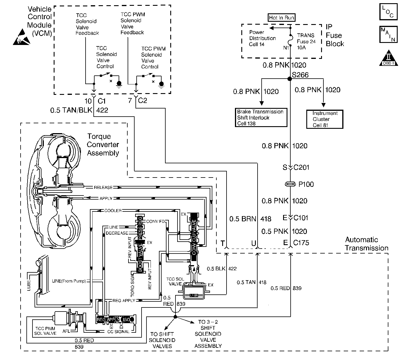
The PCM energizes the Torque Converter Clutch Solenoid Valve (TCC Sol. Valve) by creating a ground path on circuit 422. When grounded (energized) by the PCM, the TCC Sol. Valve stops converter signal oil from exhausting. This causes converter signal oil pressure to increase and move the TCC valve. The TCC Sol. Valve de-energizes when the PCM no longer provides a ground path. When the TCC Sol. Valve de-energizes, the valve exhausts fluid and releases the TCC.

When the PCM detects low torque converter slip when the PCM commands the TCC OFF, then DTC P0742 sets. DTC P0742 is a type B DTC.

Conditions for Setting the DTC

DTC P0742 sets if the following conditions occur once per TCC cycle, two consecutive times:

    • No MAP DTCs P0106, P0107 or P0108.
    • No TP DTCs P0122 or P0123.
    • No VSS Assy. DTCs P0502 or P0503.
    • No TCC Sol. Valve DTC P0740
    • No TFP Val. Position Sw. DTC P1810.
    • No TCC PWM Sol. Valve DTC P1860.
    • The TP angle is 15-60%.
    • The engine speed is greater than 450 RPM for 8 seconds.
    • Not in fuel cutoff.
    • The engine speed is 1000-3000 RPM.
    • The engine torque is 50-400 lbs ft.
    • The engine vacuum is 0-105 kPa.
    • The speed ratio is 0.65-1.25 (the speed ratio is engine speed divided by output speed).
    • The vehicle speed is 32-104 km/h (20-65 mph).
    • The commanded gear is not 1st.
    • The gear range is D4.
    • No gear range change within 6 seconds.
    • The PCM commands the TCC OFF.
    • The TCC slip speed is -20 to +20 RPM.
    • All conditions met for 5 seconds.

Action Taken When the DTC Sets

    • The PCM freezes shift adapts from being updated.
    • The PCM illuminates the Malfunction Indicator Lamp (MIL).

Conditions for Clearing the MIL/DTC

    • The PCM turns OFF the MIL after three consecutive ignition cycles without a failure reported.
    • A scan tool can clear the DTC from the PCM history. The PCM clears the DTC from the PCM history if the vehicle completes 40 warm-up cycles without a failure reported.
    • The PCM cancels the DTC default actions when the fault no longer exists and the ignition is OFF long enough in order to power down the PCM.

Diagnostic Aids

    • The TCC fluid will mechanically apply the TCC, possibly causing an engine stall, under the following conditions:
       - The TCC is mechanically stuck ON
       - The parking brake is applied
       - Any gear range is selected
    • A stuck TP sensor sets DTC P0742.

Test Description

The numbers below refer to the step numbers on the diagnostic table.

  1. This step inspects the mechanical state of the TCC. When the PCM commands the TCC Sol. Valve OFF, the slip speed should increase.

DTC P0742 Torque Converter Clutch (TCC) Stuck ON (2.2L)

Step

Action

Value(s)

Yes

No

1

Was the Powertrain On-Board Diagnostic (OBD) System Check performed?

--

Go to Step 2

Go to OBD System Check

2

  1. Install the scan tool.
  2. With the engine OFF, turn the ignition switch to the RUN position.
  3. Important: Before clearing the DTCs, use the scan tool in order to record the Freeze Frame and Failure Records for reference. The Clear Info function will erase the data.

  4. Record the DTC Freeze Frame and Failure Records.
  5. Using the scan tool, verify the TP Sensor operation.

Are the TP Sensor values within the normal range (shown in the value column)?

0.6-5.0 volts

Go to Step 3

Go to Diagnostic Aids

3

Drive the vehicle in the D4 drive range in fourth gear under steady acceleration, with a TP angle greater than 25%.

While the displayed TCC Enable status is No, does the scan tool display a TCC Slip Speed within the specified range?

-20 to +20 RPM

Go to Step 4

Go to Diagnostic Aids

4

The TCC is mechanically stuck ON. Inspect for the following conditions:

    • A clogged exhaust orifice in the TCC Sol. Valve.
    • The converter clutch apply valve is stuck in the apply position.
    • A misaligned or damaged valve body gasket.
    • A restricted release passage.
    • Refer to On-Vehicle Service.

Did you find and correct a problem?

--

Go to Step 5

--

5

In order to verify your repair, perform the following procedure:

  1. Select DTC.
  2. Select Clear Info.
  3. Operate the vehicle under the following conditions:
  4. • Hold the throttle at 25% and accelerate to 55 mph.
    • Ensure that the TCC slip speed is -50 to +2500 RPM for 5 seconds, with the TCC OFF.
  5. Select Specific DTC. Enter DTC P0742.

Has the test run and passed?

--

System OK

Begin the diagnosis again. Go to Step 1

DTC P0742 TCC System Stuck On 4.3L


Object Number: 98516  Size: LF

Circuit Description

The VCM energizes the Torque Converter Clutch Solenoid Valve (TCC Sol. Valve) by creating a ground path on circuit 422. When grounded (energized) by the VCM, the TCC Sol. Valve stops converter signal oil from exhausting. This causes converter signal oil pressure to increase and move the TCC valve. The TCC Sol. Valve de-energizes when the VCM no longer provides a ground path. When the TCC Sol. Valve de-energizes, the valve will exhaust fluid and release the TCC.

When the VCM detects low torque converter slip when the TCC is commanded OFF, then DTC P0742 sets. DTC P0742 is a type B DTC.

Conditions for Setting the DTC

DTC P0742 sets if the following conditions occur once per TCC cycle, two consecutive times:

    • No TP DTCs P0122 or P0123.
    • No VSS Assy. DTC P0502.
    • No TCC Sol. Valve DTC P0740.
    • No TFP Val. Position Sw. DTC P1810.
    • No TCC PWM Sol. Valve DTC P1860.
    • The TP angle is greater than 17%.
    • The engine speed is greater than 450 RPM for 8 seconds.
    • Not in fuel cutoff.
    • The engine vacuum is 0-105 kPa.
    • The engine torque is 50-400 lb ft.
    • The commanded gear is not 1st.
    • The gear range is D4, D3 or D2.
    • The TCC is commanded OFF.
    • The TCC slip speed is -20 to +20 RPM.
    • All conditions met for 5 seconds.

Action Taken When the DTC Sets

    • The VCM freezes shift adapts from being updated.
    • The VCM illuminates the Malfunction Indicator Lamp (MIL).

Conditions for Clearing the MIL/DTC

    • The VCM turns OFF the MIL after three consecutive ignition cycles without a failure reported.
    • A scan tool can clear the DTC from the VCM history. The VCM clears the DTC from the VCM history if the vehicle completes 40 warm-up cycles without a failure reported.
    • The VCM cancels the DTC default actions when the fault no longer exists and the ignition is OFF long enough in order to power down the VCM.

Diagnostic Aids

    • The TCC fluid will mechanically apply the TCC, possibly causing an engine stall, under the following conditions:
       - The TCC is mechanically stuck ON
       - The parking brake is applied
       - Any gear range is selected
    • A stuck TP sensor sets DTC P0742.

Test Description

The numbers below refer to the step numbers on the diagnostic table.

  1. This step tests the mechanical state of the TCC. When the VCM commands the TCC Sol. Valve OFF, the slip speed should increase.

DTC P0742 Torque Converter Clutch (TCC) Stuck ON (4.3L)

Step

Action

Value(s)

Yes

No

1

Was the Powertrain On-Board Diagnostic (OBD) System Check performed?

--

Go to Step 2

Go to OBD System Check

2

  1. Install the scan tool.
  2. With the engine OFF, turn the ignition switch to the RUN position.
  3. Important: Before clearing the DTCs, use the scan tool in order to record the Freeze Frame and Failure Records for reference. The Clear Info function will erase the data.

  4. Record the DTC Freeze Frame and Failure Records.
  5. Using the scan tool, verify the TP Sensor operation.

Are the TP Sensor values within the normal range shown in the value column?

0.6 - 5.0 volts

Go to Step 3

Go to Diagnostic Aids

3

Drive the vehicle in the D4 drive range in fourth gear, under steady acceleration, with a TP angle greater than 25%.

While the displayed TCC Enable status is No, does the scan tool display a TCC Slip Speed within the specified range?

-20 to +20 RPM

Go to Step 4

Go to Diagnostic Aids

4

The TCC is mechanically stuck ON. Check for the following:

    • Clogged exhaust orifice in the TCC Sol. Valve.
    • Converter clutch apply valve stuck in the apply position.
    • Misaligned or damaged valve body gasket.
    • Restricted release passage.
    • Refer to On Vehicle Service.

Did you find and correct a problem?

--

Go to Step 5

--

5

In order to verify your repair, perform the following procedure:

  1. Select DTC.
  2. Select Clear Info.
  3. Operate the vehicle in D2, D3 or D4 with the TCC OFF and the throttle above 17%. Ensure that the TCC slip speed is 100-2000 RPM for 5 seconds.
  4. Select Specific DTC. Enter DTC P0742.

Has the test run and passed?

--

System OK

Begin the diagnosis again. Go to Step 1