GM Service Manual Online
For 1990-2009 cars only
Figure 1:

Manual Transmission Starting


Object Number: 181993  Size: FS
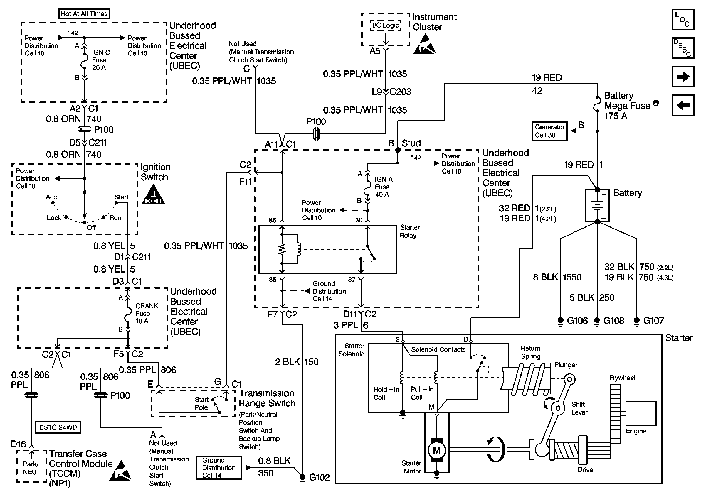
Figure 2:

Automatic Transmission Starting


Object Number: 182001  Size: FS
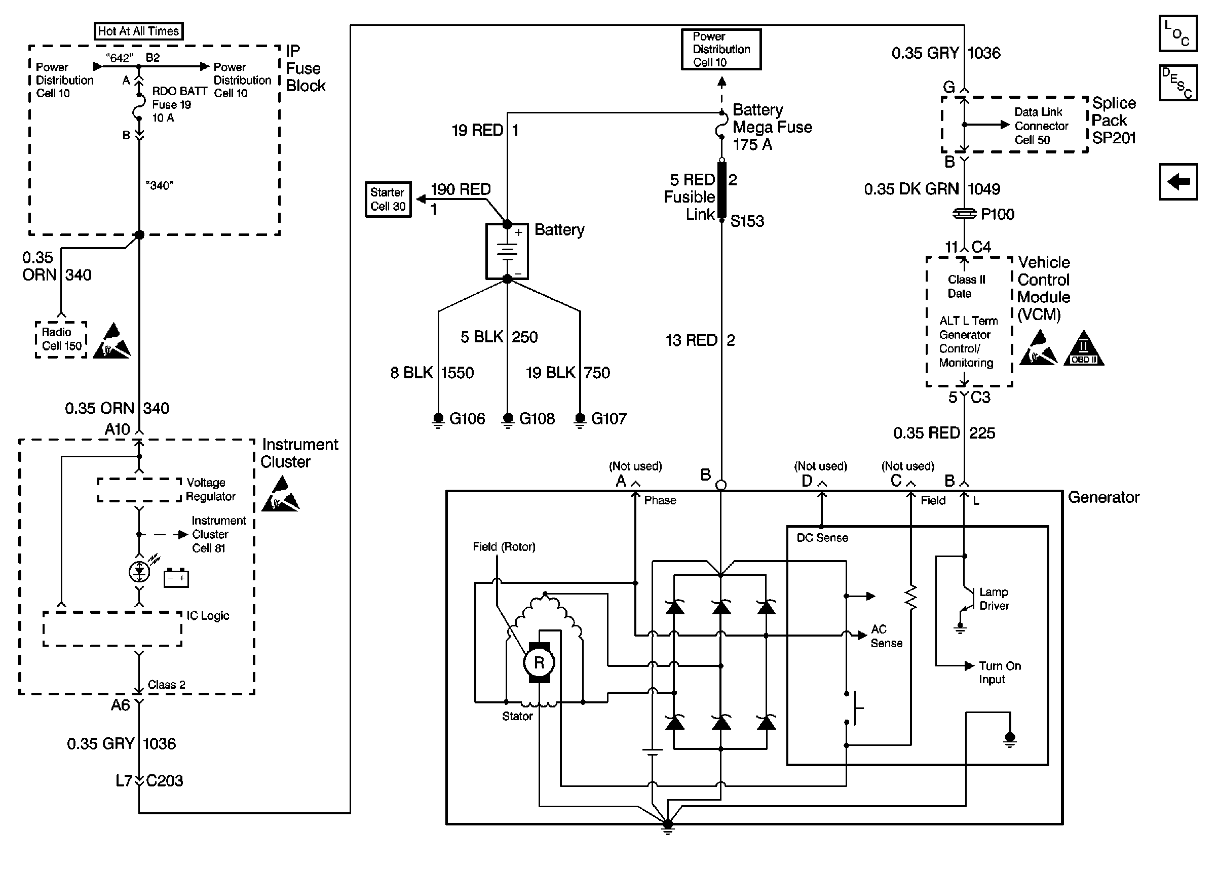
Figure 3:

2.2L Engine Charging


Object Number: 181998  Size: FS
Figure 4:

4.3L Engine Charging


Object Number: 182002  Size: FS