GM Service Manual Online
For 1990-2009 cars only
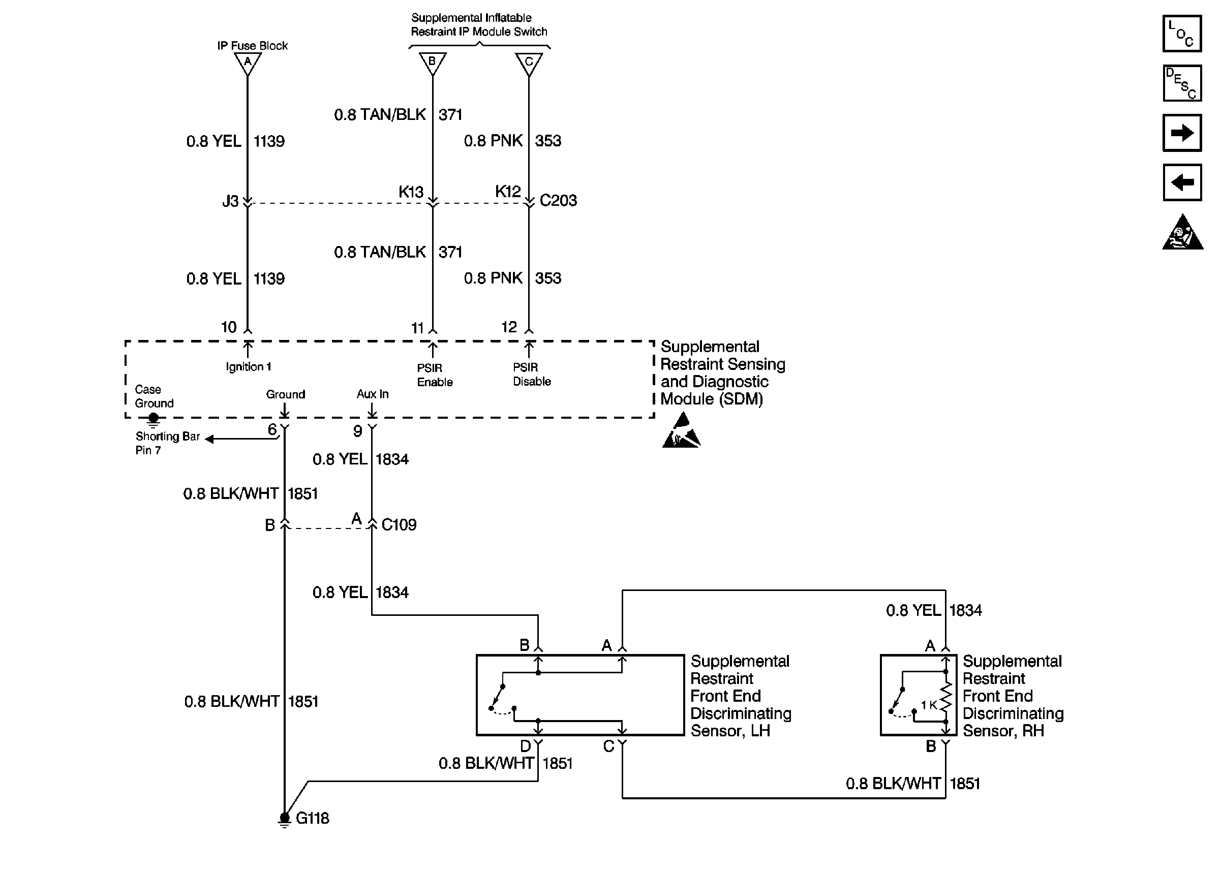
Figure 1:

IP Module Switch


Object Number: 236103  Size: FS
Figure 2:

Discriminating Sensors


Object Number: 236104  Size: FS
Figure 3:

Modules


Object Number: 236106  Size: FS