GM Service Manual Online
For 1990-2009 cars only
Figure 1:

Cell 10: B+ Buss Bar


Object Number: 406352  Size: FS
Power and Grounding Components
Cell 10: IGN C, IGN A Fuses and Ignition Switch
Cell 14: G106, G107, G108, G110 and G118
Figure 2:

Cell 10: IGN C, IGN A Fuses and Ignition Switch


Object Number: 406357  Size: FS
Power and Grounding Components
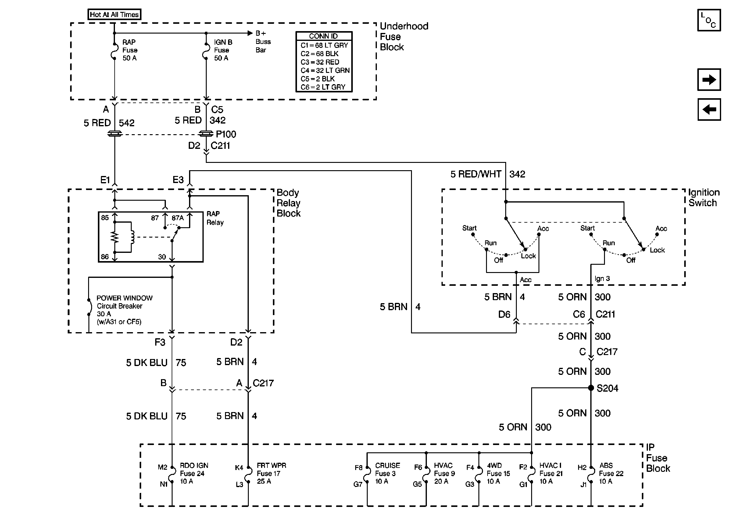
Cell 10: RAP, IGN B Fuses and Ignition Switch
Cell 10: B+ Buss Bar
Power and Grounding Connector End Views
Figure 3:

Cell 10: RAP, IGN B Fuses and Ignition Switch


Object Number: 406361  Size: FS
Power and Grounding Connector End Views
Power and Grounding Components
Cell 10: STOP LP, HAZ LP, TURN Fuses and Turn and Hazard Switch
Cell 10: IGN C, IGN A Fuses and Ignition Switch
Figure 4:

Cell 10: STOP LP, HAZ LP, TURN Fuses and Turn and Hazard Switch


Object Number: 406364  Size: FS
Power and Grounding Connector End Views
Power and Grounding Components
Cell 10: STUD 2, ABS and TBC Fuses
Cell 10: RAP, IGN B Fuses and Ignition Switch
Handling ESD Sensitive Parts Notice
Handling ESD Sensitive Parts Notice
Body Control System Connector End Views
Figure 5:

Cell 10: STUD 2, ABS and TBC Fuses


Object Number: 406368  Size: FS
Power and Grounding Connector End Views
Cell 10: INT BATT, PWR LKS, CTSY LP and CIGAR LTR Fuses
Cell 10: STOP LP, HAZ LP, TURN Fuses and Turn and Hazard Switch
Power and Grounding Components
Antilock Brake System Connector End Views
Body Control System Connector End Views
Figure 6:

Cell 10: INT BATT, PWR LKS, CTSY LP and CIGAR LTR Fuses


Object Number: 406372  Size: FS
Power and Grounding Connector End Views
Power and Grounding Components
Cell 10: AUX PWR, RDO BAT, HDLP SW Fuses and Inadvertent Power Lamp Relay
Cell 10: STUD 2, ABS and TBC Fuses
Cell 10: AUX PWR, RDO BAT, HDLP SW Fuses and Inadvertent Power Lamp Relay
Cell 10: AUX PWR, RDO BAT, HDLP SW Fuses and Inadvertent Power Lamp Relay
Figure 7:

Cell 10: AUX PWR, RDO BAT, HDLP SW Fuses and Inadvertent Power Lamp Relay


Object Number: 406374  Size: FS
Cell 10: INT BATT, PWR LKS, CTSY LP and CIGAR LTR Fuses
Cell 10: INT BATT, PWR LKS, CTSY LP and CIGAR LTR Fuses
Power and Grounding Components
Cell 10: ATC, HVAC and A/C Fuses
Cell 10: INT BATT, PWR LKS, CTSY LP and CIGAR LTR Fuses
Entertainment Connector End Views
Handling ESD Sensitive Parts Notice
Handling ESD Sensitive Parts Notice
Figure 8:

Cell 10: ATC, HVAC and A/C Fuses


Object Number: 406377  Size: FS
Power and Grounding Connector End Views
Power and Grounding Components
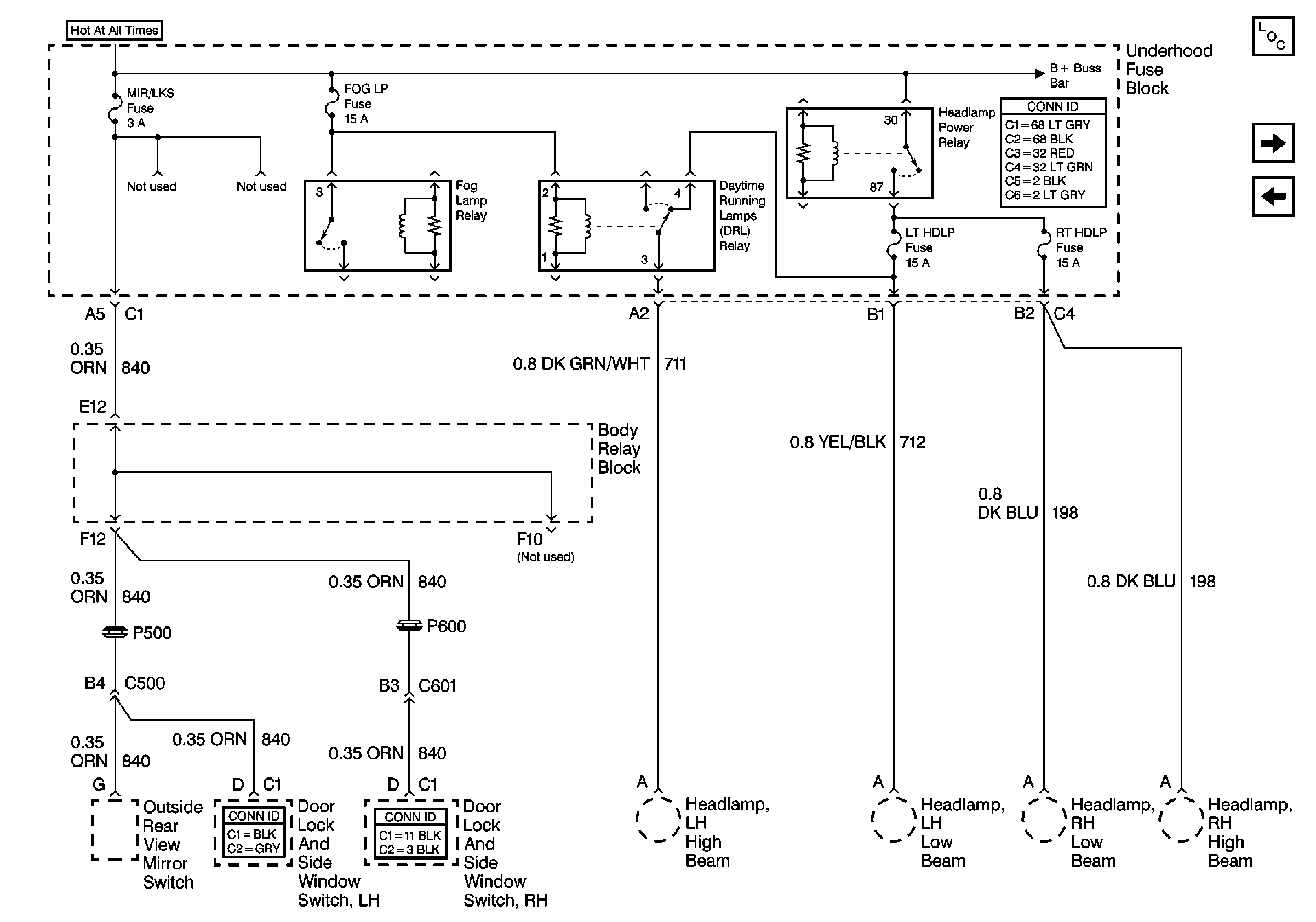
Cell 10: MIR/LKS and FOG LP Fuses
Cell 10: AUX PWR, RDO BAT, HDLP SW Fuses and Inadvertent Power Lamp Relay
Transfer Case Control Connector End Views
Transfer Case Control Connector End Views
Figure 9:

Cell 10: MIR/LKS and FOG LP Fuses


Object Number: 406379  Size: FS
Power and Grounding Connector End Views
Power and Grounding Components
Cell 10: ECM B, HORN Fuses and Horn, Fuel Pump Relays
Cell 10: ATC, HVAC and A/C Fuses
Power Door Systems Connector End Views
Power Door Systems Connector End Views
Figure 10:

Cell 10: ECM B, HORN Fuses and Horn, Fuel Pump Relays


Object Number: 406381  Size: FS
Power and Grounding Connector End Views
Power and Grounding Components
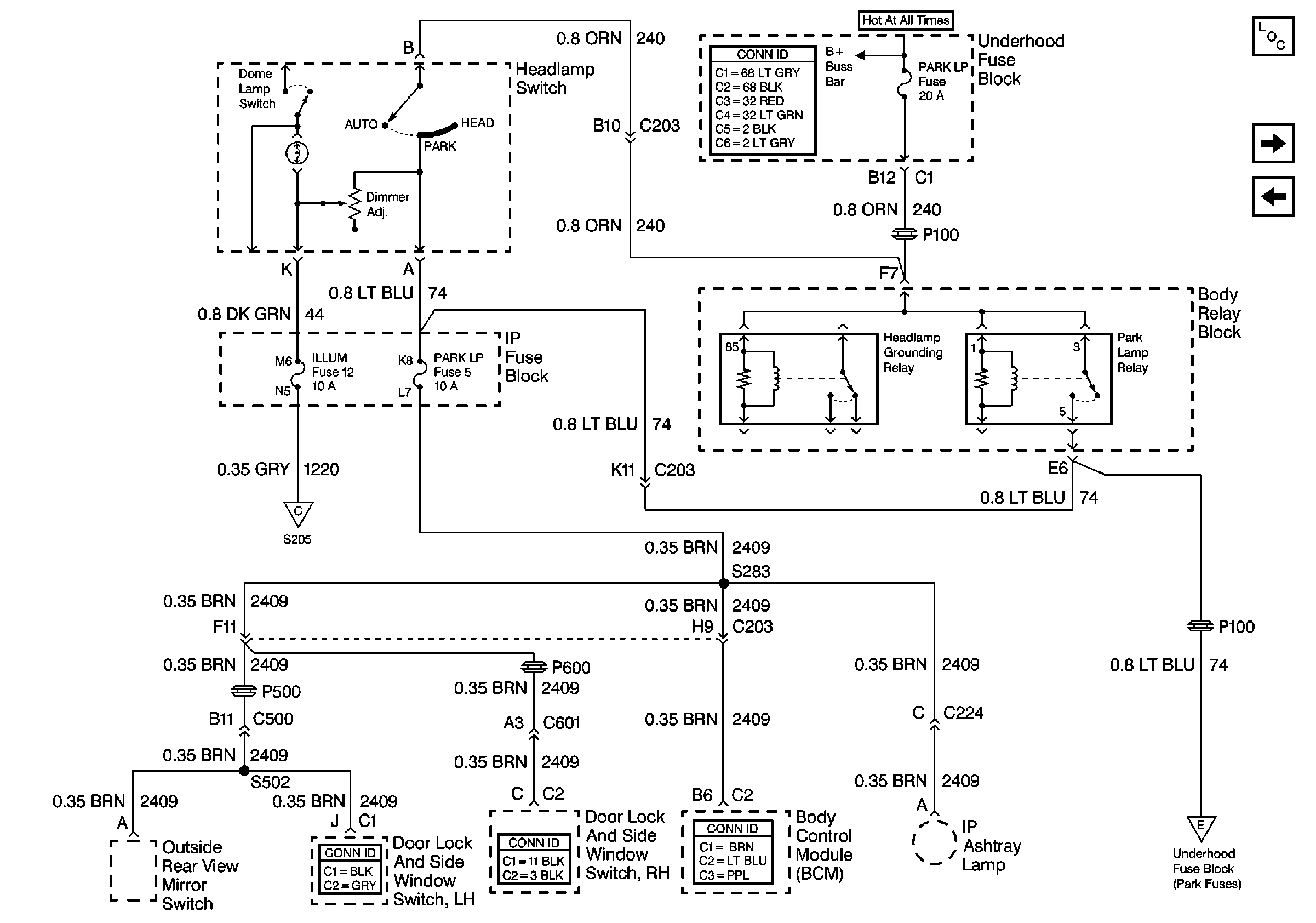
Cell 10: PARK LP, ILLUM Fuses and Park Lamp, Headlamp Grounding Relays
Cell 10: MIR/LKS and FOG LP Fuses
Powertrain Control Module Connector End Views
Handling ESD Sensitive Parts Notice
VCM Connector End Views
Handling ESD Sensitive Parts Notice
Figure 11:

Cell 10: PARK LP, ILLUM Fuses and Park Lamp, Headlamp Grounding Relays


Object Number: 406383  Size: FS
Power and Grounding Connector End Views
Power and Grounding Components
Cell 10: ILLUM Fuse Power
Cell 10: ECM B, HORN Fuses and Horn, Fuel Pump Relays
Power Door Systems Connector End Views
Power Door Systems Connector End Views
Body Control System Connector End Views
Cell 10: FR PRK, LR PRK, RR PRK Fuses and Fog Lamp Relay
Cell 10: ILLUM Fuse Power
Figure 12:

Cell 10: ILLUM Fuse Power


Object Number: 406396  Size: FS
Cell 10: PARK LP, ILLUM Fuses and Park Lamp, Headlamp Grounding Relays
Power and Grounding Components
Cell 10: FR PRK, LR PRK, RR PRK Fuses and Fog Lamp Relay
Cell 10: PARK LP, ILLUM Fuses and Park Lamp, Headlamp Grounding Relays
Entertainment Connector End Views
Handling ESD Sensitive Parts Notice
HVAC Connector End Views
Heater Blower Controls Connector End Views
SRS Service Precautions
Handling ESD Sensitive Parts Notice
Body Control System Connector End Views
Transfer Case Control Connector End Views
Handling ESD Sensitive Parts Notice
Figure 13:

Cell 10: FR PRK, LR PRK, RR PRK Fuses and Fog Lamp Relay


Object Number: 379926  Size: FS
Cell 10: PARK LP, ILLUM Fuses and Park Lamp, Headlamp Grounding Relays
Power and Grounding Components
Cell 10: CRANK and CLSTR Fuses
Cell 10: ILLUM Fuse Power
Power and Grounding Connector End Views
Figure 14:

Cell 10: CRANK and CLSTR Fuses


Object Number: 406398  Size: FS
Power and Grounding Connector End Views
Power and Grounding Components
Cell 10: TURN, SIR and GAUGES Fuses
Cell 10: FR PRK, LR PRK, RR PRK Fuses and Fog Lamp Relay
Transfer Case Control Connector End Views
Tilt Wheel/Column Connector End Views
Handling ESD Sensitive Parts Notice
Handling ESD Sensitive Parts Notice
Powertrain Control Module Connector End Views
VCM Connector End Views
Handling ESD Sensitive Parts Notice
Figure 15:

Cell 10: TURN, SIR and GAUGES Fuses


Object Number: 406399  Size: FS
Power and Grounding Components
Cell 10: IGN E, RDO IGN Fuses and Power Window Circuit Breaker
Cell 10: CRANK and CLSTR Fuses
Handling ESD Sensitive Parts Notice
SRS Service Precautions
Handling ESD Sensitive Parts Notice
SRS Service Precautions
Body Control System Connector End Views
Handling ESD Sensitive Parts Notice
Handling ESD Sensitive Parts Notice
Figure 16:

Cell 10: IGN E, RDO IGN Fuses and Power Window Circuit Breaker


Object Number: 406400  Size: FS
Power and Grounding Connector End Views
Power and Grounding Components
Cell 10: B/U LP, VEH B/U and BTSI Fuses
Cell 10: TURN, SIR and GAUGES Fuses
Entertainment Connector End Views
Handling ESD Sensitive Parts Notice
Power Door Systems Connector End Views
Figure 17:

Cell 10: B/U LP, VEH B/U and BTSI Fuses


Object Number: 406405  Size: FS
Tilt Wheel/Column Connector End Views
Power and Grounding Connector End Views
Power and Grounding Components
Cell 10: ENG I and OXYSEN Fuses
Cell 10: IGN E, RDO IGN Fuses and Power Window Circuit Breaker
Figure 18:

Cell 10: ENG I and OXYSEN Fuses


Object Number: 379979  Size: FS
Power and Grounding Connector End Views
Power and Grounding Components
Cell 10: ECM I Fuse
Cell 10: B/U LP, VEH B/U and BTSI Fuses
Figure 19:

Cell 10: ECM I Fuse


Object Number: 379981  Size: FS
Power and Grounding Connector End Views
Power and Grounding Components
Cell 10: FRT WPR and ABS Fuses
Cell 10: ENG I and OXYSEN Fuses
Engine Controls Connector End Views
Powertrain Control Module Connector End Views
VCM Connector End Views
Handling ESD Sensitive Parts Notice
Handling ESD Sensitive Parts Notice
Handling ESD Sensitive Parts Notice
Figure 20:

Cell 10: FRT WPR and ABS Fuses


Object Number: 406411  Size: FS
Power and Grounding Components
Cell 10: 4WD Fuse
Cell 10: ECM I Fuse
Heater Blower Controls Connector End Views
Handling ESD Sensitive Parts Notice
Antilock Brake System Connector End Views
Handling ESD Sensitive Parts Notice
Figure 21:

Cell 10: 4WD Fuse


Object Number: 406421  Size: FS
Power and Grounding Components
Cell 10: HVAC and CRUISE Fuses
Cell 10: FRT WPR and ABS Fuses
VCM Connector End Views
Handling ESD Sensitive Parts Notice
Handling ESD Sensitive Parts Notice
Handling ESD Sensitive Parts Notice
Handling ESD Sensitive Parts Notice
Figure 22:

Cell 10: HVAC and CRUISE Fuses


Object Number: 406426  Size: FS
Power and Grounding Components
Cell 10: VECHMSL Fuse and CHMSL Relay
Cell 10: 4WD Fuse
HVAC Connector End Views
Heater Blower Controls Connector End Views
Body Control System Connector End Views
Handling ESD Sensitive Parts Notice
Handling ESD Sensitive Parts Notice
Figure 23:

Cell 10: VECHMSL Fuse and CHMSL Relay


Object Number: 406444  Size: FS
Power and Grounding Connector End Views
Power and Grounding Components
Cell 10: RT TURN and RT TRN Fuses
Cell 10: HVAC and CRUISE Fuses
Handling ESD Sensitive Parts Notice
Figure 24:

Cell 10: RT TURN and RT TRN Fuses


Object Number: 406446  Size: FS
Power and Grounding Connector End Views
Power and Grounding Components
Cell 10: LT TURN and LT TRN Fuses
Cell 10: VECHMSL Fuse and CHMSL Relay
Figure 25:

Cell 10: LT TURN and LT TRN Fuses


Object Number: 406448  Size: FS
Power and Grounding Components
Cell 10: RT TURN and RT TRN Fuses
Power and Grounding Connector End Views