GM Service Manual Online
For 1990-2009 cars only

DTC P0503 Vehicle Speed Sensor (VSS) Circuit Intermittent 2.2L


Object Number: 548675  Size: MF
Automatic Transmission Components
Automatic Transmission Controls Schematics
OBD II Symbol Description Notice
Handling ESD Sensitive Parts Notice

Circuit Description

The vehicle speed sensor (VSS) assembly provides vehicle speed information to the powertrain control module (PCM). The VSS assembly is a permanent magnet (PM) generator. The PM generator produces a pulsing AC voltage as rotor teeth on the transmission output shaft pass through the sensor's magnetic field. The AC voltage level and the number of pulses increase as the speed of the vehicle increases. The PCM converts the pulsing voltage to vehicle speed. The PCM uses the vehicle speed signal to determine shift timing and torque converter clutch (TCC) scheduling.

When the PCM detects an unrealistically large drop in vehicle speed, then DTC P0503 sets. DTC P0503 is a type B DTC.

Conditions for Running the DTC

    • No TFP manual valve position switch DTC P1810.
    • The time since the last gear range change is greater than 6 seconds.
    • The engine speed is greater than 450 RPM.
    • Transmission output speed rise does not exceed 600 RPM within 6 seconds.

Conditions for Setting the DTC

The transmission output speed drop is greater than 1300 RPM for 3 seconds when the transmission is not in PARK or NEUTRAL.

Action Taken When the DTC Sets

    • The PCM illuminates the malfunction indicator lamp (MIL) during the second consecutive trip in which the Conditions for Setting the DTC are met.
    • The PCM commands a soft landing to second gear when the engine speed is below 2500 RPM.
    • The PCM commands maximum line pressure.
    • The PCM inhibits TCC engagement.
    • The PCM inhibits 4th gear if the transmission is in hot mode.
    • The PCM freezes shift adapts from being updated.
    • The PCM records the operating conditions when the Conditions for Setting the DTC are met. The PCM stores this information as Freeze Frame and Failure Records.
    • The PCM stores DTC P0503 in PCM history during the second consecutive trip in which the Conditions for Setting the DTC are met.

Conditions for Clearing the MIL/DTC

    • The PCM turns OFF the MIL during the third consecutive trip in which the diagnostic test runs and passes.
    • A scan tool can clear the MIL/DTC.
    • The PCM clears the DTC from PCM history if the vehicle completes 40 warm-up cycles without an emission-related diagnostic fault occurring.
    • The PCM cancels the DTC default actions when the fault no longer exists and/or the ignition switch is OFF long enough in order to power down the PCM.

Diagnostic Aids

    • Inspect the connectors at the PCM, the VSS assembly and all other circuit connecting points for an intermittent condition. Refer to Testing for Intermittent Conditions and Poor Connections in Wiring Systems.
    • Inspect the circuit wiring for an intermittent condition. Refer to Testing for Electrical Intermittents in Wiring Systems.
    • Inspect for ABS DTCs. A faulty ABS condition may contribute to setting DTC P0503.

Test Description

The numbers below refer to the step numbers on the diagnostic table.

  1. This step tests the VSS assembly circuit.

  2. This step tests the integrity of the VSS assembly.

DTC P0503 Vehicle Speed Sensor Circuit Intermittent (2.2L)

Step

Action

Value(s)

Yes

No

1

Did you perform the Powertrain Diagnostic System Check?

--

Go to Step 2

Go to Powertrain On Board Diagnostic (OBD) System Check in Engine Controls

2

  1. Install a Scan Tool .
  2. Turn ON the ignition, with the engine OFF.
  3. Important: Before clearing the DTC, use the Scan Tool in order to record the Freeze Frame and Failure Records. Using the Clear Info function erases the Freeze Frame and Failure Records from the PCM.

  4. Record the DTC Freeze Frame and Failure Records.
  5. Clear the DTC.
  6. Raise and support the rear axle assembly.
  7. Start the engine.
  8. Place the transmission in D3 range.
  9. With the drive wheels rotating, slowly accelerate the engine to 2000 RPM and hold. (Road test the vehicle if necessary.)

Does the Scan Tool Transmission OSS drop or fluctuate more than the specified value?

1300 RPM

Go to Diagnostic Aids

Go to Step 3

3

  1. Turn OFF the ignition.
  2. Disconnect the PCM connectors C1 and C2.
  3. Using J 39200 digital multimeter (DMM) and J 35616 connector test adapter kit, measure the resistance between harness connector terminals C1-63 and C2-62.

Does the resistance measure within the specified range?

1377-3355 ohms

Go to Step 4

Go to Step 7

4

  1. Place the transmission in NEUTRAL.
  2. Select AC volts.
  3. Hold one rear wheel from turning.
  4. Rotate the other rear wheel by hand, ensuring that the driveshaft is turning.

Does the voltage measure greater than the specified value?

0.5 volts

Go to Step 5

Go to Step 12

5

Measure the resistance from terminal C1-63 to ground.

Does the resistance measure greater than the specified value?

50 K ohms

Go to Step 6

Go to Step 9

6

  1. Reconnect the PCM connectors C1 and C2.
  2. Disconnect the engine wiring harness from the VSS assembly.
  3. Turn ON the ignition, with the engine OFF.
  4. Test the input circuit (CKT 821) of the VSS assembly for a short to power.
  5. Test the ground circuit (CKT 822) of the VSS assembly for a short to power.
  6. Refer to Circuit Testing and Wiring Repairs in Wiring Systems.

Did you find and correct the condition?

--

Go to Step 15

Go to Step 14

7

  1. Disconnect the engine wiring harness from the VSS assembly.
  2. Measure the resistance of the VSS assembly.

Does the resistance measure within the specified range?

1377-3355 ohms

Go to Step 8

Go to Step 13

8

Was the resistance measured in Step 3 greater than the specified value?

3355 ohms

Go to Step 10

Go to Step 11

9

  1. Test the input circuit (CKT 821) of the VSS assembly for a short to ground.
  2. Test the ground circuit (CKT 822) of the VSS assembly for a short to ground.
  3. Refer to Circuit Testing and Wiring Repairs in Wiring Systems.

Did you find and correct the condition?

--

Go to Step 15

--

10

  1. Test the input circuit (CKT 821) of the VSS assembly for an open.
  2. Test the ground circuit (CKT 822) of the VSS assembly for an open.
  3. Refer to Circuit Testing and Wiring Repairs in Wiring Systems.

Did you find and correct the condition?

--

Go to Step 15

--

11

Test the input circuit (CKT 821) and ground circuit (CKT 822) of the VSS assembly for a short together.

Refer to Circuit Testing and Wiring Repairs in Wiring Systems.

Did you find and correct the condition?

--

Go to Step 15

--

12

  1. Remove the VSS assembly.
  2. Inspect the output shaft speed sensor rotor for damage or misalignment.
  3. Inspect the case extension bushing for wear.

Did you find and correct the condition?

--

Go to Step 15

Go to Step 13

13

Replace the VSS assembly.

Refer to Vehicle Speed Sensor Replacement .

Did you complete the replacement?

--

Go to Step 15

--

14

Replace the PCM.

Refer to Powertrain Control Module Replacement/Programming in Engine Controls.

Did you complete the replacement?

--

Go to Step 15

--

15

Perform the following procedure in order to verify the repair:

  1. Select DTC.
  2. Select Clear Info.
  3. Drive the vehicle, ensuring that the transmission output speed drop is less than 500 RPM for 3 seconds and the output speed is greater than 600 RPM for 3 seconds.
  4. Select Specific DTC.
  5. Enter DTC P0503.

Has the test run and passed?

--

System OK

Go to Step 1

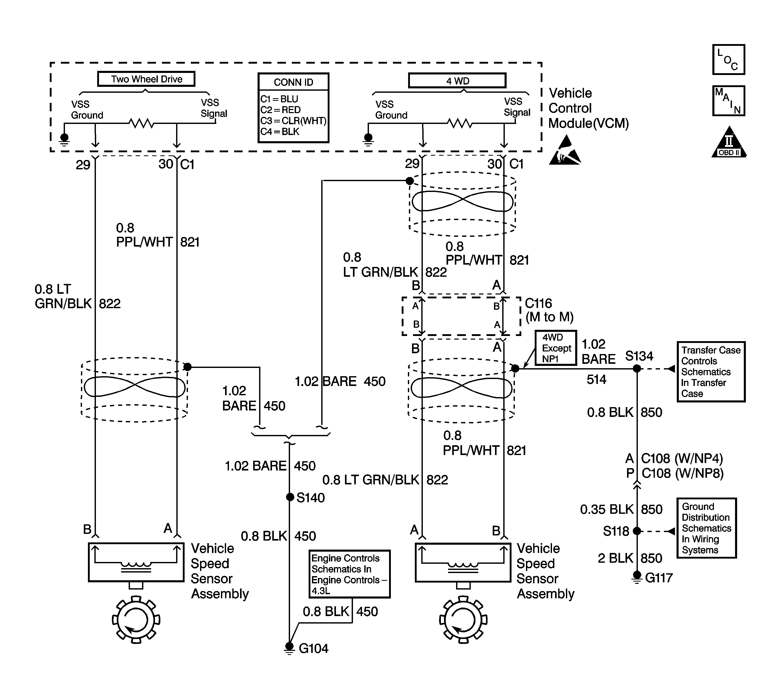
DTC P0503 Vehicle Speed Sensor (VSS) Circuit Intermittent 4.3L


Object Number: 548690  Size: LF
Automatic Transmission Components
Automatic Transmission Controls Schematics
OBD II Symbol Description Notice
Handling ESD Sensitive Parts Notice

Circuit Description

The vehicle speed sensor (VSS) assembly provides vehicle speed information to the vehicle control module (VCM). The VSS assembly is a permanent magnet (PM) generator. The PM generator produces a pulsing AC voltage as rotor teeth on the output shaft of the transmission (2WD) or transfer case (4WD) pass through the sensor's magnetic field. The AC voltage level and the number of pulses increase as the speed of the vehicle increases. The VCM converts the pulsing voltage to vehicle speed. The VCM uses the vehicle speed signal to determine shift timing and torque converter clutch (TCC) scheduling.

When the VCM detects an unrealistically large drop in vehicle speed, then DTC P0503 sets. DTC P0503 is a type B DTC.

Conditions for Running the DTC

    • No TFP manual valve position switch DTC P1810.
    • The engine speed is greater than 450 RPM for 5 seconds.
    • The engine is not in fuel cutoff.
    • The time since the last gear range change is greater than 6 seconds.
    • The transmission output speed rise does not exceed 600 RPM within 6 seconds.

Conditions for Setting the DTC

The transmission output speed drops by greater than 1300 RPM for 3 seconds when the transmission is not in PARK or NEUTRAL.

Action Taken When the DTC Sets

    • The VCM illuminates the malfunction indicator lamp (MIL) during the second consecutive trip in which the Conditions for Setting the DTC are met.
    • The VCM commands a soft landing to second gear, below 2500 RPM.
    • The VCM commands maximum line pressure.
    • The VCM inhibits TCC engagement.
    • The VCM inhibits fourth gear if the transmission is in hot mode.
    • The VCM freezes shift adapts from being updated.
    • The VCM records the operating conditions when the Conditions for Setting the DTC are met. The VCM stores this information as Freeze Frame and Failure Records.
    • The VCM stores DTC P0503 in VCM history during the second consecutive trip in which the Conditions for Setting the DTC are met.

Conditions for Clearing the MIL/DTC

    • The VCM turns OFF the MIL during the third consecutive trip in which the diagnostic test runs and passes.
    • A scan tool can clear the MIL/DTC.
    • The VCM clears the DTC from VCM history if the vehicle completes 40 warm-up cycles without an emission-related diagnostic fault occurring.
    • The VCM cancels the DTC default actions when the fault no longer exists and/or the ignition switch is OFF long enough in order to power down the VCM.

Diagnostic Aids

    • Inspect the connectors at the VCM, the VSS assembly and all other circuit connecting points for an intermittent condition. Refer to Testing for Intermittent Conditions and Poor Connections in Wiring Systems.
    • Inspect the circuit wiring for an intermittent condition. Refer to Testing for Electrical Intermittents in Wiring Systems.
    • Inspect for ABS DTCs. A faulty ABS condition may contribute to setting DTC P0503.

Test Description

The numbers below refer to the step numbers on the diagnostic table.

  1. This step tests the VSS assembly circuit.

  2. This step tests the integrity of the VSS assembly.

  3. This step tests the 5-volt and ground circuits of the VCM.

DTC P0503 Vehicle Speed Sensor Assembly Circuit -- Intermittent (4.3L)

Step

Action

Value(s)

Yes

No

1

Did you perform the Powertrain Diagnostic System Check?

--

Go to Step 2

Go to Powertrain On Board Diagnostic (OBD) System Check in Engine Controls

2

  1. Install a Scan Tool .
  2. Turn ON the ignition, with the engine OFF.
  3. Important: Before clearing the DTC, use the Scan Tool in order to record the Freeze Frame and Failure Records. Using the Clear Info function erases the Freeze Frame and Failure Records from the VCM.

  4. Record the DTC Freeze Frame and Failure Records.
  5. Clear the DTC.
  6. Raise and support the rear axle assembly.
  7. Start the engine.
  8. Place the transmission in D3 range.
  9. With the drive wheels rotating, slowly accelerate the engine to 2000 RPM and hold (Road test the vehicle if necessary).

Does the Scan Tool Transmission OSS drop or fluctuate more than the specified value?

1300 RPM

Go to Step 3

Go to Diagnostic Aids

3

  1. Turn OFF the ignition.
  2. Disconnect the VCM connector C1.
  3. Using the J 39200 digital multimeter (DMM) and the J 35616 connector test adapter kit, measure the resistance between VCM connector terminals C1-29 and C1-30.

Does the resistance measure within the specified range?

1377-3355 ohms (2WD) and 976-2354 ohms (4WD)

Go to Step 4

Go to Step 8

4

  1. Place the transmission in NEUTRAL.
  2. Select AC volts.
  3. Hold one rear wheel from turning.
  4. Rotate the other rear wheel by hand, ensuring that the driveshaft is turning.

Does the voltage measure greater than the specified value?

0.5 volts

Go to Step 5

Go to Step 11

5

Measure the resistance from terminal C1-30 to ground.

Does the resistance measure greater than the specified value?

50 K ohms

Go to Step 6

Go to Step 9

6

  1. Reconnect the VCM connector C1.
  2. Disconnect the engine wiring harness from the VSS assembly.
  3. Turn ON the ignition, with the engine OFF.
  4. Measure the voltage from the signal circuit (CKT 821) of the VSS assembly to the ground circuit (CKT 822) of the VSS assembly.

Does the voltage measure within the specified range?

4.0-5.1 volts

Go to Step 13

Go to Step 7

7

Was the voltage measured in Step 6 less than the voltage in the value column?

4.0 volts

Go to Step 13

Go to Step 10

8

  1. Test the signal circuit (CKT 821) of the VSS assembly for an open.
  2. Test the ground circuit (CKT 822) of the VSS assembly for an open.
  3. Test the signal circuit (CKT 821) and the ground circuit (CKT 822) of the VSS assembly for a short together.

Refer to Circuit Testing and Wiring Repairs in Wiring Systems.

Did you find and correct the condition?

--

Go to Step 14

Go to Step 12

9

Test the signal circuit (CKT 821) of the VSS assembly for a short to ground.

Refer to Circuit Testing and Wiring Repairs in Wiring Systems.

Did you find and correct the condition?

--

Go to Step 14

Go to Diagnostic Aids

10

Test the signal circuit (CKT 821) of the VSS assembly for a short to voltage.

Refer to Circuit Testing and Wiring Repairs in Wiring Systems.

Did you find and correct the condition?

--

Go to Step 14

Go to Step 13

11

  1. Remove the VSS assembly.
  2. Inspect the output shaft speed sensor rotor for damage or misalignment.
  3. Inspect the case extension bushing for wear.

Did you find and correct the condition?

--

Go to Step 14

Go to Step 12

12

Replace the VSS assembly.

Refer to Vehicle Speed Sensor Replacement .

Did you complete the replacement?

--

Go to Step 14

--

13

Replace the VCM.

Refer to VCM Replacement/Programming in Engine Controls.

Did you complete the replacement?

--

Go to Step 14

--

14

Perform the following procedure in order to verify the repair:

  1. Select DTC.
  2. Select Clear Info.
  3. Operate the vehicle, ensuring that the transmission output speed drop is less than 500 RPM for 2.5 seconds and output speed is greater than 600 RPM for 2.5 seconds.
  4. Select Specific DTC.
  5. Enter DTC P0503.

Has the test run and passed?

--

System OK

Go to Step 1