GM Service Manual Online
For 1990-2009 cars only
Makes
🢒
Isuzu
🢒
2000
🢒
S/T Isuzu - 2WD
🢒
Body and Accessories
🢒
Lighting Systems
🢒 Headlights/Daytime Running Lights (DRL) Schematics
Figure
1:
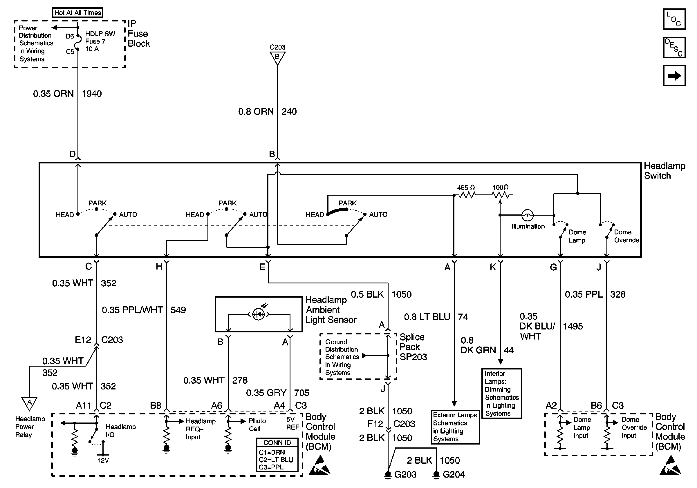
Headlamp Switch, Ambient Light Sensor and BCM
Lighting Systems Components
Headlights Circuit Description
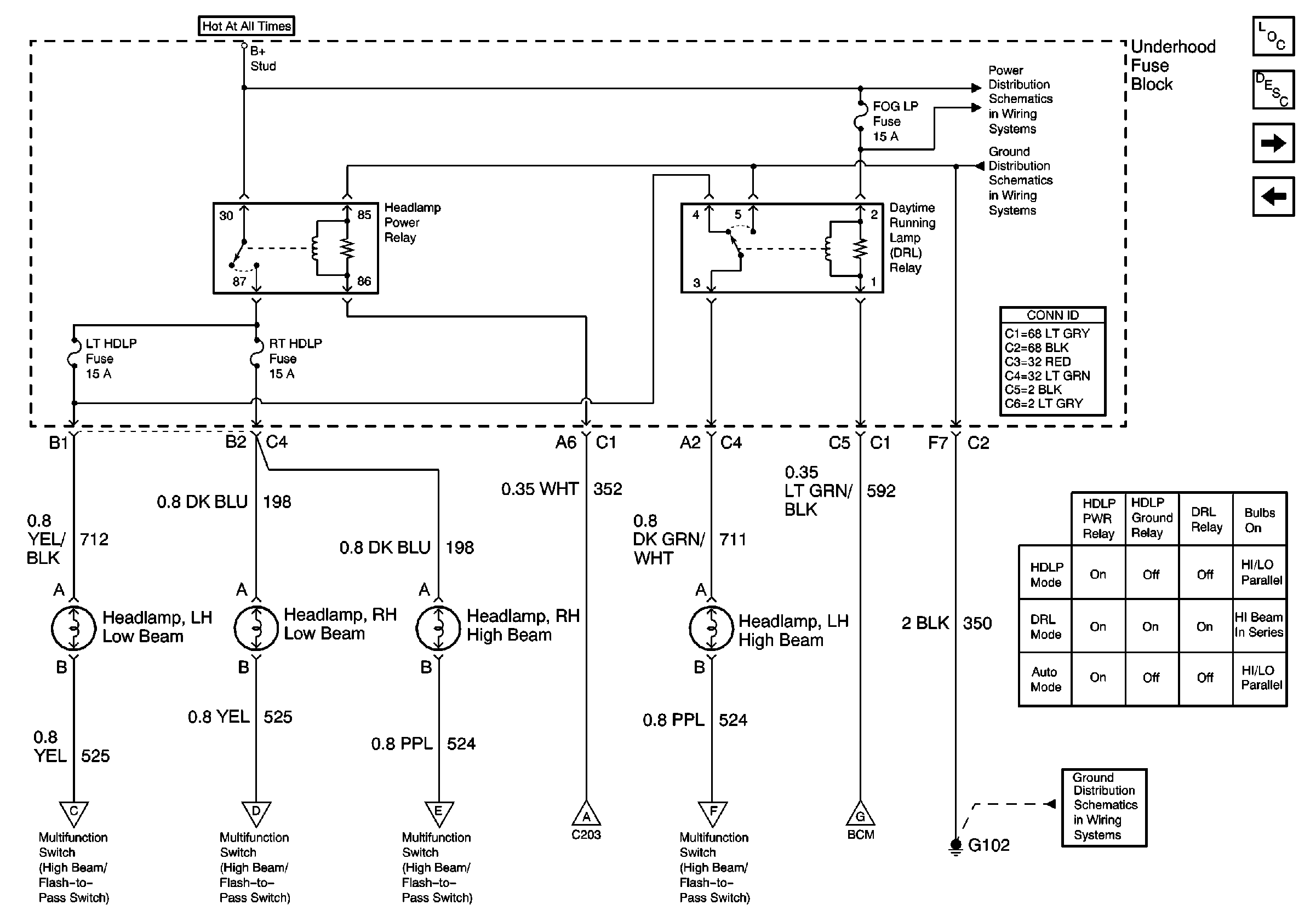
DRL and Headlamp Power Relays
AUX PWR, RDO BATT, HDLP SW Fuses and Inadvertent Power Lamp Relay
Headlamp Grounding Relay and Flash-to-Pass Switch
DRL and Headlamp Power Relays
Body Control System Connector End Views
Handling ESD Sensitive Parts Notice
G203 and G204
Headlamp Switch and HDLP SW, PARK LP Fuses
Headlamp Switch
Handling ESD Sensitive Parts Notice
Figure
2:
DRL and Headlamp Power Relays
Lighting Systems Components
Headlights Circuit Description
Headlamp Grounding Relay and Flash-to-Pass Switch
Headlamp Switch, Ambient Light Sensor and BCM
B+ Bus Bar
G102
Power and Grounding Connector End Views
Headlamp Grounding Relay and Flash-to-Pass Switch
Headlamp Grounding Relay and Flash-to-Pass Switch
Headlamp Grounding Relay and Flash-to-Pass Switch
Headlamp Switch, Ambient Light Sensor and BCM
Headlamp Grounding Relay and Flash-to-Pass Switch
Headlamp Grounding Relay and Flash-to-Pass Switch
G102
Figure
3:
Headlamp Grounding Relay and Flash-to-Pass Switch
Lighting Systems Components
Headlights Circuit Description
DRL and Headlamp Power Relays
Power and Grounding Connector End Views
STUD 2, ABS and TBC Fuses
B+ Bus Bar
Park, Marker, License and Turn Signal Lamps (Rear)
Headlamp Switch, Ambient Light Sensor and BCM
Handling ESD Sensitive Parts Notice
DRL and Headlamp Power Relays
G200, G201 and G207
DRL and Headlamp Power Relays
Body Control System Connector End Views
Handling ESD Sensitive Parts Notice