GM Service Manual Online
For 1990-2009 cars only
Makes
🢒
Isuzu
🢒
2000
🢒
S/T Isuzu - 2WD
🢒
Body and Accessories
🢒
Lighting Systems
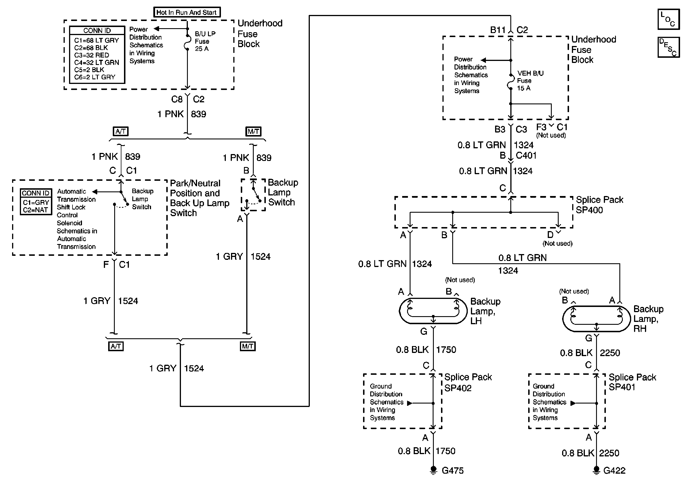
🢒 Backup Lamp Schematics
Lighting Systems Components
Backup Lamp Circuit Description
IGN C, IGN A Fuses and Ignition and Start Switch
Power and Grounding Connector End Views
Shift Lock Control Connector End Views
Auto Trans Shift Lock Control Schematics
B/U LP, VEH B/U and BTSI Fuses
G402, G422 and G475
G402, G422 and G475