GM Service Manual Online
For 1990-2009 cars only
Makes
🢒
Isuzu
🢒
2000
🢒
S/T Isuzu - 2WD
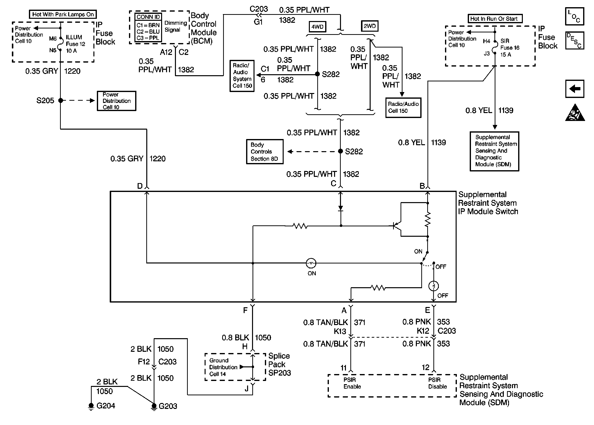
🢒 Cell 47: IP Module Switch
Cell 47: IP Module Switch
Cell 47: IP Module Switch
Cell 10: PARK LP, ILLUM Fuses and Park Lamp, Headlamp Grounding Relays
Body Control System Connector End Views
Cell 10: ILLUM Fuse Power
Cell 150: ILLUM, RDO IGN and RDO BATT Fuses and VSS Signal
Cell 51: VCM, PCM, and Data Link Connector
Cell 14: G203 and G204
Cell 47: Power, Ground, DLC and Sensors
Cell 150: ILLUM, RDO IGN and RDO BATT Fuses and VSS Signal
Cell 10: TURN, SIR and GAUGES Fuses
SRS Components
SRS Component Description and Definitions
Cell 47: Seat Belt Switch, Steering Wheel and IP Module
SRS Service Precautions