GM Service Manual Online
For 1990-2009 cars only
Makes
🢒
Isuzu
🢒
2000
🢒
S/T Isuzu - 2WD
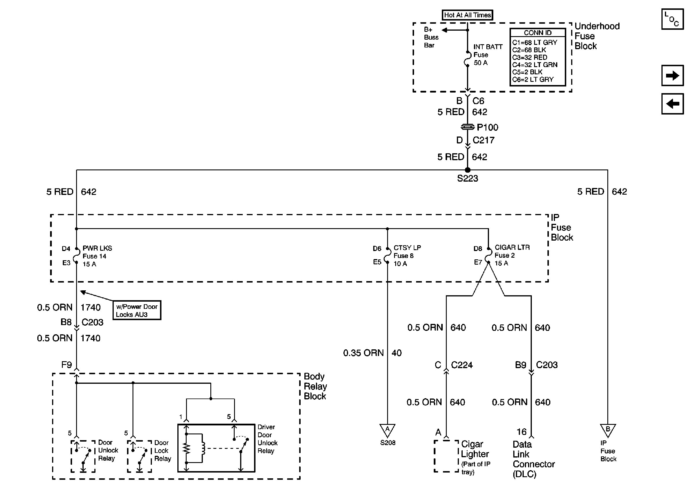
🢒 INT BATT, PWR LKS, CTSY LP and CIGAR LTR Fuses
INT BATT, PWR LKS, CTSY LP and CIGAR LTR Fuses
INT BATT, PWR LKS, CTSY LP and CIGAR LTR Fuses
Power and Grounding Components
AUX PWR, RDO BATT, HDLP SW Fuses and Inadvertent Power Lamp Relay
STUD 2, ABS and TBC Fuses
B+ Bus Bar
Power and Grounding Connector End Views
AUX PWR, RDO BATT, HDLP SW Fuses and Inadvertent Power Lamp Relay
AUX PWR, RDO BATT, HDLP SW Fuses and Inadvertent Power Lamp Relay