GM Service Manual Online
For 1990-2009 cars only
Makes
🢒
Isuzu
🢒
2000
🢒
S/T Isuzu - 2WD
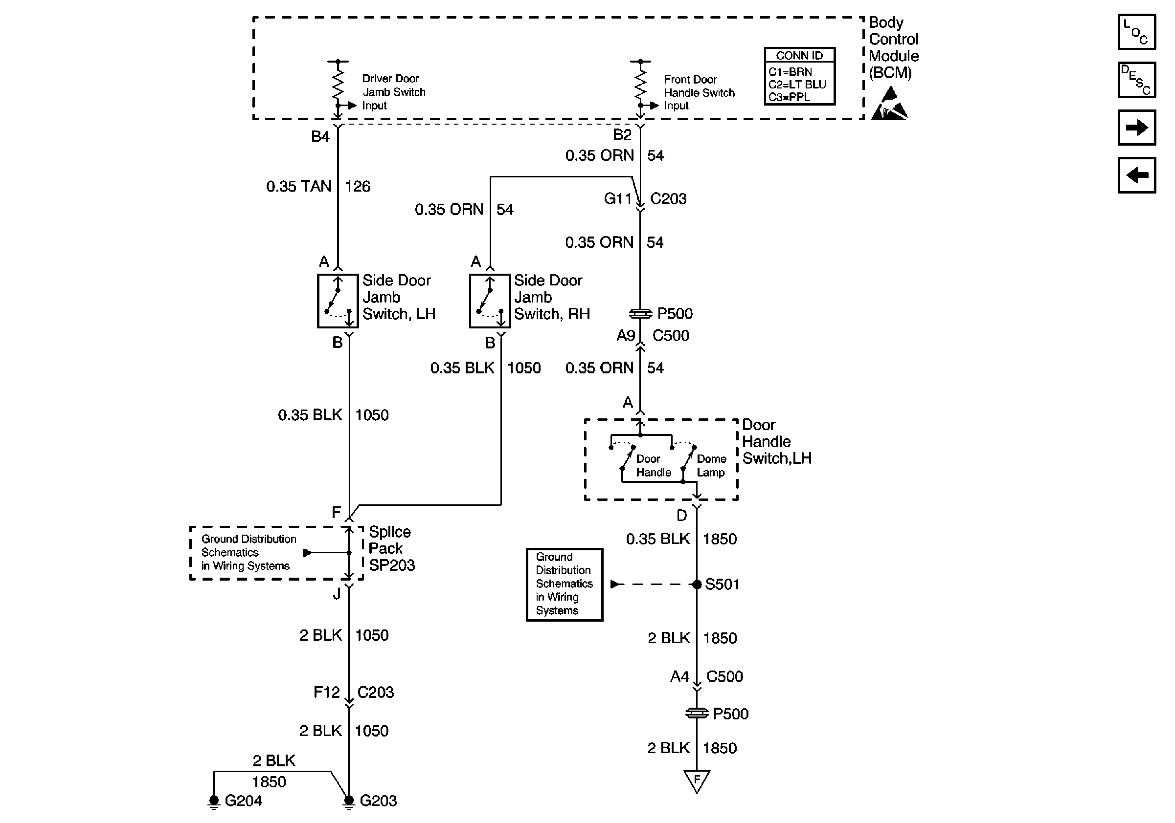
🢒 Front Door Jamb Switches and Door Handle Switch, LH
Front Door Jamb Switches and Door Handle Switch, LH
Front Door Jamb Switches and Door Handle Switch, LH
Lighting Systems Components
Interior Lights Circuit Description
Inadvertent Power Relay, IP Compartment and Underhood Lamps
CTSY LP Fuse, Courtesy Lamp Relay and Courtesy Lamps
Body Control System Connector End Views
Handling ESD Sensitive Parts Notice
G203 and G204
G202
Inside Rear View Mirror and Visor Vanity Mirror Lamps