GM Service Manual Online
For 1990-2009 cars only
Makes
🢒
Isuzu
🢒
1999
🢒
S/T Isuzu - 4WD
🢒
Body and Accessories
🢒
Lighting Systems
🢒 Interior Lights Dimming Schematics
Figure
1:
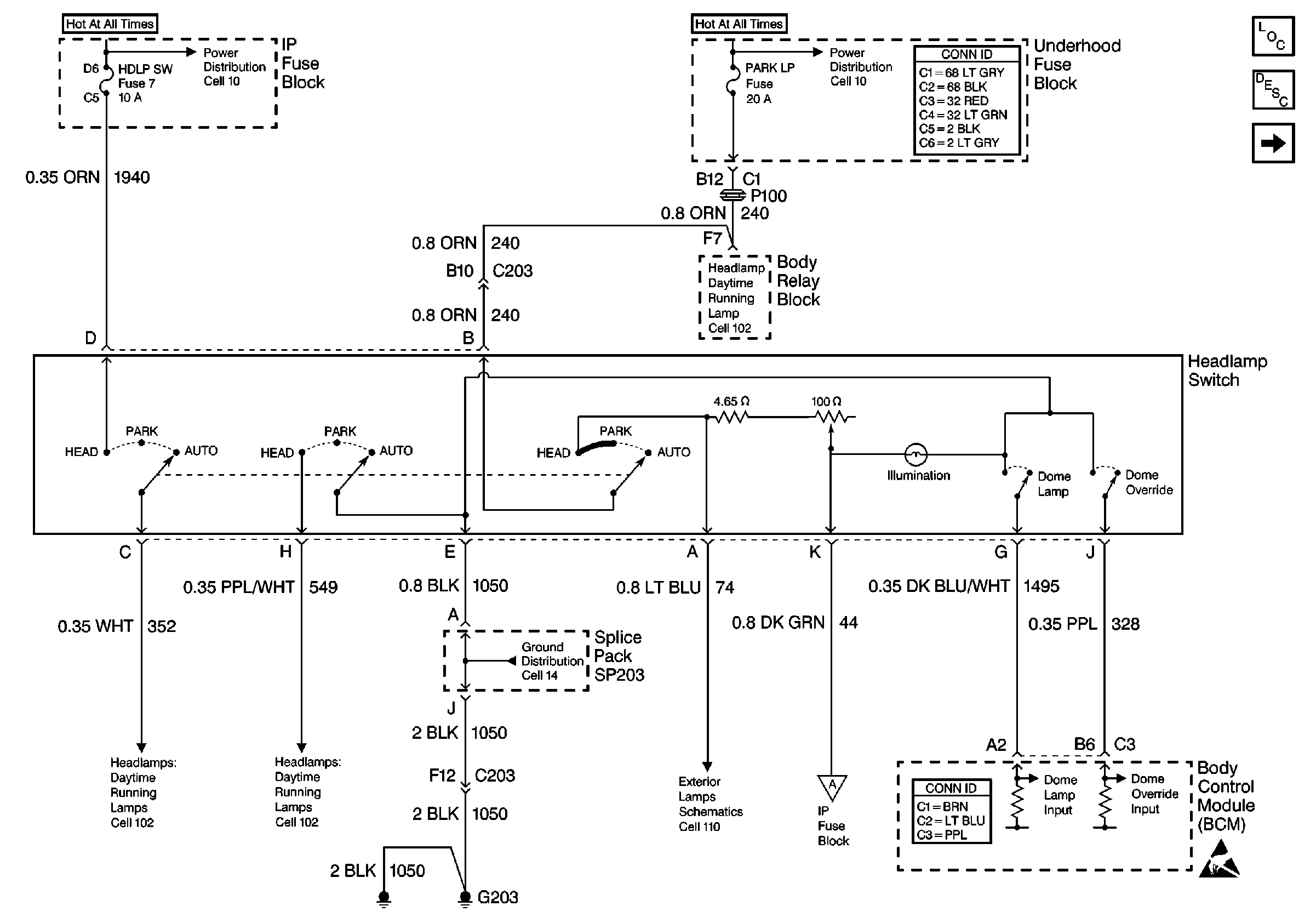
Cell 117: Headlamp Switch
Cell 10: AUX PWR, RDO BAT, HDLP SW Fuses and Inadvertent Power Lamp Relay
Cell 10: PARK LP, ILLUM Fuses and Park Lamp, Headlamp Grounding Relays
Power and Grounding Connector End Views
Lighting Systems Components
Interior Lights Dimming Circuit Description
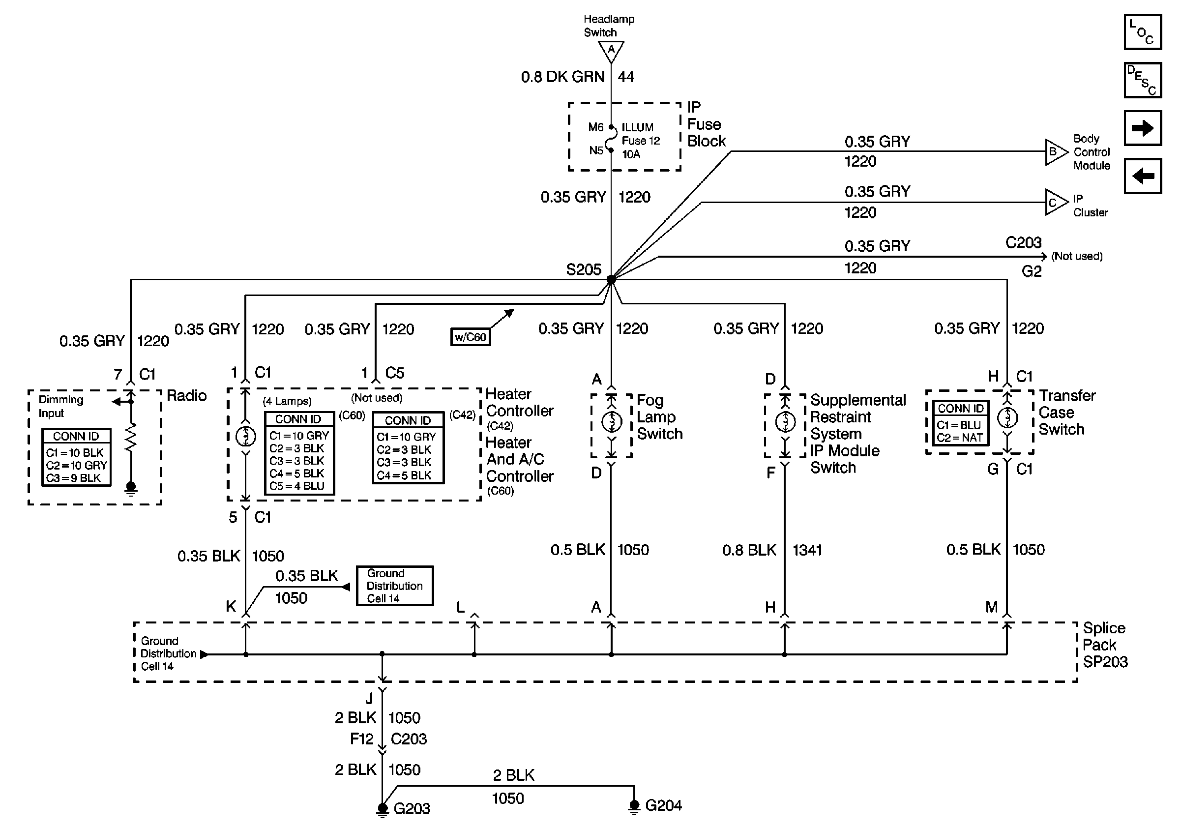
Cell 117: ILLUM Fuse 12
Cell 102: Headlamp Grounding Relay and Flash-To-Pass Switch
Cell 102: Headlamp Switch, Ambient Light Sensor and BCM
Cell 102: Headlamp Switch, Ambient Light Sensor and BCM
Cell 14: G203 and G204
Cell 110: PARK LP Fuse and Park Lamp Relay
Cell 117: ILLUM Fuse 12
Body Control System Connector End Views
Handling ESD Sensitive Parts Notice
Figure
2:
Cell 117: ILLUM Fuse 12
Cell 117: Headlamp Switch
Cell 117: Instrument Cluster and BCM
Cell 117: Instrument Cluster and BCM
Lighting Systems Components
Interior Lights Dimming Circuit Description
Cell 117: Instrument Cluster and BCM
Cell 117: Headlamp Switch
Entertainment Connector End Views
HVAC Connector End Views
Heater Blower Controls Connector End Views
Transfer Case Control Connector End Views
Cell 14: G203 and G204
Cell 14: G203 and G204
Figure
3:
Cell 117: Instrument Cluster and BCM
Cell 117: ILLUM Fuse 12
Cell 117: ILLUM Fuse 12
Lighting Systems Components
Interior Lights Dimming Circuit Description
Cell 117: ILLUM Fuse 12
Cell 14: G203 and G204
Body Control System Connector End Views
Handling ESD Sensitive Parts Notice