GM Service Manual Online
For 1990-2009 cars only
Makes
🢒
Isuzu
🢒
1999
🢒
S/T Isuzu - 4WD
🢒
Body and Accessories
🢒
Horns
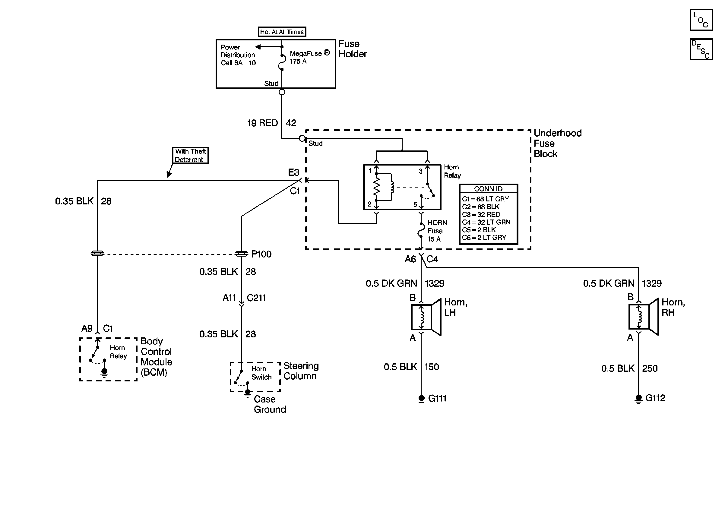
🢒 Horn Schematics
Cell 40
Cell 10: B+ Buss Bar
Power and Grounding Connector End Views
Horns Components
Horns Circuit Description