GM Service Manual Online
For 1990-2009 cars only
Makes
🢒
Isuzu
🢒
1999
🢒
S/T Isuzu - 4WD
🢒
Body and Accessories
🢒
Doors
🢒 Outside Rearview Mirror Schematics
Figure
1:
Cell 147: Outside Rear View Mirrors
Power Door Systems Components
Outside Mirrors Circuit Description
Cell 147: Outside Rear View Mirror Switch
Cell 10: RAP, IGN B Fuses and Ignition Switch
Cell 10: IGN E, RDO IGN Fuses and Power Window Circuit Breaker
Power and Grounding Connector End Views
HVAC Connector End Views
Cell 117: ILLUM Fuse 12
Cell 14: G203 and G204
Handling ESD Sensitive Parts Notice
Cell 14: G202
Cell 14: G205 and G206
Cell 14: G205 and G206
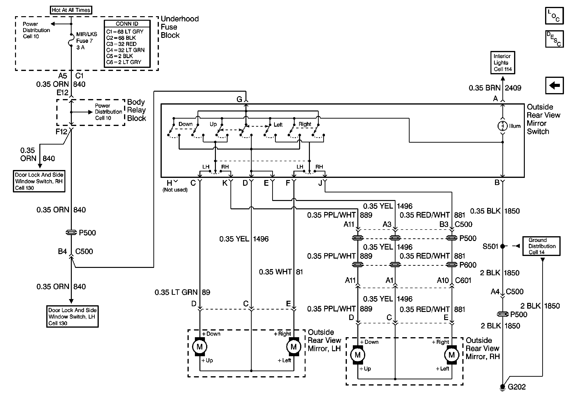
Figure
2:
Cell 147: Outside Rear View Mirror Switch
Cell 10: MIR/LKS and FOG LP Fuses
Power and Grounding Connector End Views
Cell 10: MIR/LKS and FOG LP Fuses
Cell 130: Relay Control and Door Lock Actuators
Cell 130: Relay Control and Door Lock Actuators
Cell 14: G202
Cell 114: Inside Rear View Mirror and Sunshade Mirror Lamps
Power Door Systems Components
Outside Mirrors Circuit Description
Cell 147: Outside Rear View Mirrors