GM Service Manual Online
For 1990-2009 cars only
Makes
🢒
Isuzu
🢒
1999
🢒
S/T Isuzu - 4WD
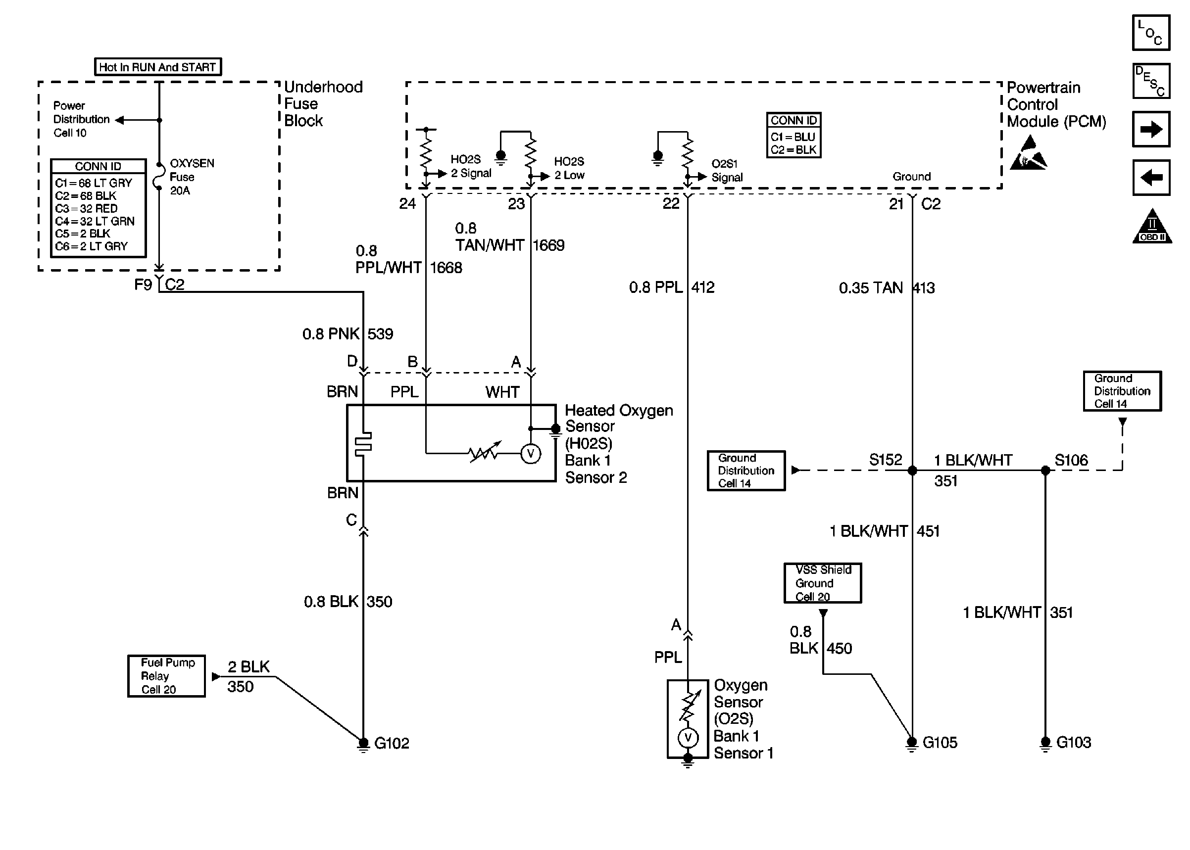
🢒 Cell 20: Oxygen Sensors
Cell 20: Oxygen Sensors
Cell 20: Oxygen Sensors
Cell 10: IGN C, IGN A Fuses and Ignition Switch
Powertrain Control Module Connector End Views
Handling ESD Sensitive Parts Notice
Engine Controls Components
Powertrain Control Module Description
Cell 20: EGR Valve, EVAP and IAC Controls
Cell 20: MAP, IAT, TPS and ECT Sensors
OBD II Symbol Description Notice
Cell 14: G103 and G105 (2.2L)
Cell 14: G103 and G105 (2.2L)
Cell 20: Vehicle Speed Sensor Signal
Cell 20: Fuel Injectors and Fuel Pump
Power and Grounding Connector End Views