GM Service Manual Online
For 1990-2009 cars only
Makes
🢒
Isuzu
🢒
1999
🢒
S/T Isuzu - 4WD
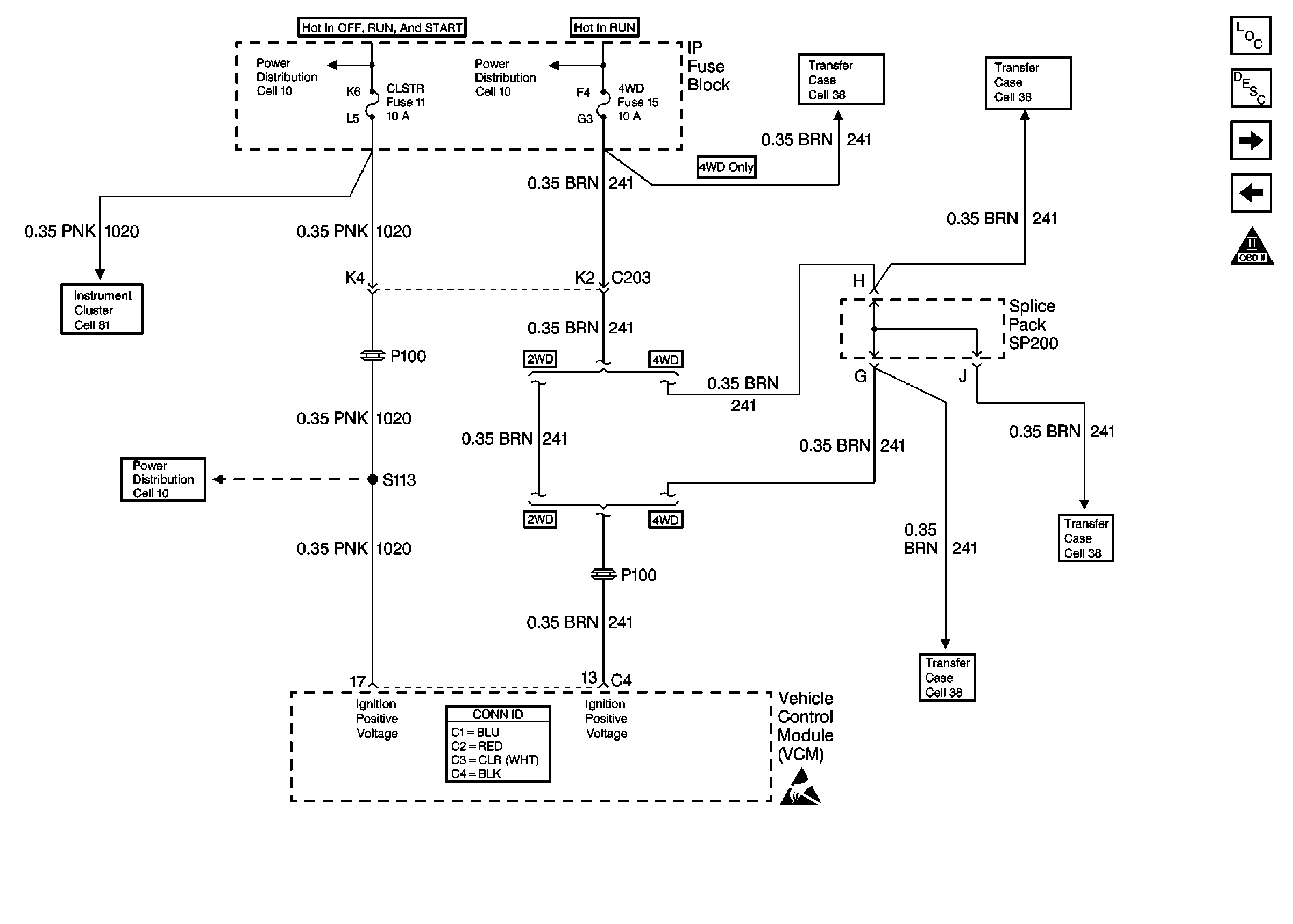
🢒 Cell 21: VCM, CLSTR and 4WD Fuses
Cell 21: VCM, CLSTR and 4WD Fuses
Cell 21: VCM, CLSTR and 4WD Fuses
Cell 81: Power
Cell 10: CRANK and CLSTR Fuses
Cell 10: CRANK and CLSTR Fuses
Cell 10: 4WD Fuse
Cell 38: Power, Transfer Case Select Switch and Body Control Module(BCM)
Cell 38: Power, Front Axle Switch and Vehicle Control Module (VCM)
VCM Connector End Views
Handling ESD Sensitive Parts Notice
Cell 38: Power, Front Axle Switch and Vehicle Control Module (VCM)
Cell 38: Power, Front Axle Switch and Vehicle Control Module (VCM)
Engine Controls Components
Vehicle Control Module Description
Cell 21: Data Link Connector
Cell 21: ECM B, ECM I and RDO BATT Fuses, GND, Generator and MIL
OBD II Symbol Description Notice