GM Service Manual Online
For 1990-2009 cars only
Makes
🢒
Isuzu
🢒
1999
🢒
S/T Isuzu - 4WD
🢒 Cell 138
Cell 138
Cell 138
Cell 10: B/U LP, VEH B/U and BTSI Fuses
Power and Grounding Connector End Views
Tilt Wheel/Column Connector End Views
Cell 10: B/U LP, VEH B/U and BTSI Fuses
Cell 38: Power, Front Axle Switch and Vehicle Control Module (VCM)
Cell 14: G200, G201 and G207
Tilt Wheel/Column Components
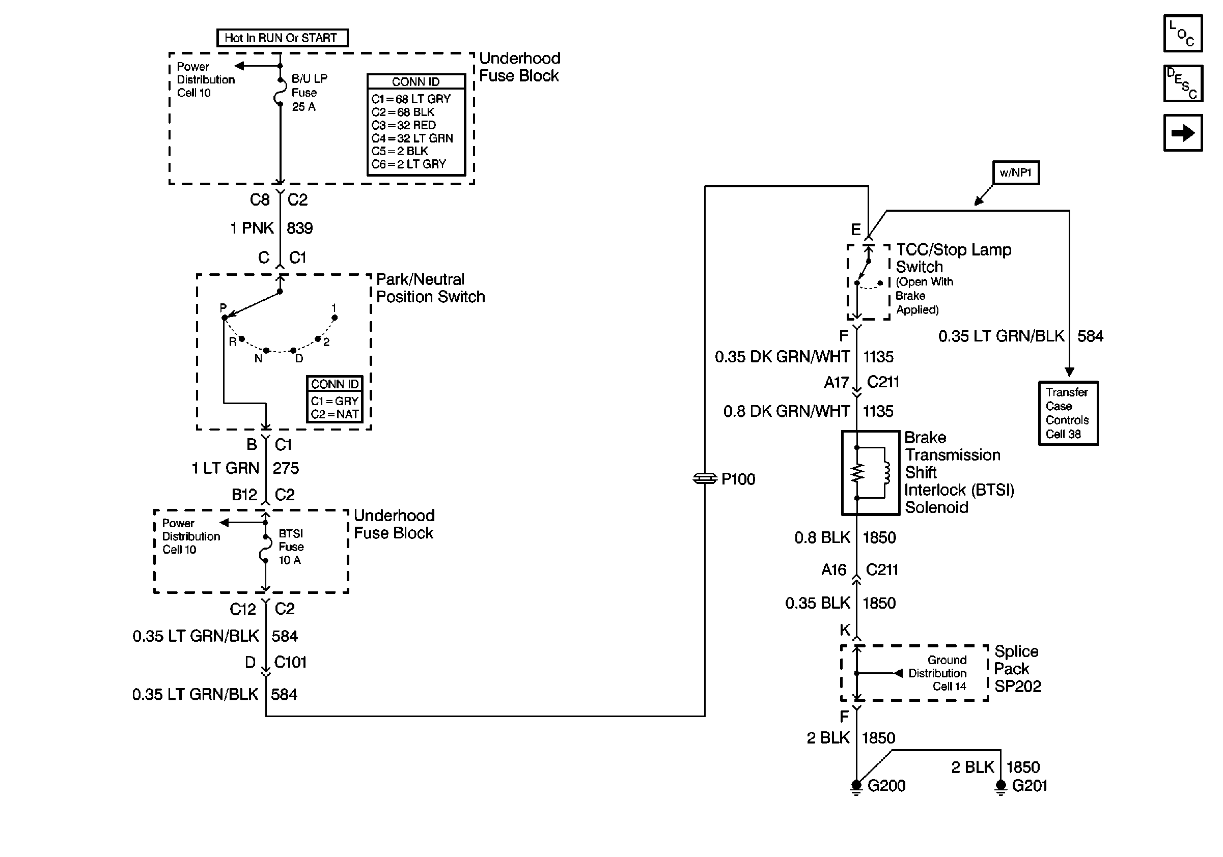
Automatic Transmission Shift Lock Control Circuit Description