GM Service Manual Online
For 1990-2009 cars only
Makes
🢒
Oldsmobile
🢒
1998
🢒
Achieva
🢒
Engine
🢒
Engine Electrical
🢒 Starting and Charging Schematics
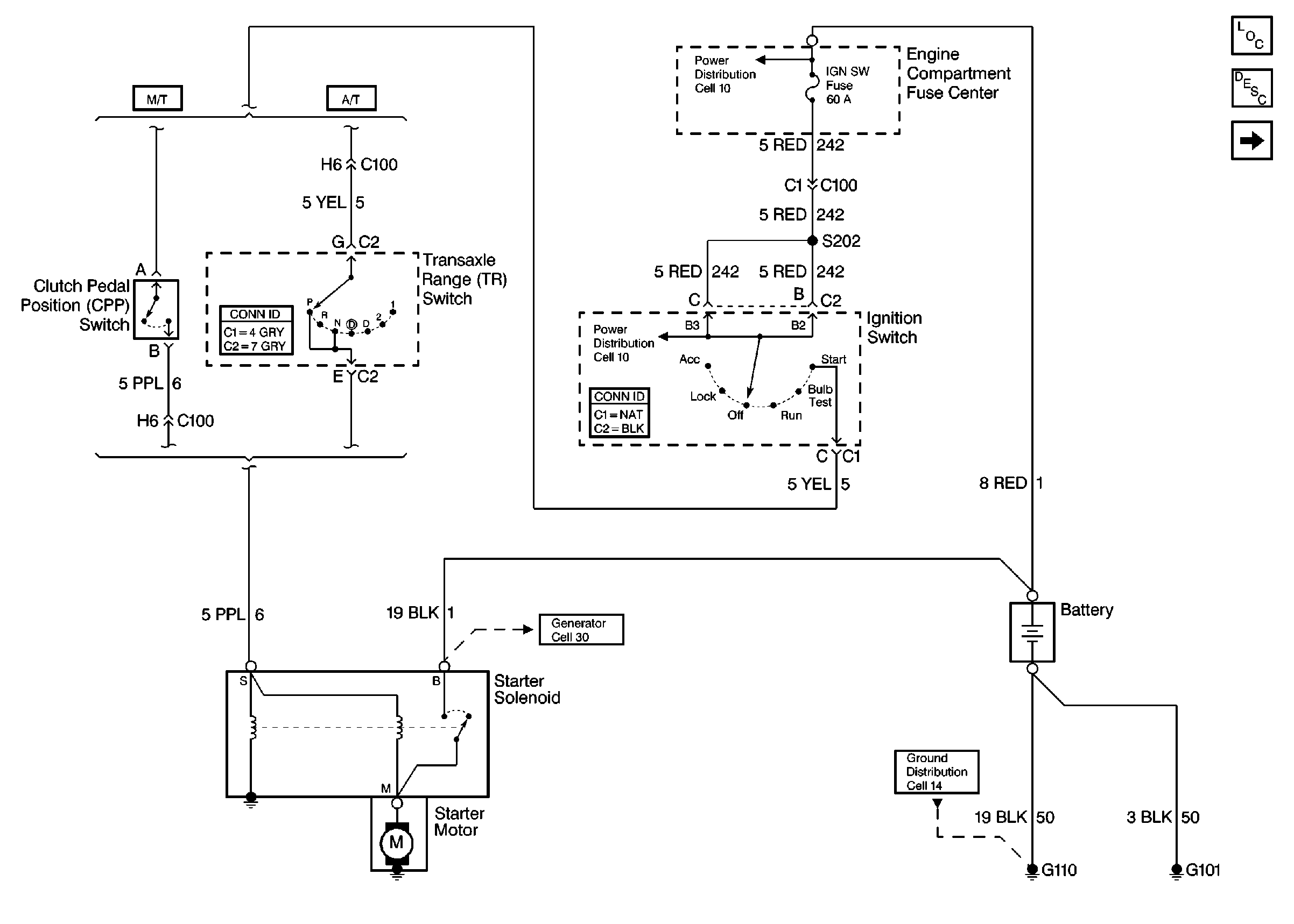
Figure
1:
Cell 30: Starting System
Engine Electrical Components
Starting System Circuit Description
Cell 30: Charging System
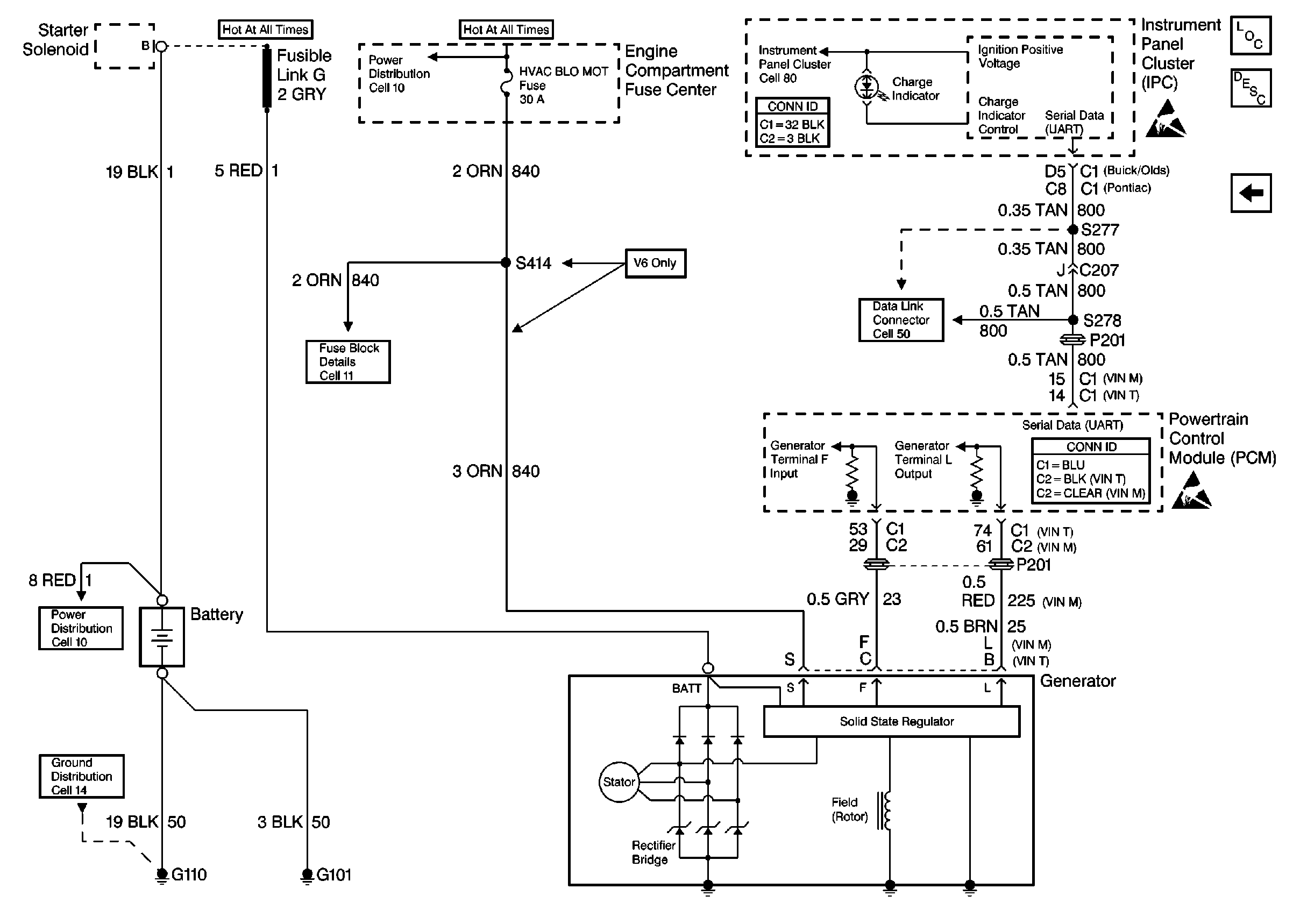
Figure
2:
Cell 30: Charging System
Engine Electrical Components
Charging System Circuit Description
Cell 30: Starting System
Handling Electrostatic Discharge Sensitive Parts Notice
Handling Electrostatic Discharge Sensitive Parts Notice