GM Service Manual Online
For 1990-2009 cars only
Figure 1:

Power, Ground, MIL, and DLC


Object Number: 184661  Size: FS
Engine Controls Components
Information Sensors/Switches Description
Ignition Controls
OBDII Symbol Description Notice
Handling Electrostatic Discharge Sensitive Parts Notice
Handling Electrostatic Discharge Sensitive Parts Notice
Figure 2:

Ignition Controls


Object Number: 184686  Size: FS
Engine Controls Components
Information Sensors/Switches Description
Fuel Controls
Power, Ground, MIL, and DLC
OBDII Symbol Description Notice
Handling Electrostatic Discharge Sensitive Parts Notice
Figure 3:

Fuel Controls


Object Number: 184689  Size: FS
Engine Controls Components
Information Sensors/Switches Description
Fuel Injectors
Ignition Controls
OBDII Symbol Description Notice
Handling Electrostatic Discharge Sensitive Parts Notice
Figure 4:

Fuel Injectors


Object Number: 184690  Size: FS
Engine Controls Components
Information Sensors/Switches Description
Engine Data Sensors
Fuel Controls
OBDII Symbol Description Notice
Handling Electrostatic Discharge Sensitive Parts Notice
Figure 5:

Engine Data Sensors


Object Number: 184703  Size: FS
Engine Controls Components
Information Sensors/Switches Description
EVAP and EGR Controls
Fuel Injectors
OBDII Symbol Description Notice
Handling Electrostatic Discharge Sensitive Parts Notice
Handling Electrostatic Discharge Sensitive Parts Notice
Figure 6:

EVAP and EGR Controls


Object Number: 184713  Size: FS
Engine Controls Components
Information Sensors/Switches Description
Oxygen Sensors
Engine Data Sensors
OBDII Symbol Description Notice
Handling Electrostatic Discharge Sensitive Parts Notice
Figure 7:

Oxygen Sensors


Object Number: 184709  Size: FS
Engine Controls Components
Information Sensors/Switches Description
IAC Valve, Generator, TR, Oil, and Coolant Switches
EVAP and EGR Controls
OBDII Symbol Description Notice
Handling Electrostatic Discharge Sensitive Parts Notice
Figure 8:

IAC Valve, Generator, TR, Oil, and Coolant Switches


Object Number: 184694  Size: FS
Engine Controls Components
Information Sensors/Switches Description
VSS and Cruise Control
Oxygen Sensors
OBDII Symbol Description Notice
Handling Electrostatic Discharge Sensitive Parts Notice
Figure 9:

VSS and Cruise Control


Object Number: 184699  Size: FS
Engine Controls Components
Information Sensors/Switches Description
Transaxle Controls
IAC Valve, Generator, TR, Oil, and Coolant Switches
OBDII Symbol Description Notice
Handling Electrostatic Discharge Sensitive Parts Notice
Handling Electrostatic Discharge Sensitive Parts Notice
Handling Electrostatic Discharge Sensitive Parts Notice
Handling Electrostatic Discharge Sensitive Parts Notice
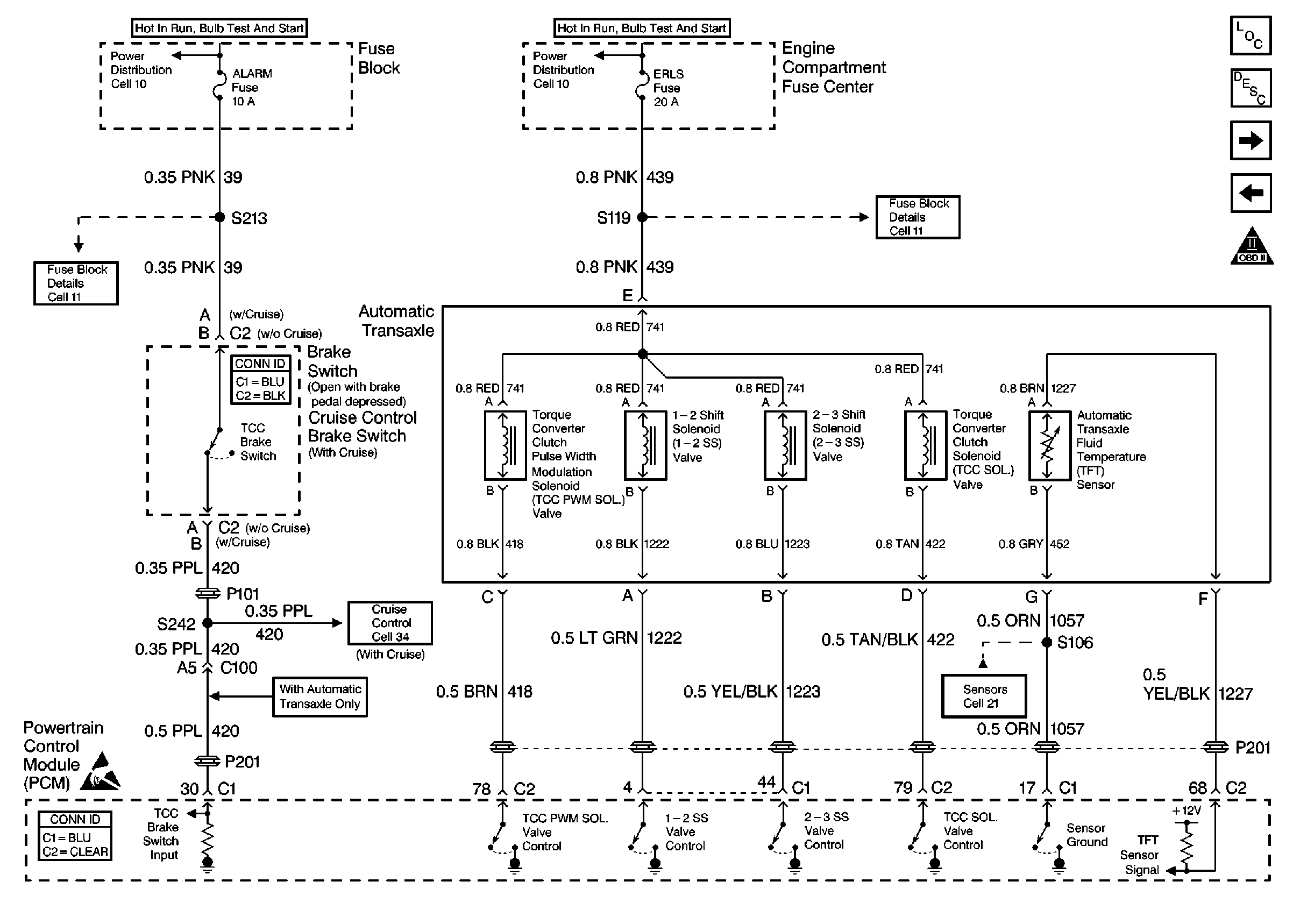
Figure 10:

Transaxle Controls


Object Number: 184696  Size: FS
Engine Controls Components
Information Sensors/Switches Description
A/C Controls
VSS and Cruise Control
OBDII Symbol Description Notice
Handling Electrostatic Discharge Sensitive Parts Notice
Figure 11:

A/C Controls


Object Number: 184697  Size: FS
Engine Controls Components
Information Sensors/Switches Description
Cooling Fan Controls
Transaxle Controls
OBDII Symbol Description Notice
Handling Electrostatic Discharge Sensitive Parts Notice
Figure 12:

Cooling Fan Controls


Object Number: 184702  Size: FS
Engine Controls Components
Information Sensors/Switches Description
A/C Controls
OBDII Symbol Description Notice
Handling Electrostatic Discharge Sensitive Parts Notice