GM Service Manual Online
For 1990-2009 cars only

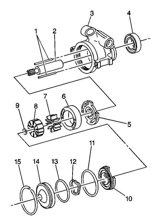
End Plate and Rotating Group Replacement Belt Drive

Disassembly Procedure

Tools Required

J 7728 Shaft Oil Seal Installer


    Object Number: 502232  Size: SH
  1. Remove the retaining ring (2) by using a punch (1) in the access hole (3).

  2. Object Number: 502227  Size: MH
  3. Remove the following internal components from the pump housing (3) by gently pushing on the drive shaft (2):
  4. 2.1. The pressure plate sub-assembly which consists of the following parts:
       • The end cover (14)
       • The O-ring seal (13)
       • The pressure plate spring (12)
       • The pressure plate (10)
    2.2. The drive shaft sub-assembly which consists of the following parts:
       • The pump rotor (8)
       • The thrust plate (5)
       • The drive shaft (2)
       • The shaft retaining ring (9)
       • The pump ring (6) and the vanes (7)
  5. Remove the O-ring (11) from the pump housing (3)
  6. Remove the dowel pins (1).
  7. Remove the drive shaft seal (4).
  8. Remove the following components from the pressure plate (10):
  9. 6.1. The end cover (14)
    6.2. The pressure plate spring (12)
    6.3. The O-ring (13)
  10. Remove the following components from the drive shaft (2):
  11. 7.1. The shaft retaining ring (9)
    7.2. The pump rotor (8)
    7.3. The thrust plate (5)
  12. Clean all the parts in power steering fluid. Dry the parts thoroughly.
  13. Inspect the following components for scoring, pitting or chatter marks. Replace the components as needed:
  14. • The pressure plate
    • The pump ring
    • The rotor
    • The vanes
    • The thrust plate
    • The drive shaft

Assembly Procedure


    Object Number: 502227  Size: MH
  1. Lubricate the new drive shaft seal (4) with power steering fluid.
  2. Install the drive shaft seal (4) into the pump housing (3) using J 7728 .
  3. Install the pump ring dowel pins (1) into the pump housing (3).
  4. Install the following components onto the drive shaft (2):
  5. 4.1. The thrust plate (5)
    4.2. The pump rotor (8)
    4.3. A new shaft retaining ring (9)
  6. Install the drive shaft sub-assembly into the pump housing (3).
  7. Install the vanes (7) into the pump rotor (8).
  8. Install the pump ring (6) in the pump housing (3). Be sure to position the holes in the pump ring (6) correctly onto the dowel pins (1).
  9. Lubricate a new O-ring (11) with power steering fluid.
  10. Install the O-ring (11) into the groove in the pump housing (3).
  11. Install the pressure plate (10).
  12. Install the pressure plate spring (12).
  13. Lubricate a new O-ring (13) with power steering fluid.
  14. Install the O-ring (13) into the end cover (14).
  15. Lubricate the outer edge of the end cover (14) with power steering fluid.
  16. Press the end cover (14) into the pump housing (3).

  17. Object Number: 502271  Size: SH
  18. Install the retaining ring (4) into the groove in the pump housing (2) with the ring opening (1) near the access hole (3).

End Plate and Rotating Group Replacement Direct Drive

Disassembly Procedure


    Object Number: 502514  Size: MH
  1. Remove the retaining ring (9) by using a punch in the access hole.
  2. Remove the following internal components from the pump housing (3) by gently pushing on the drive shaft (2):
  3. 2.1. The pressure plate sub-assembly which consists of the following parts:
       • The end cover (14)
       • The O-ring seal (13)
       • The pressure plate spring (12)
       • The pressure plate (10)
    2.2. The drive shaft sub-assembly which consists of the following parts:
       • The pump rotor (8)
       • The thrust plate (5)
       • The drive shaft (2)
       • The shaft retaining ring (9)
       • The pump ring (6) and the vanes (7)
  4. Remove the O-ring from the pump housing.
  5. Remove the dowel pins (1).
  6. Remove the following components from the pressure plate (10):
  7. 5.1. The end cover (14)
    5.2. The pressure plate spring (12)
    5.3. The O-ring (13)
  8. Remove the following components from the drive shaft (2):
  9. 6.1. The shaft retaining ring (9)
    6.2. The pump rotor (8)
    6.3. The thrust plate (5)
  10. Clean all the parts in power steering fluid. Dry the parts thoroughly.
  11. Inspect the following components for scoring, pitting or chatter marks. Replace the components as needed:
  12. • The pressure plate
    • The pump ring
    • The rotor
    • The vanes
    • The thrust plate
    • The drive shaft

Assembly Procedure


    Object Number: 502514  Size: MH
  1. Install the pump ring dowel pins (1) into the pump housing (3).
  2. Install the following components onto the drive shaft (2):
  3. 2.1. The thrust plate (5)
    2.2. The pump rotor (8)
    2.3. A new shaft retaining ring (9)
  4. Install the drive shaft sub-assembly into the pump housing (3).
  5. Install the pump ring (6) in the pump housing (3). Be sure to position the holes in the pump ring (6) correctly onto the dowel pins (1).
  6. Install the vanes (7) into the pump rotor (8).
  7. Lubricate a new O-ring (11) with power steering fluid.
  8. Install the O-ring (11) into the groove in the pump housing (3).
  9. Install the pressure plate (10).
  10. Install the pressure plate spring (12).
  11. Lubricate a new O-ring (13) with power steering fluid.
  12. Install the O-ring (13) into the end cover (14).
  13. Lubricate the outer edge of the end cover (14) with power steering fluid.
  14. Press the end cover (14) into the pump housing (3).

  15. Object Number: 502585  Size: SH

    Important: The retaining ring opening (3) must be located next to the mounting boss.

  16. Install the retaining ring (1) into the groove in the pump housing with the ring opening near the access hole (2).