GM Service Manual Online
For 1990-2009 cars only
Makes
🢒
Oldsmobile
🢒
1998
🢒
Achieva
🢒
Steering
🢒
Steering Wheel and Column - Standard
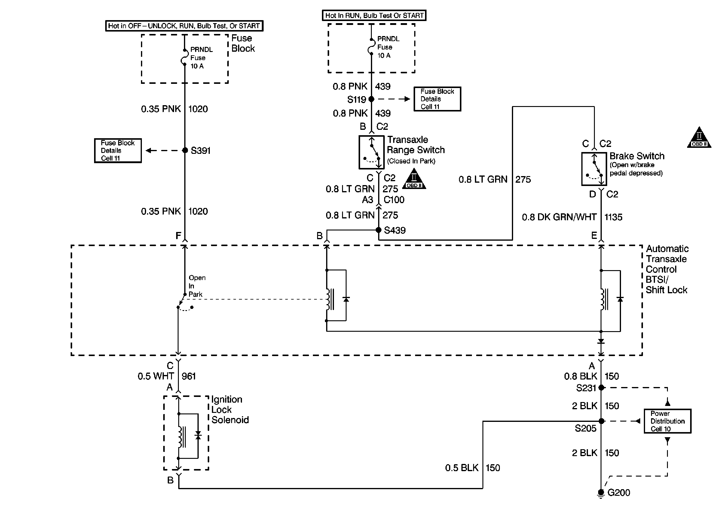
🢒 Shift Lock Control Schematics
Figure
1:
Cell 138: All with Center Console
Figure
2:
Cell 138: Buick without Center Console