GM Service Manual Online
For 1990-2009 cars only

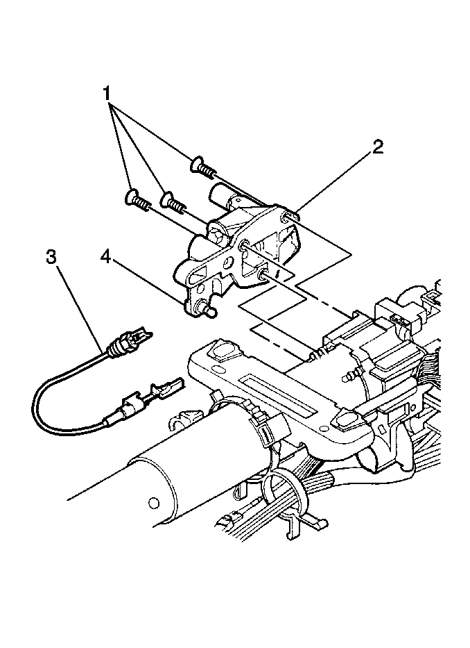
Removal Procedure

Tools Required

    • J 41352 Modular Column Holding Fixture
    • J 41396 Park Lock Cable Pliers

    Object Number: 440050  Size: MH

    Important: The linear shift assembly may be removed as an assembly or certain components may be disassembled as necessary in order to make repairs. Remove or disassemble only those components necessary in order to make repairs.

  1. Remove the transaxle cable from the lower shift cable ball stud (4) on the cable shaft cam assembly.
  2. Remove the three flat head 6-lobed socket tap screws (1). Set the shift column to NEUTRAL in order to gain access to the lower socket tap screw.
  3. Remove the linear shift assembly (2) from the column.

Disassembly Procedure


    Object Number: 441873  Size: SH
  1. Remove the hexagon flanged head bolt (7).
  2. Remove the ball and actuator assembly (1).

  3. Object Number: 440056  Size: SH
  4. Remove the pop off locking tab (4) on the park lock cable assembly (3).

  5. Object Number: 441873  Size: SH
  6. Lift up on the shift gate and rotate the shift lever clevis (4).
  7. Remove the clevis from the gearshift lever assembly support bracket (5).
  8. Remove the park lock cable assembly (7) from the gearshift lever support bracket (5).
  9. Remove the retaining clip.
  10. Pry the transaxle shift cable from the lower ball stud on the cable shift cam assembly (2).
  11. Remove the hexagon flange head bolt (7).
  12. Remove the cable shift cam assembly.
  13. Remove the cam bushing (6) from the cable shift cam assembly (2).

Assembly Procedure


    Object Number: 441873  Size: SH
  1. Lubricate all the moving parts of the assembly with synthetic grease.
  2. Install the cam bushing (6) into the cable shift cam assembly (2).
  3. Install the cable shift cam assembly (2).
  4. Notice: Use the correct fastener in the correct location. Replacement fasteners must be the correct part number for that application. Fasteners requiring replacement or fasteners requiring the use of thread locking compound or sealant are identified in the service procedure. Do not use paints, lubricants, or corrosion inhibitors on fasteners or fastener joint surfaces unless specified. These coatings affect fastener torque and joint clamping force and may damage the fastener. Use the correct tightening sequence and specifications when installing fasteners in order to avoid damage to parts and systems.

  5. Install the hexagon flange head bolt (7).
  6. Tighten
    Tighten the hexagon flange head bolt to 18 N·m (14 lb ft).

  7. Install the transaxle shift cable to the lower ball stud on the cable shift cam assembly (2).
  8. Install the park lock cable assembly to the gearshift lever assembly support bracket (5).
  9. Install the retaining clip.
  10. Install the shift lever clevis (4) and the shift gate to the gearshift lever assembly support bracket (5).
  11. Install the ball and the actuator assembly (1).
  12. Install the hexagon flanged head bolt (7).

Installation Procedure


    Object Number: 440050  Size: MH
  1. Install the linear shift assembly (2) to the column.
  2. Notice: Use the correct fastener in the correct location. Replacement fasteners must be the correct part number for that application. Fasteners requiring replacement or fasteners requiring the use of thread locking compound or sealant are identified in the service procedure. Do not use paints, lubricants, or corrosion inhibitors on fasteners or fastener joint surfaces unless specified. These coatings affect fastener torque and joint clamping force and may damage the fastener. Use the correct tightening sequence and specifications when installing fasteners in order to avoid damage to parts and systems.

  3. Install the 3  flat head 6-lobed socket tap screws (1). Do NOT set the shift column to PARK when you install the lower socket tap screw.
  4. Tighten
    Tighten the screws to 10 N·m (89 lb in).

  5. Install the transaxle cable to the lower shift cable ball stud (4) on the cable shift cam assembly.

  6. Object Number: 440056  Size: SH
  7. Adjust the park lock cable assembly by using the following procedure:
  8. 4.1. Route the cable from the shift assembly to the steering column housing assembly.
    4.2. Snap the connector body of the cable assembly into the housing with the key in the RUN position and the shift lever in the park detent.
    4.3. Fully engage the locking tab into the housing.
    4.4. Push and hold the cable sheath at the adjuster body toward the shifter assembly.
    4.5. Turn the key to the Off/Lock position and pull the key halfway out of the lock cylinder.
    4.6. Release the cable sheath.
    4.7. Allow the cable to reach equilibrium.
    4.8. Lock the cable adjuster.
  9. Inspect the park lock cable assembly using the following procedure:
  10. 5.1. Set the lock cylinder to the OFF/LOCK position.
    5.2. Ensure that the gear shift lever is not able to shift out of the PARK position.
    5.3. Insert the key and turn the key to the RUN position.
    5.4. Set the shifter to the NEUTRAL position.
    5.5. Ensure that the lock cylinder cannot be moved to the OFF/LOCK position.
    5.6. Set the shifter into the PARK position.
    5.7. Place the lock cylinder in the OFF/LOCK position and remove the key.