GM Service Manual Online
For 1990-2009 cars only
Makes
🢒
Oldsmobile
🢒
1998
🢒
Achieva
🢒
HVAC
🢒
HVAC Systems - Manual
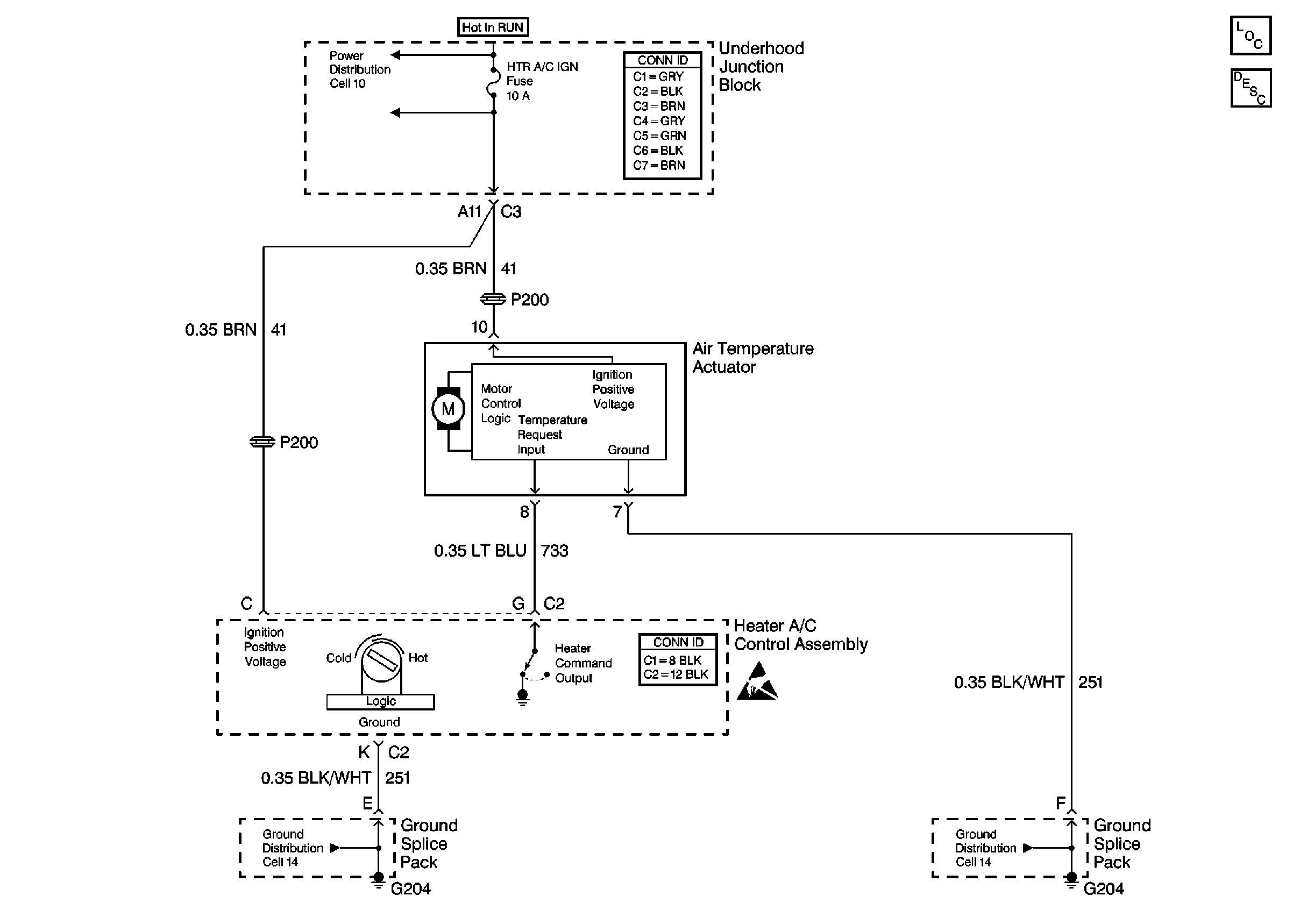
🢒 HVAC Air Delivery/Temperature Control Schematics
Cell 65
HVAC Components
HVAC Air Delivery/Temperature Control Circuit Description
Power Distribution Schematics
Ground Distribution Schematics
Ground Distribution Schematics
Handling ESD Sensitive Parts Notice