GM Service Manual Online
For 1990-2009 cars only
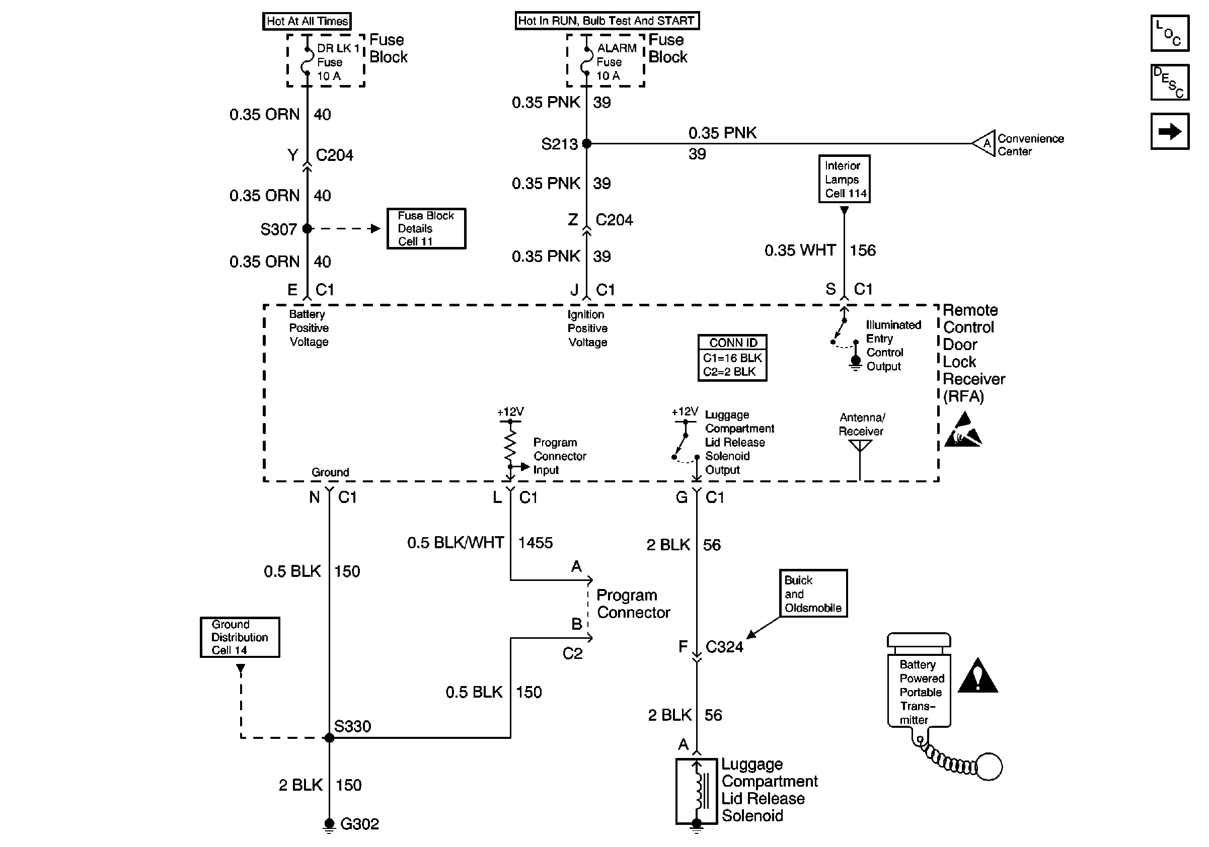
Figure 1:

Cell 132: Luggage Compartment Lid Release, Portable Transmitter, and Remote Control Door Lock Receiver


Object Number: 517999  Size: FS
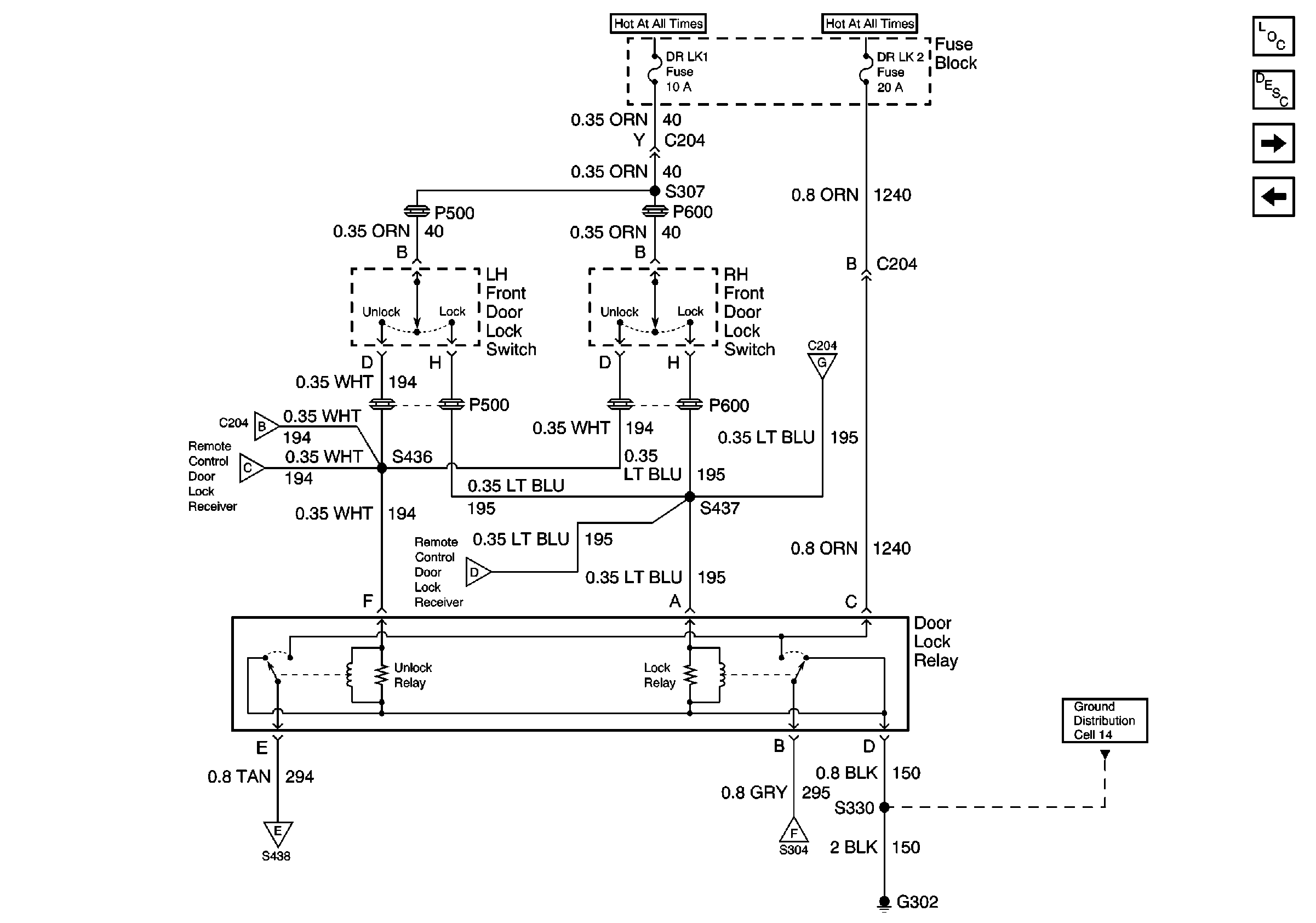
Figure 2:

Cell 132: Door Lock Motors


Object Number: 518002  Size: FS
Figure 3:

Cell 132: Door Lock Switches and Door Lock Relay


Object Number: 518004  Size: FS
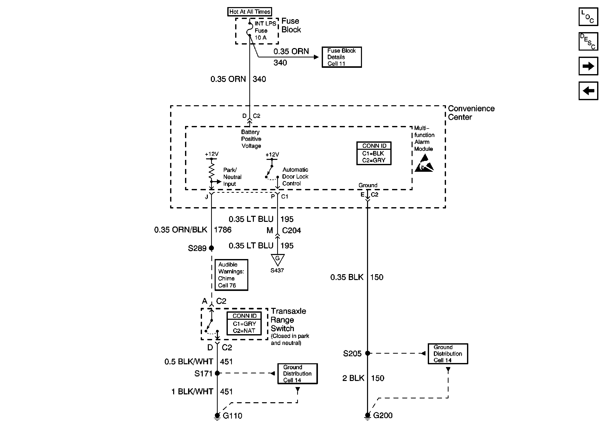
Figure 4:

Cell 132: Convenience Center (Multi-Function Alarm Module) and Transaxle Range Switch


Object Number: 518005  Size: FS
Figure 5:

Cell 132: Remote Control Door Lock Receiver with Manual Transaxle, and with Automatic Transaxle


Object Number: 518019  Size: FS