GM Service Manual Online
For 1990-2009 cars only

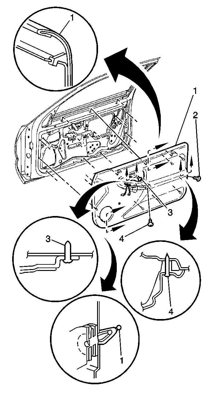
Door Trim Panel Replacement Front, Pontiac

Removal Procedure

Tools Required

J 38778 Door Trim Pad and Garnish Clip Remover


    Object Number: 382868  Size: LH
  1. Remove the front door upper trim panel (1) by gently prying at the side in order to disengage the tabs. Pull the panel rearward.
  2. Remove 2 screws from the bezel. Remove the front power door power lock/window switch bezel by prying under the rear edge of the bezel.
  3. Disconnect the wire harness connectors.
  4. Remove the manual lock slider knob by pulling outward in order to disengage the knob from the locking rod.
  5. Remove the door inside handle bezel. Pull the inside door handle to the open position and gently disengage by pulling the front of the bezel outward.
  6. Remove the reflector using a flat blade screwdriver.
  7. Remove the front door trim panel screw (2) from behind the reflector and the pull cup.
  8. Remove the window regulator handle, if applicable. Refer to Door Window Regulator Replacement .
  9. Remove the door panel retainers using J 38778 . Start at the bottom and gently pry inward, separating the trim from the inner, and disengaging all the retainers from the door inner.
  10. Remove the door trim panel (1) by lifting at the pull handle and applying pressure in the outboard direction just beneath the beltline. Disengage the trim panel beltline hooks from the door inner beltline slots by exerting pressure to the beltline at the upper front and by working rearward.
  11. Disengage the mirror switch from the bezel by pushing on the side of the mirror switch.

Installation Procedure


    Object Number: 382868  Size: LH
  1. Align the keyway on the mirror switch to the bezel. Grasp the mirror switch handle and pull towards the bezel until the bezel snaps in place.
  2. Install the door trim panel (1) by aligning the locator pins on the back of the trim to the door inner . Push the trim panel (1) close but just short of full engagement. Apply downward pressure at the trim panel beltline in order to set the upper beltline hooks.
  3. Align the fasteners to the retainer holes of the door inner panel. Engage the fasteners by applying pressure to the door trim panel.
  4. Install the window regulator handle, if applicable. Refer to Door Window Regulator Replacement .
  5. Install the front door trim panel screw (2) behind the reflector and the pull cup.
  6. Install the door inside handle bezel by inserting the door handle into the door handle opening.
  7. Insert the door inside handle bezel clips to the front end of the door trim panel (1) opening. Secure by applying pressure.
  8. Install the reflector by aligning the clips to the slots in the door trim panel (1). Secure by applying pressure.
  9. Install the manual lock slider knob by positioning the knob onto the locking rod and sliding rearward.
  10. Connect the wire harness connectors.
  11. Install the front door power lock and window switch and the bezel.
  12. Notice: Use the correct fastener in the correct location. Replacement fasteners must be the correct part number for that application. Fasteners requiring replacement or fasteners requiring the use of thread locking compound or sealant are identified in the service procedure. Do not use paints, lubricants, or corrosion inhibitors on fasteners or fastener joint surfaces unless specified. These coatings affect fastener torque and joint clamping force and may damage the fastener. Use the correct tightening sequence and specifications when installing fasteners in order to avoid damage to parts and systems.

  13. Install the front door upper trim by inserting the tabs to the retainers. Secure by applying pressure.
  14. Tighten
    Tighten the screw to 1.3 N·m (11.5 lb in).

Door Trim Panel Replacement Front, Oldsmobile

Removal Procedure

Tools Required

J 38778 Door Trim Pad and Garnish Clip Remover


    Object Number: 382866  Size: LH
  1. Remove the front door upper trim panel (1) by gently prying at the side in order to disengage the tabs. Pull the panel rearward.
  2. Remove the front left door power lock and the window switch bezel by engaging a small flat blade screwdriver to the spring clip under the rear of the bezel.
  3. Remove the power door lock switch.
  4. Disconnect the wire harness connectors.
  5. Remove the manual lock slider knob by pulling outward in order to disengage the knob from the locking rod.
  6. Remove the door inside handle bezel. Rotate the bezel pull the bezel forward in order to slide over the door handle.
  7. Remove the reflector using a flat blade screwdriver.
  8. Remove the front door trim panel screws (2) from the following locations:
  9. • Behind the reflector
    • Under the armrest
    • Behind the door inside the bezel
  10. Remove the window regulator handle, if applicable. Refer to Door Window Regulator Replacement .
  11. Remove the door panel retainers using J 38778 . Start at the bottom and gently pry inward, separating the trim from the inner, and disengaging all the retainers from the door inner.
  12. Remove the door trim panel (1) by lifting at the pull handle and applying pressure in the outboard direction just beneath the beltline. Disengage the trim panel beltline hooks from the door inner beltline slots by exerting pressure to the beltline at the upper front and by working rearward.
  13. Disengage the mirror switch from the bezel by pushing on the side of the mirror switch.

Installation Procedure


    Object Number: 382866  Size: LH
  1. Align the keyway on the mirror switch to the bezel. Grasp the mirror switch handle and pull towards the bezel until the bezel snaps in place.
  2. Install the door trim panel (1) by aligning the locator pins on the back of the trim to the door inner . Push the trim panel (1) close but just short of full engagement. Apply downward pressure at the trim panel beltline in order to set the upper beltline hooks.
  3. Align the fasteners to the retainer holes of the door inner panel. Engage the fasteners by applying pressure to the door trim panel.
  4. Install the window regulator handle, if applicable. Refer to Door Window Regulator Replacement .
  5. Install the front door trim panel screws (2) at the following locations:
  6. • Behind the reflector
    • Under the armrest
    • Behind the door inside the bezel
  7. Install the door inside handle bezel by inserting the door handle into the door handle opening.
  8. Insert the door inside handle bezel clips to the front end of the door trim panel (1) opening. Secure by applying pressure.
  9. Install the reflector by aligning the clips to the slots in the door trim panel (1). Secure by applying pressure.
  10. Install the manual lock slider knob by positioning the knob onto the locking rod and sliding rearward.
  11. Connect the wire harness connectors.
  12. Install the front door power lock and the window switch bezel.
  13. Install the power door lock switch.
  14. Notice: Use the correct fastener in the correct location. Replacement fasteners must be the correct part number for that application. Fasteners requiring replacement or fasteners requiring the use of thread locking compound or sealant are identified in the service procedure. Do not use paints, lubricants, or corrosion inhibitors on fasteners or fastener joint surfaces unless specified. These coatings affect fastener torque and joint clamping force and may damage the fastener. Use the correct tightening sequence and specifications when installing fasteners in order to avoid damage to parts and systems.

  15. Install the front door upper trim by inserting the tabs to the retainers. Secure by applying pressure.
  16. Tighten
    Tighten the screw to 1.3 N·m (11.5 lb in).

Door Trim Panel Replacement Front, Buick

Removal Procedure

Tools Required

J 38778 Door Trim Pad and Garnish Clip Remover


    Object Number: 382866  Size: LH
  1. Remove the front door upper trim panel (1) by gently prying at the side in order to disengage the tabs. Pull the panel rearward.
  2. Remove the front left door power lock and the window switch bezel by engaging a small flat blade screwdriver to the spring clip under the rear of the bezel.
  3. Remove the power door lock switch.
  4. Disconnect the wire harness connectors.
  5. Remove the manual lock slider knob by pulling outward in order to disengage the knob from the locking rod.
  6. Remove the door inside handle bezel. Rotate the bezel pull the bezel forward in order to slide over the door handle.
  7. Remove the reflector using a flat blade screwdriver.
  8. Remove the front door trim panel screws (2) from the following locations:
  9. • Behind the reflector
    • Under the armrest
    • Behind the door inside the bezel
  10. Remove the window regulator handle, if applicable. Refer to Door Window Regulator Replacement .
  11. Remove the door panel retainers using J 38778 . Start at the bottom and gently pry inward, separating the trim from the inner, and disengaging all the retainers from the door inner.
  12. Remove the door trim panel (1) by lifting at the pull handle and applying pressure in the outboard direction just beneath the beltline. Disengage the trim panel beltline hooks from the door inner beltline slots by exerting pressure to the beltline at the upper front and by working rearward.
  13. Disengage the mirror switch from the bezel by pushing on the side of the mirror switch.

Installation Procedure


    Object Number: 382866  Size: LH
  1. Align the keyway on the mirror switch to the bezel. Grasp the mirror switch handle and pull towards the bezel until the bezel snaps in place.
  2. Install the door trim panel (1) by aligning the locator pins on the back of the trim to the door inner . Push the trim panel (1) close but just short of full engagement. Apply downward pressure at the trim panel beltline in order to set the upper beltline hooks.
  3. Align the fasteners to the retainer holes of the door inner panel. Engage the fasteners by applying pressure to the door trim panel.
  4. Install the window regulator handle, if applicable. Refer to Door Window Regulator Replacement .
  5. Install the front door trim panel screws (2) at the following locations:
  6. • Behind the reflector
    • Under the armrest
    • Behind the door inside the bezel
  7. Install the door inside handle bezel by inserting the door handle into the door handle opening.
  8. Insert the door inside handle bezel clips to the front end of the door trim panel (1) opening. Secure by applying pressure.
  9. Install the reflector by aligning the clips to the slots in the door trim panel (1). Secure by applying pressure.
  10. Install the manual lock slider knob by positioning the knob onto the locking rod and sliding rearward.
  11. Connect the wire harness connectors.
  12. Install the front door power lock and the window switch bezel.
  13. Install the power door lock switch.
  14. Notice: Use the correct fastener in the correct location. Replacement fasteners must be the correct part number for that application. Fasteners requiring replacement or fasteners requiring the use of thread locking compound or sealant are identified in the service procedure. Do not use paints, lubricants, or corrosion inhibitors on fasteners or fastener joint surfaces unless specified. These coatings affect fastener torque and joint clamping force and may damage the fastener. Use the correct tightening sequence and specifications when installing fasteners in order to avoid damage to parts and systems.

  15. Install the front door upper trim by inserting the tabs to the retainers. Secure by applying pressure.
  16. Tighten
    Tighten the screw to 1.3 N·m (11.5 lb in).

Door Trim Panel Replacement Rear, Pontiac

Removal Procedure

Tools Required

J 38778 Door Trim Pad and Garnish Clip Remover


    Object Number: 382863  Size: LH
  1. Remove 2 screws from the bezel. Remove the rear power door power lock/window switch bezel by prying under the rear edge of the bezel..
  2. Disconnect the wire harness connectors.
  3. Remove the manual lock slider knob by pulling outward in order to disengage the knob from the locking rod.
  4. Remove the door inside handle bezel. Pull the inside door handle to the open position and gently disengage by pulling the front of the bezel outward.
  5. Remove the reflector using a flat blade screwdriver.
  6. Remove the rear door trim panel screw (2) from behind the reflector and the pull cup.
  7. Remove the window regulator handle, if applicable. Refer to Door Window Regulator Replacement .
  8. Remove the door panel retainers using J 38778 . Start at the bottom and gently pry inward, separating the trim from the inner, and disengaging all the retainers from the door inner.
  9. Remove the door trim panel (1) by lifting at the pull handle and applying pressure in the outboard direction just beneath the beltline. Disengage the trim panel beltline hooks from the door inner beltline slots by exerting pressure to the beltline at the upper front and by working rearward.
  10. Disengage the mirror switch from the bezel by pushing on the side of the mirror switch.

Installation Procedure


    Object Number: 382863  Size: LH
  1. Align the keyway on the mirror switch to the bezel. Grasp the mirror switch handle and pull towards the bezel until the bezel snaps in place.
  2. Install the door trim panel (1) by aligning the locator pins on the back of the trim to the door inner . Push the trim panel (1) close but just short of full engagement. Apply downward pressure at the trim panel beltline in order to set the upper beltline hooks.
  3. Align the fasteners to the retainer holes of the door inner panel. Engage the fasteners by applying pressure to the door trim panel.
  4. Install the window regulator handle, if applicable. Refer to Door Window Regulator Replacement .
  5. Install the rear door trim panel screw (2) behind the reflector and the pull cup.
  6. Install the door inside handle bezel by inserting the door handle into the door handle opening.
  7. Insert the door inside handle bezel clips to the front end of the door trim panel (1) opening. Secure by applying pressure.
  8. Install the reflector by aligning the clips to the slots in the door trim panel (1). Secure by applying pressure.
  9. Install the manual lock slider knob by positioning the knob onto the locking rod and sliding rearward.
  10. Connect the wire harness connectors.
  11. Install the rear door power window switch and the bezel.

Door Trim Panel Replacement Rear, Oldsmobile

Removal Procedure

Tools Required

J 38778 Door Trim Pad and Garnish Clip Remover


    Object Number: 382860  Size: LH
  1. Remove the power door lock switch.
  2. Disconnect the wire harness connectors.
  3. Remove the manual lock slider knob by pulling outward in order to disengage the knob from the locking rod.
  4. Remove the door inside handle bezel. Rotate the bezel pull the bezel forward in order to slide over the door handle.
  5. Remove the reflector using a flat blade screwdriver.
  6. Remove the rear door trim panel screws (2) from the following locations:
  7. • Behind the reflector
    • Under the armrest
    • Behind the door inside the bezel
  8. Remove the window regulator handle, if applicable. Refer to Door Window Regulator Replacement .
  9. Remove the door panel retainers using J 38778 . Start at the bottom and gently pry inward, separating the trim from the inner, and disengaging all the retainers from the door inner.
  10. Remove the door trim panel (1) by lifting at the pull handle and applying pressure in the outboard direction just beneath the beltline. Disengage the trim panel beltline hooks from the door inner beltline slots by exerting pressure to the beltline at the upper front and by working rearward.
  11. Disengage the mirror switch from the bezel by pushing on the side of the mirror switch.

Installation Procedure


    Object Number: 382860  Size: LH
  1. Align the keyway on the mirror switch to the bezel. Grasp the mirror switch handle and pull towards the bezel until the bezel snaps in place.
  2. Install the door trim panel (1) by aligning the locator pins on the back of the trim to the door inner . Push the trim panel (1) close but just short of full engagement. Apply downward pressure at the trim panel beltline in order to set the upper beltline hooks.
  3. Align the fasteners to the retainer holes of the door inner panel. Engage the fasteners by applying pressure to the door trim panel.
  4. Install the window regulator handle, if applicable. Refer to Door Window Regulator Replacement .
  5. Install the rear door trim panel screws (2) at the following locations:
  6. • Behind the reflector
    • Under the armrest
    • Behind the door inside the bezel
  7. Install the door inside handle bezel by inserting the door handle into the door handle opening.
  8. Insert the door inside handle bezel clips to the front end of the door trim panel (1) opening. Secure by applying pressure.
  9. Install the reflector by aligning the clips to the slots in the door trim panel (1). Secure by applying pressure.
  10. Install the manual lock slider knob by positioning the knob onto the locking rod and sliding rearward.
  11. Connect the wire harness connectors.
  12. Install the power door lock switch.

Door Trim Panel Replacement Rear, Buick

Removal Procedure

Tools Required

J 38778 Door Trim Pad and Garnish Clip Remover


    Object Number: 382856  Size: LH
  1. Remove the rear door power window switch by prying under the bezel.
  2. Remove the power door lock switch.
  3. Disconnect the wire harness connectors.
  4. Remove the manual lock slider knob by pulling outward in order to disengage the knob from the locking rod.
  5. Remove the door inside handle bezel. Rotate the bezel pull the bezel forward in order to slide over the door handle.
  6. Remove the reflector using a flat blade screwdriver.
  7. Remove the rear door trim panel screws (2) from the following locations:
  8. • Behind the reflector
    • Under the armrest
    • Behind the door inside the bezel
  9. Remove the window regulator handle, if applicable. Refer to Door Window Regulator Replacement .
  10. Remove the door panel retainers using J 38778 . Start at the bottom and gently pry inward, separating the trim from the inner, and disengaging all the retainers from the door inner.
  11. Remove the door trim panel (1) by lifting at the pull handle and applying pressure in the outboard direction just beneath the beltline. Disengage the trim panel beltline hooks from the door inner beltline slots by exerting pressure to the beltline at the upper front and by working rearward.
  12. Disengage the mirror switch from the bezel by pushing on the side of the mirror switch.

Installation Procedure


    Object Number: 382856  Size: LH
  1. Align the keyway on the mirror switch to the bezel. Grasp the mirror switch handle and pull towards the bezel until the bezel snaps in place.
  2. Install the door trim panel (1) by aligning the locator pins on the back of the trim to the door inner . Push the trim panel (1) close but just short of full engagement. Apply downward pressure at the trim panel beltline in order to set the upper beltline hooks.
  3. Align the fasteners to the retainer holes of the door inner panel. Engage the fasteners by applying pressure to the door trim panel.
  4. Install the window regulator handle, if applicable. Refer to Door Window Regulator Replacement .
  5. Install the rear door trim panel screws (2) at the following locations:
  6. • Behind the reflector
    • Under the armrest
    • Behind the door inside the bezel
  7. Install the door inside handle bezel by inserting the door handle into the door handle opening.
  8. Insert the door inside handle bezel clips to the front end of the door trim panel (1) opening. Secure by applying pressure.
  9. Install the reflector by aligning the clips to the slots in the door trim panel (1). Secure by applying pressure.
  10. Install the manual lock slider knob by positioning the knob onto the locking rod and sliding rearward.
  11. Connect the wire harness connectors.
  12. Install the rear door power window switch.
  13. Install the power door lock switch.