GM Service Manual Online
For 1990-2009 cars only
Figure 1:

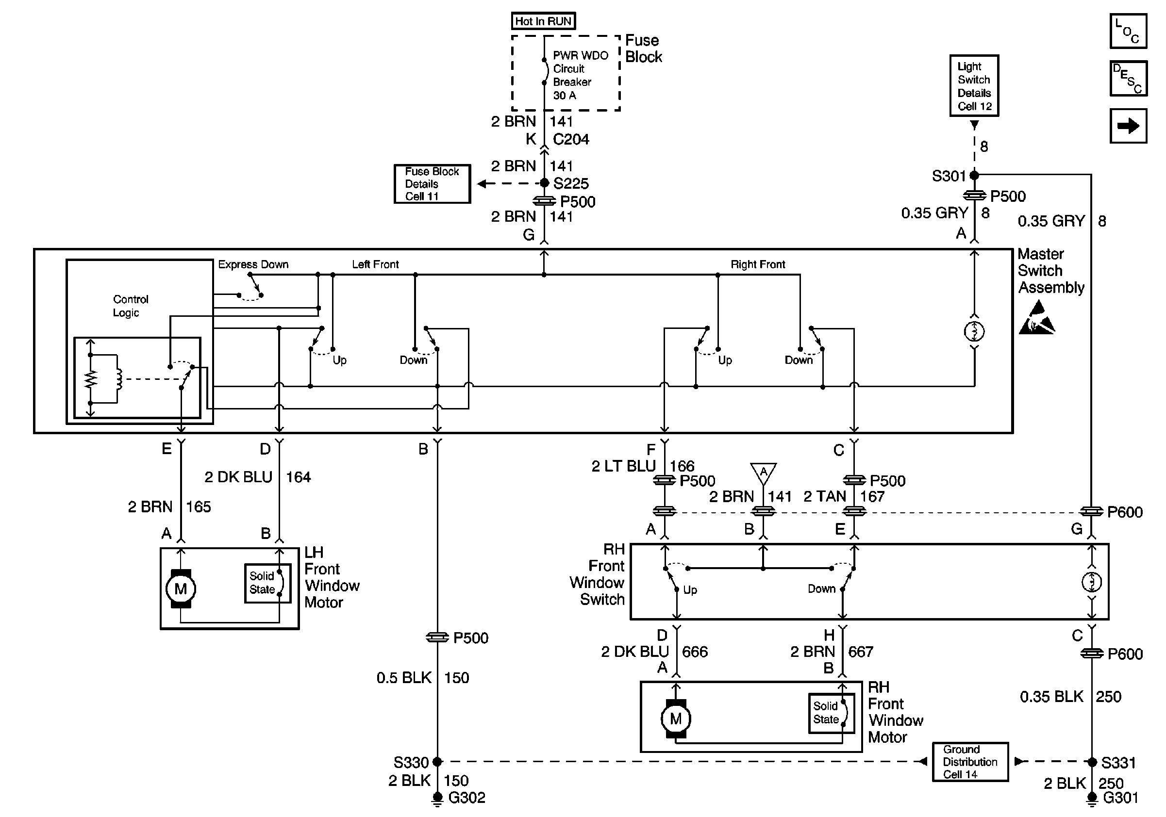
2 Door


Object Number: 524357  Size: FS
Figure 2:

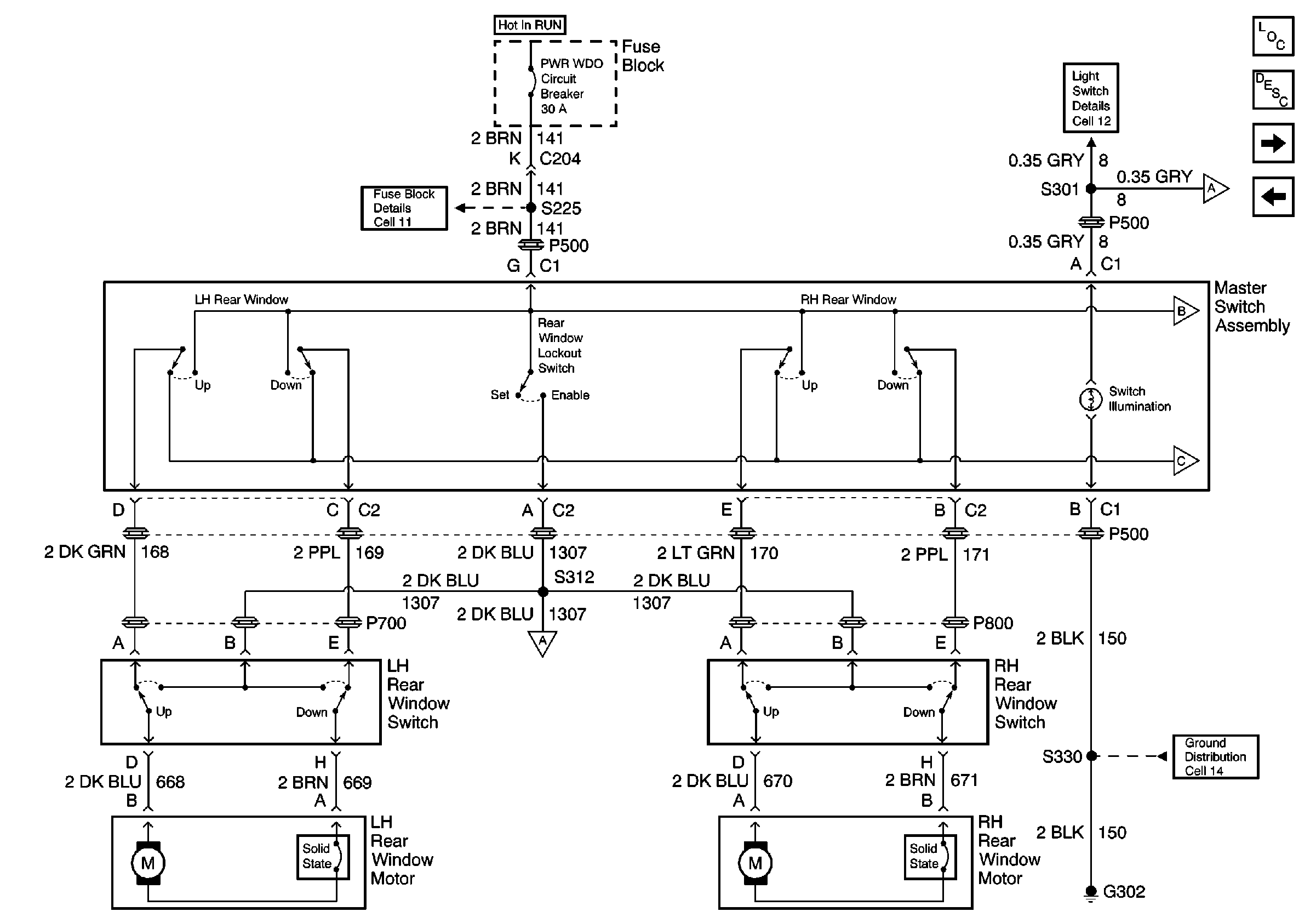
4 Door - Rear Windows


Object Number: 524361  Size: FS
Figure 3:

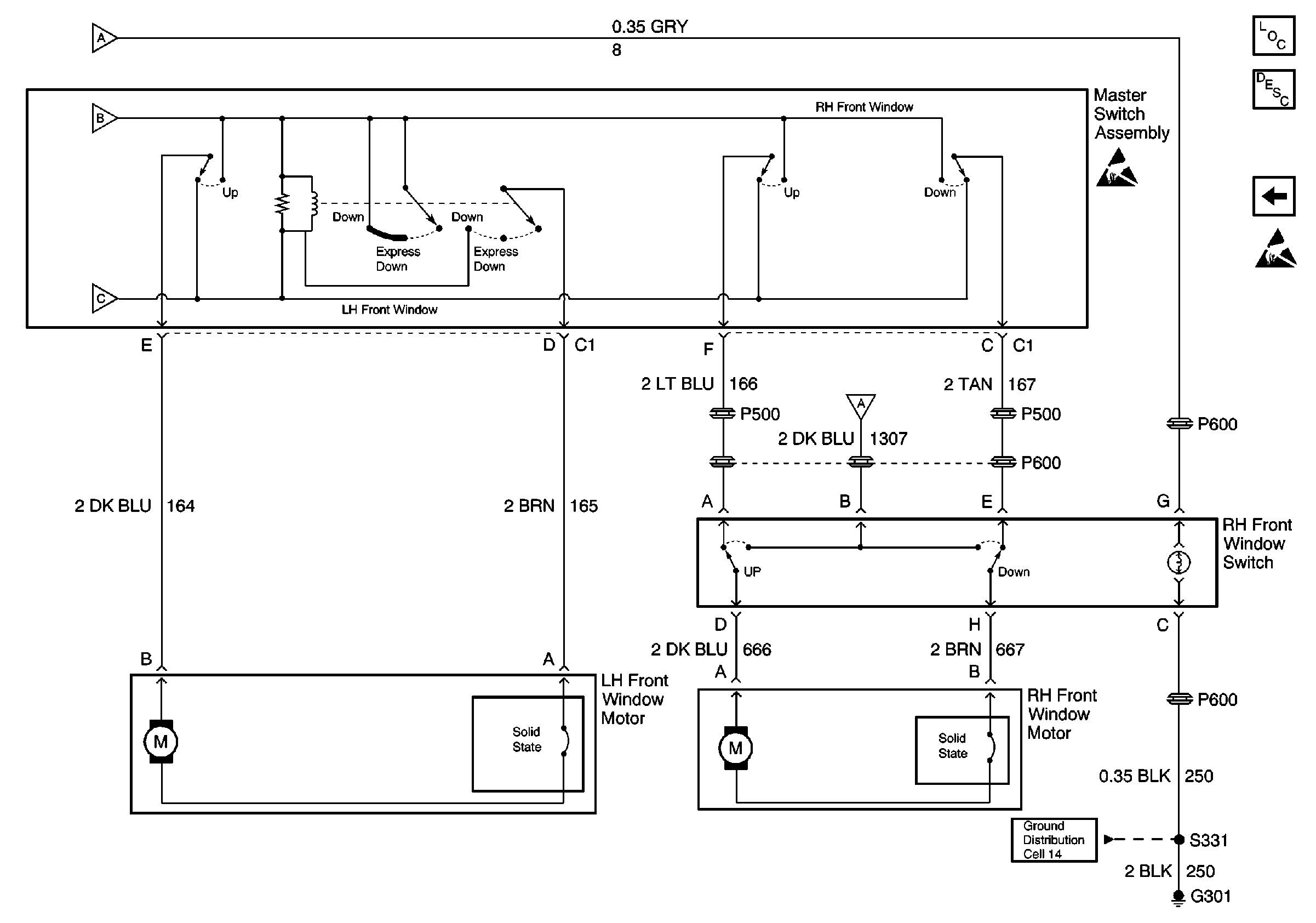
4 Door - Front Windows


Object Number: 524367  Size: FS