GM Service Manual Online
For 1990-2009 cars only
Makes
🢒
Oldsmobile
🢒
1998
🢒
Achieva
🢒
Body and Accessories
🢒
Doors
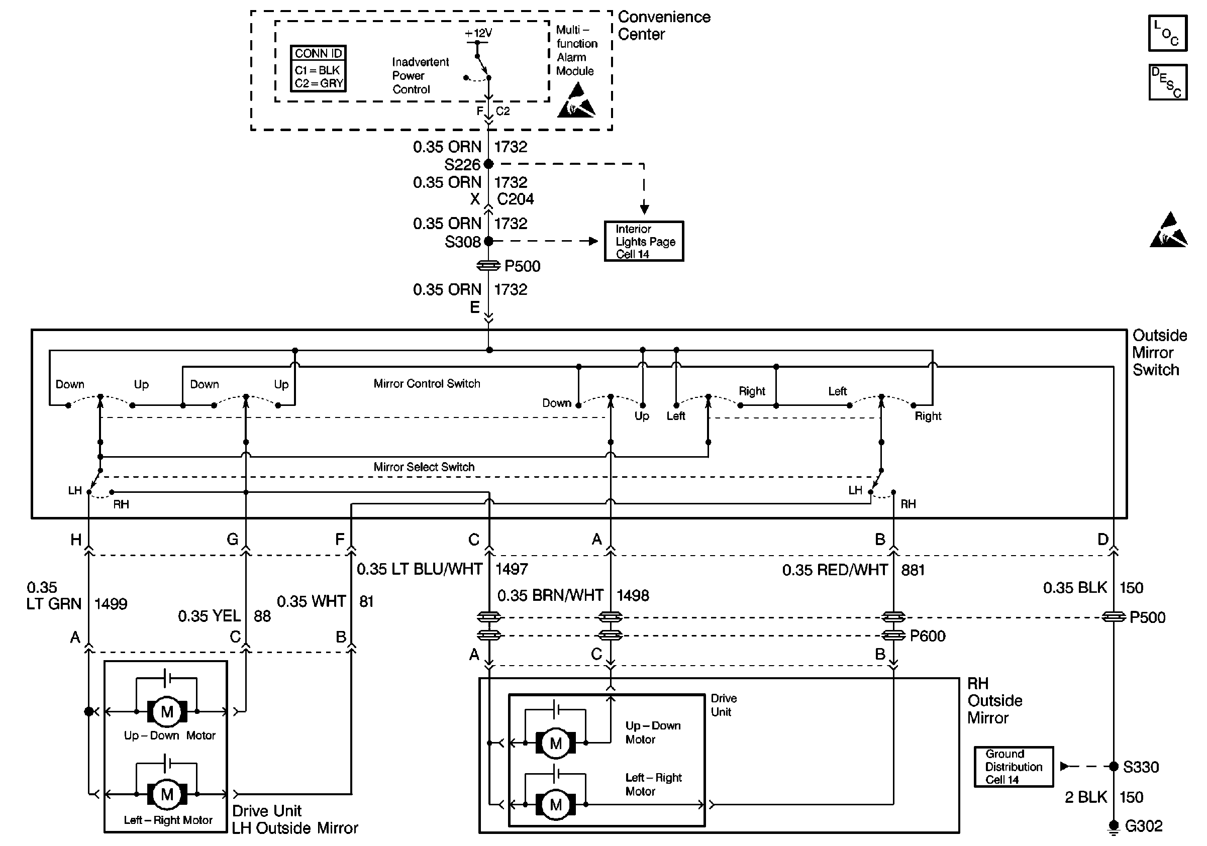
🢒 Outside Rearview Mirror Schematics
Cell 147
Handling ESD Sensitive Parts Notice
Power Door Systems Components
Outside Mirrors Circuit Description
Handling ESD Sensitive Parts Notice
Ground Distribution Schematics
Ground Distribution Schematics