GM Service Manual Online
For 1990-2009 cars only
Makes
🢒
Oldsmobile
🢒
1998
🢒
Achieva
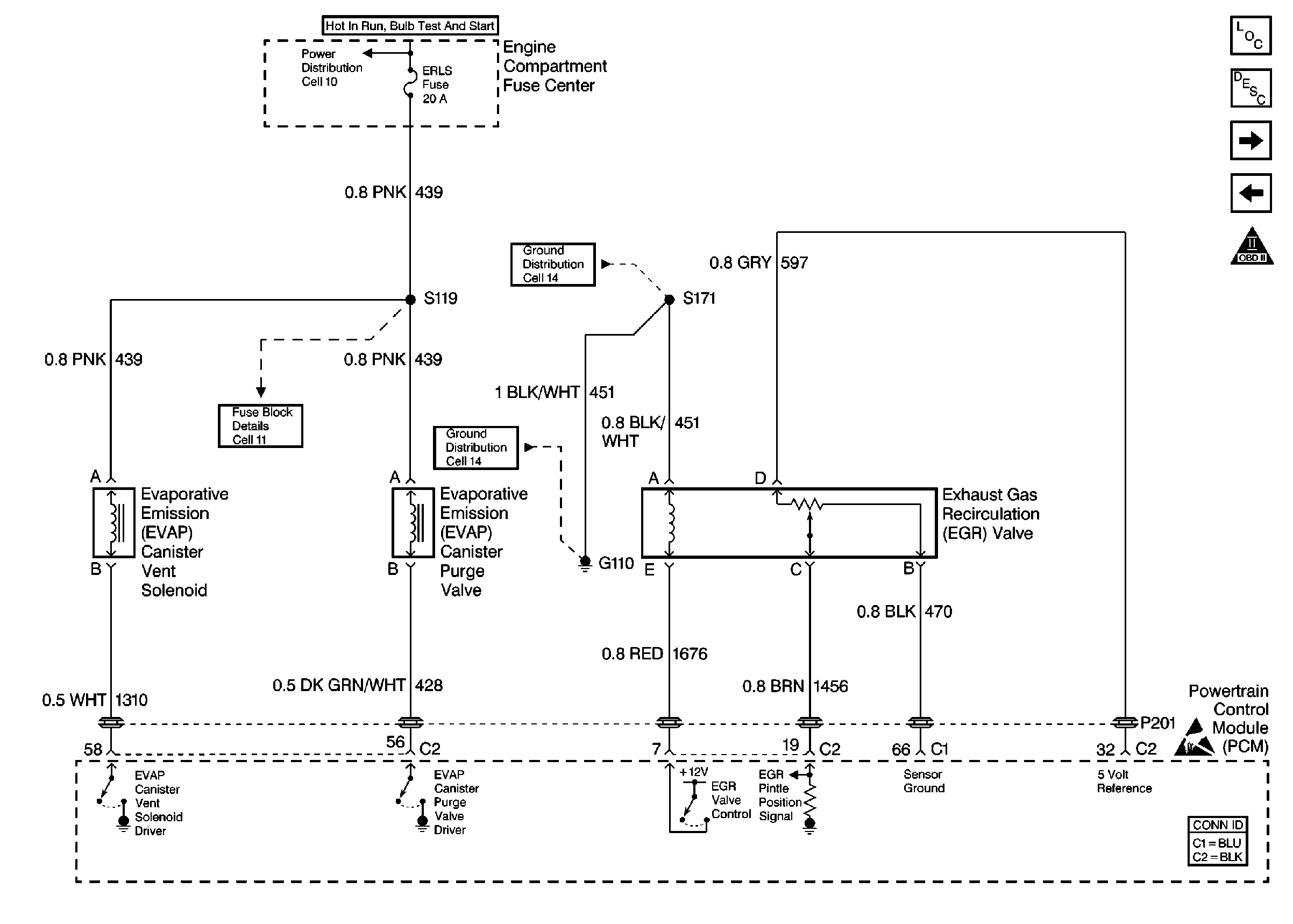
🢒 EVAP and EGR Controls
EVAP and EGR Controls
EVAP and EGR Controls
Engine Controls Components
Information Sensors/Switches Description
Oxygen Sensors
Engine Data Sensors
OBDII Symbol Description Notice
Handling Electrostatic Discharge Sensitive Parts Notice