GM Service Manual Online
For 1990-2009 cars only
Makes
🢒
Oldsmobile
🢒
1998
🢒
Achieva
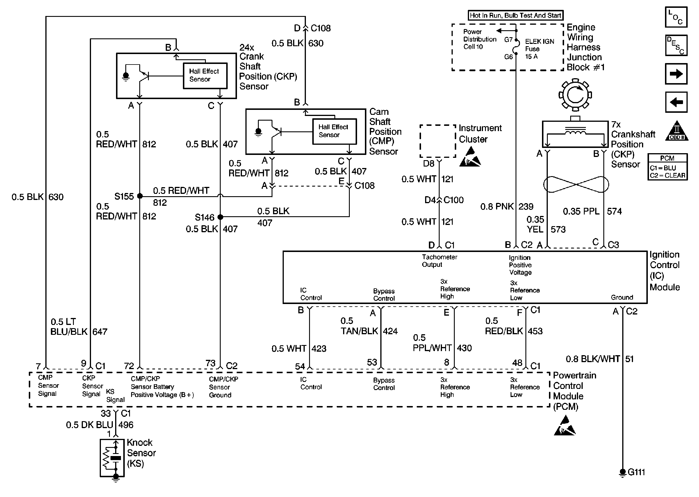
🢒 Ignition System, Knock Sensor
Ignition System, Knock Sensor
Ignition System, Knock Sensor