GM Service Manual Online
For 1990-2009 cars only

Refer to

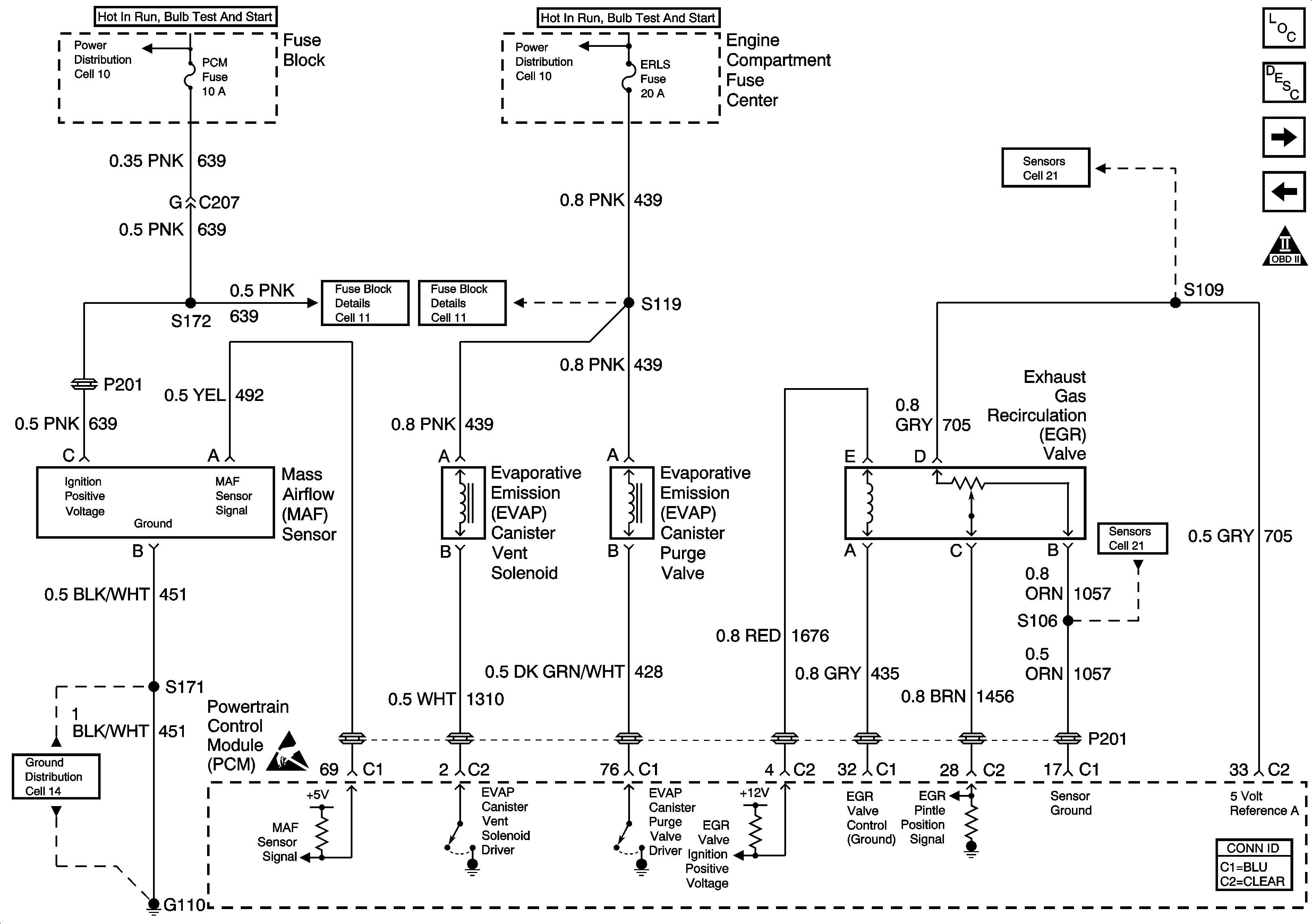
EVAP and EGR Controls


Object Number: 184713  Size: FS
Engine Controls Components
Information Sensors/Switches Description
Oxygen Sensors
Engine Data Sensors
OBDII Symbol Description Notice
Handling Electrostatic Discharge Sensitive Parts Notice
schematic.

Circuit Description

The Mass Air Flow (MAF) sensor measures the amount of air which passes through it into the engine during a given time. The PCM uses the mass air flow information to monitor engine operating conditions for fuel delivery calculations. A large quantity of air entering the engine indicates an acceleration or high load situation, while a small quantity of air indicates deceleration or idle.

The MAF sensor produces a frequency signal which can be monitored using a scan tool. The frequency will vary within a range of around 2000 Hertz at idle to near 8000 Hertz at maximum engine load. DTC P0101 will be set if the signal from the MAF sensor does not match a predicted value based on barometric pressure, throttle position and engine RPM.

Conditions for Setting the DTC

    •  The engine is running.
    •  EGR duty cycle is below 75%.
    •  EGR pintle position is below 75%.
    •  Above conditions present for at least 5 seconds.

Action Taken When the DTC Sets

    • The PCM will illuminate the malfunction indicator lamp (MIL) during the first trip in which the diagnostic test has been run and failed.
    • The PCM will store conditions which were present when the DTC set as Freeze Frame and Failure Records data.

Conditions for Clearing the MIL/DTC

    • The PCM will turn OFF the MIL during the third consecutive trip in which the diagnostic has been run and passed.
    • The History DTC will clear after 40 consecutive warm-up cycles have occurred without a malfunction.
    • The DTC can be cleared by using the scan tool.

Diagnostic Aids

Check for the following conditions:

    •  Skewed or stuck TP sensor. A faulty TP sensor or TP sensor circuit can cause the PCM to incorrectly calculate the predicted mass air flow value. Observe Throttle Angle with the throttle closed. If the Throttle Angle reading is not 0%, check for the following conditions and repair as necessary:
       -  TP sensor signal circuit shorted to voltage.
       -  Poor connection or high resistance in the TP sensor ground circuit.
    •  If none of the above conditions are noted and the Throttle Angle reading at closed throttle is not 0%, replace the TP sensor.
    •  Skewed MAP sensor. A skewed MAP sensor can cause the BARO reading to be incorrectly calculated. To check the MAP sensor, compare the MAP/BARO reading on the vehicle being diagnosed to the MAP/BARO reading on a normally operating vehicle. If a large difference is noted replace the MAP sensor.
    •  Poor connection at PCM. Inspect harness connectors for backed out terminals, improper mating, broken locks, improperly formed or damaged terminals, and poor terminal to wire connection.
    •  Misrouted harness. Inspect the MAF sensor harness to ensure that it is not routed too close to high voltage wires such as spark plug leads.
    •  Damaged harness. Inspect the wiring harness for damage. If the harness appears to be OK, observe the scan tool while moving connectors and wiring harnesses related to the MAF sensor. A change in the display will indicate the location of the fault.
    •  Plugged intake air duct or dirty air filter element.
    •  The actual Mass Air Flow is compared to a calculated Mass Air Flow based on the MAP, TP, and engine RPM readings (speed density). A skewed/unresponsive MAP sensor at key on will cause the calculated Mass Air Flow value to be inaccurate. When the engine is started a large difference between actual Mass Air Flow and Calculated Mass Air Flow occurs. DTC P0101 will set, the vehicle will stall, a default Mass Air Flow based on the MAP sensor will occur. Because the MAP sensor is skewed/unresponsive the default Mass Air Flow values are incorrect and vehicle may not restart. If a fault occurs which causes the MAP sensor value to be incorrect (poor vacuum connections, damaged vacuum source, or defective vacuum hose(s), unmetered air into the manifold), DTC P0101 will set and the default mass airflow value will be substituted. Because the MAP sensor value is incorrect the vehicle may not start and run.

If DTC P0101 cannot be duplicated, the information included in the Fail Records data can be useful in determining vehicle mileage since the DTC was last set. This may assist in determining how often the DTC sets.

Test Description

The numbers below refer to the step numbers on the Diagnostic Table.

  1. Only, if sent here from the Engine Cranks But Will Not Run, continue to follow diagnostic table even if DTC P0101 has NOT failed this ignition.

  2. This step checks the MAP sensor. By disconnecting the MAF sensor, the vehicle is forced into speed density; Speed density is based on the MAP, TP, and engine RPM readings. With a skewed/unresponsive MAP sensor, the speed density calculation is incorrect and vehicle may not start. For further information refer to diagnostic aids.

  3. This step checks for skewed or sticking MAP sensor. MAP sensor should respond smoothly and gradually as RPM is increased. Compare MAP sensor of affected vehicle to that of a normally operating vehicle if a large difference is noted replace MAP sensor.

  4. Verifies that ignition feed voltage and a good ground are available at the MAF sensor.

DTC P0101 - MAF System Performance

Step

Action

Value(s)

Yes

No

1

Was the Powertrain On-Board Diagnostic System Check performed?

--

Go to Step 2

Go to Powertrain On Board Diagnostic (OBD) System Check

2

Is DTC P1374, P1635 set?

--

Go to applicable DTC

Go to Step 3

3

  1. Review and record scan tool Fail Records data.
  2. Operate vehicle within Fail Records conditions as noted.
  3. Using a scan tool, monitor Specific DTC info for DTC P0101.

Does scan tool indicate DTC P0101 failed this ignition?

--

Go to Step 4

Go to Diagnostic Aids

4

Important: Do not clear DTCs!

  1. Disconnect MAF sensor connector.
  2. Attempt to start engine.

Does engine start and continue to run?

--

Go to Step 5

Go to Step 6

5

  1. Ignition OFF reconnect MAF sensor.
  2. Start engine observe MAP sensor display on the scan tool while slowly increasing engine speed to 3000 RPM.

Does the MAP sensor value change as engine speed increases?

--

Go to Step 7

Go to Step 6

6

Refer to Manifold Absolute Pressure Sensor Circuit Diagnosis to diagnose MAP sensor circuit.

Is action complete?

--

Go to Step 20

--

7

  1. Turn OFF the ignition for 30 seconds.
  2. Turn ON the ignition with the engine OFF.
  3. Observe the TP sensor parameter with a scan tool.
  4. Depress the accelerator pedal completely.

Is the TP sensor parameter within the specified range?

0-100 %

Go to Step 8

Go to DTC P0121 Throttle Position (TP) Sensor Performance

8

  1. Ignition OFF.
  2. Disconnect the MAF sensor connector.
  3. Ignition ON, engine OFF.
  4. Using a DMM, measure voltage between the MAF signal circuit and chassis ground.

Is the voltage near the specified value?

5.0V

Go to Step 9

Go to Step 10

9

Connect a test light between the MAF sensor ignition feed and ground circuits at the MAF sensor harness connector.

Is the test light ON?

--

Go to Step 13

Go to Step 12

10

Is the voltage less than the specified value?

4.5V

Go to Step 14

Go to Step 11

11

  1. Ignition ON, disconnect the PCM.
  2. Ignition ON, engine OFF.
  3. Measure voltage between the MAF signal circuit and ground.

Does the voltage measure near the specified value?

0.0V

Go to Step 20

Go to Step 17

12

Connect a test light between MAF sensor ignition feed circuit and chassis ground.

Is the test light ON?

--

Go to Step 15

Go to Step 16

13

  1. Check for a poor connection at the MAF sensor. Refer to Intermittents and Poor Connections Diagnosis in Wiring Systems.
  2. If a poor connection is found, replace faulty terminal(s). Refer to Connector Repairs in Wiring Systems.

Was a poor connection found?

--

Go to Step 20

Go to Step 18

14

  1. Check the MAF signal circuit for the following conditions:
  2. •  Excessive resistance between the PCM and the MAF sensor
    •  Excessive resistance in ground circuit
    •  Shorted to the MAF sensor ground circuit
    •  Poor connection at the PCM.
  3. If a problem is found, repair as necessary. Refer to Testing for Continuity , Wiring Repairs or Intermittents and Poor Connections Diagnosis in Wiring Systems.

Was a problem found?

--

Go to Step 20

Go to Step 19

15

Locate and repair the open in the ground circuit to the MAF sensor. Refer to Wiring Repairs in Wiring Systems.

Is the action complete?

--

Go to Step 20

--

16

Locate and repair the open, or excessive resistance in the ignition feed circuit to the MAF sensor. Refer to Wiring Repairs or Testing for Continuity in Wiring Systems.

Is action complete?

--

Go to Step 20

--

17

Locate and repair the short to voltage in the MAF signal circuit. Refer to Wiring Repairs in Wiring Systems.

Is action complete?

--

Go to Step 20

--

18

Replace the MAF sensor. Refer to Mass Airflow Sensor Replacement .

Is action complete?

--

Go to Step 20

--

19

Important:  The replacement PCM must be programmed. Refer to Powertrain Control Module Replacement/Programming .

Replace the PCM.

Is action complete?

--

Go to Step 20

--

20

  1. Ignition ON, engine OFF, review and record scan tool Fail Records data.
  2. Clear DTCs.
  3. Operate vehicle within Fail Records conditions as noted.
  4. Using a scan tool, monitor Specific DTC info for DTC P0101.

Does scan tool indicate DTC P0101 failed this ignition?

--

Go to Step 2

System OK