GM Service Manual Online
For 1990-2009 cars only

Refer to

Oxygen Sensors


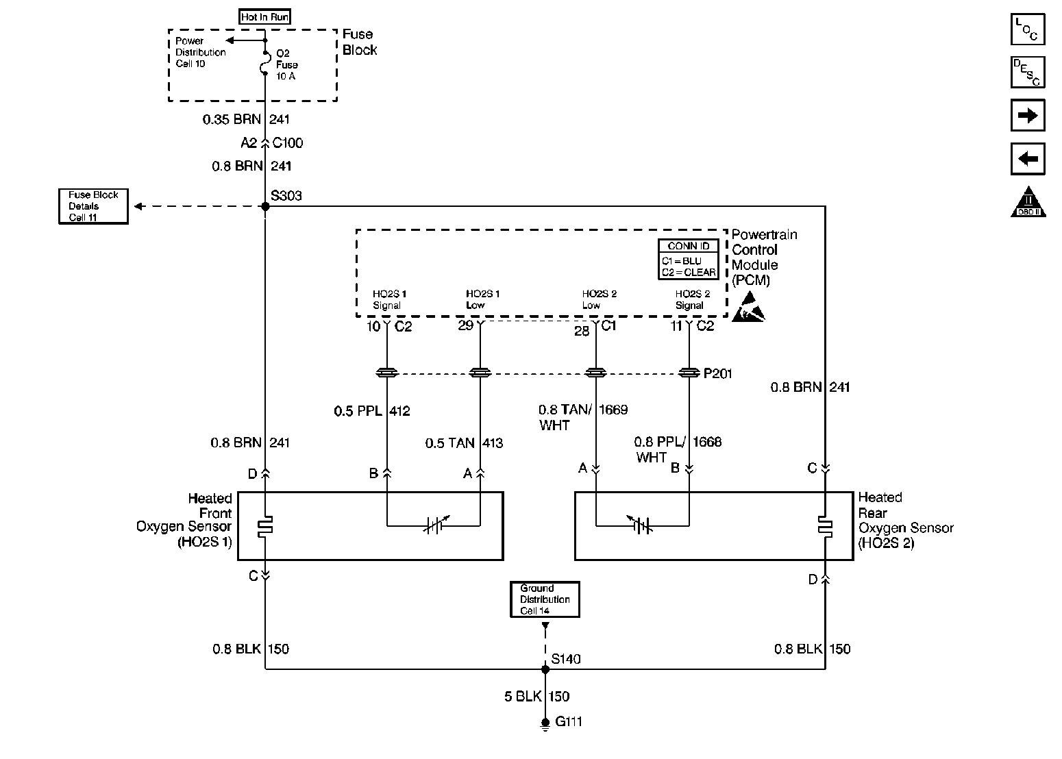
Object Number: 184709  Size: FS
Engine Controls Components
Information Sensors/Switches Description
IAC Valve, Generator, TR, Oil, and Coolant Switches
EVAP and EGR Controls
OBDII Symbol Description Notice
Handling Electrostatic Discharge Sensitive Parts Notice
schematic.

Circuit Description

The PCM supplies a bias voltage of about 450 mV between the HO2S signal and low circuits. When measured with a 10 megaohm digital voltmeter, this may display as low as 320 mV. The oxygen sensor varies the voltage within a range of about 1000 mV when the exhaust is rich, down through about 10 mV when exhaust is lean. The PCM constantly monitors the HO2S signal during closed loop operation and compensates for a rich or lean condition by decreasing or increasing injector pulse width as necessary. If the HO2S 1 voltage remains excessively high for an extended period of time, DTC P0132 will be set.

Conditions for Setting the DTC

    •  No active misfire, fuel injector circuit, TP sensor, EVAP, IAT sensor, MAP sensor, Fuel trim, EGR, ECT sensor, MAF sensor or CKP sensor DTC(s) present.
    •  Closed loop commanded air/fuel ratio is between 14.4 and 14.9.
    •  HO2S 1 signal voltage remains above 975 mV during normal closed loop operation.

OR

    •  HO2S 1 signal voltage remains above 110 mV during deceleration fuel cut off mode operation.
    •  Either condition for up to 10 seconds.
    •  Throttle angle between 3% and 40%.

Action Taken When the DTC Sets

    • The PCM will illuminate the malfunction indicator lamp (MIL) during the second consecutive trip in which the diagnostic test has been run and failed.
    • The PCM will store conditions which were present when the DTC set as Freeze Frame and Failure Records data.

Conditions for Clearing the MIL/DTC

    • The PCM will turn OFF the MIL during the third consecutive trip in which the diagnostic has been run and passed.
    • The History DTC will clear after 40 consecutive warm-up cycles have occurred without a malfunction.
    • The DTC can be cleared by using the scan tool.

Diagnostic Aids

Check the following items:

    •  Fuel Pressure. The system will go rich if pressure is too high. The PCM can compensate for some increase. However, if fuel pressure is too high, a DTC P0132 may be set. Refer to Fuel System Diagnosis .
    •  Perform Injector Balance Test. Refer to Fuel Injector Balance Test .
    •  Check the EVAP Canister for Fuel Saturation. If full of fuel, check canister control and hoses. Refer to Evaporative Emission Control System Diagnosis .
    •  Disconnect the MAF sensor and see if rich condition is corrected. If so, replace the MAF sensor. Refer to Mass Airflow Sensor Replacement .
    •  Check for a leaking fuel pressure regulator diaphragm by checking vacuum line to regulator for the presence of fuel.
    •  An intermittent TP sensor output will cause the system to go rich due to a false indication of the engine accelerating.
    •  Shorted Heated Oxygen Sensor (HO2S). If the HO2S is internally shorted the HO2S voltage displayed on the scan tool will be over 1 volt. Disconnect the affected HO2S and jumper the HO2S low circuit to ground with the key on, engine off. If the displayed HO2S voltage changes from over 1000 mV to around 450 mV, replace the HO2S. Silicon contamination of the HO2S can also cause a high HO2S voltage to be indicated. This condition is indicated by a powdery white deposit on the portion of the HO2S exposed to the exhaust stream. If contamination is noticed , replace the affected HO2S.
    •  Open HO2S Signal or Low Circuit or Faulty HO2S. A poor connection or open in the HO2S signal or low circuit can cause the DTC to set during deceleration fuel mode. An HO2S which is faulty and not allowing a full voltage swing between the rich and lean thresholds can also cause this condition. Operate the vehicle while monitoring the HO2S voltage with a scan tool. If the HO2S voltage is limited within a range between 300 mV to 600 mV, check the HO2S signal and low circuit wiring and associated terminal connections . If the wiring and connections are OK, replace the HO2S.

Test Description

The numbers below refer to the step numbers on the Diagnostic Table:

  1. DTC P0132 failing during deceleration fuel mode operation may indicate a condition described in the Diagnostic Aids above. If the DTC P0132 test passes while the Fail Records conditions are being duplicated, an intermittent condition is indicated. Reviewing the Fail Records vehicle mileage since the diagnostic test last failed may help determine how often the condition that caused the DTC to be set occurs. This may assist in diagnosing the condition.

  1. This vehicle is equipped with a PCM which utilizes an Electrically Erasable Programmable Read Only Memory (EEPROM). When the PCM is being replaced, the new PCM must be programmed. Refer to Powertrain Control Module Replacement/Programming .

DTC P0132 - HO2S Circuit High Voltage Sensor 1

Step

Action

Value(s)

Yes

No

1

Was the Powertrain On-Board Diagnostic (OBD) System Check performed?

--

Go to Step 2

Go to Powertrain On Board Diagnostic (OBD) System Check

2

  1. Engine at operating temperature.
  2. Operate vehicle within parameters specified under Conditions for Setting the DTC criteria included in Diagnostic Support.
  3. Monitor HO2S 1 voltage display on the scan tool HO2S data list.

Does the HO2S 1 voltage remain above the specified value?

950 mV

Go to Step 5

Go to Step 3

3

Operate vehicle in Decel fuel mode (vehicle speed above 25 mph, TP angle below 3%) while monitoring HO2S 1 voltage display on the scan tool HO2S data list.

Does the HO2S 1 voltage remain above the specified value while in Decel fuel mode?

800 mV

Go to Step 5

Go to Step 4

4

  1. Ignition ON , review and record scan tool Fail Records data.
  2. Operate vehicle within Fail Records conditions as noted.
  3. Using a scan tool, monitor Specific DTC info for DTC P0132 until the DTC P0132 test runs.

Does scan tool indicate DTC P0132 failed this ignition?

--

Go to Step 5

Go to Diagnostic Aids

5

Disconnect HO2S 1 and jumper HO2S low circuit to ground.

Does scan tool indicate HO2S 1 voltage near the specified value?

450 mV

Go to Diagnostic Aids

Go to Step 6

6

  1. Ignition OFF .
  2. Disconnect PCM connector.
  3. Ignition ON .
  4. Using a DMM (J 39200), measure voltage between the HO2S 1 sensor signal at PCM harness connector and ground.

Does DMM indicate a voltage greater than specified value?

600 mV

Go to Step 7

Go to Step 8

7

Repair short to voltage in the HO2S 1 signal circuit. Refer to Heated Oxygen Sensor Wiring Repairs in Wiring Systems.

Is action complete?

--

Go to Step 9

--

8

Important : Replacement PCM must be programmed. Refer to Powertrain Control Module Replacement/Programming .

Replace the PCM.

Is action complete?

--

Go to Step 9

--

9

  1. Ignition ON , review and record scan tool Fail Records data.
  2. Clear DTCs.
  3. Operate vehicle within Fail Records conditions as noted.
  4. Using a scan tool, monitor Specific DTC info for DTC P0132 until the DTC P0132 test runs.

Does the scan tool indicate DTC P0132 failed this ignition?

--

Go to Step 2

System OK