GM Service Manual Online
For 1990-2009 cars only

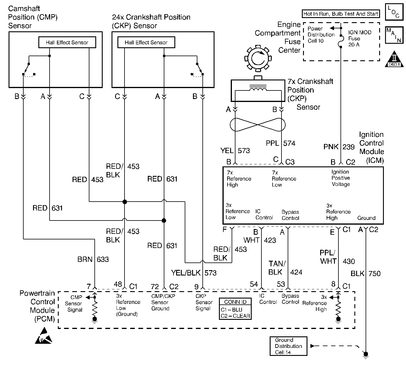
Object Number: 220484  Size: LF
Engine Controls Components
Ignition Controls
OBD II Symbol Description Notice
Handling ESD Sensitive Parts Notice

Circuit Description

During cranking, the Ignition Control Module (ICM) monitors the 7X crankshaft position sensor signal. Once the ICM determines spark synchronization, 3X reference signals are sent to the PCM. The PCM will command all six injectors ON for one priming shot of fuel in all cylinders. After the priming, the injectors are left OFF for the next six fuel control reference signals (two crankshaft revolutions). This allow each cylinder a chance to use the fuel from the priming shot. During this waiting period, a cam pulse will have been received by the PCM. The PCM uses the Cam signal pulses to initiate sequential fuel injection. The PCM constantly monitors the number of pulses on the Cam signal circuit and compares the number of Cam pulses to the number of 24X reference pulses and the number of 3X reference pulses being received. If the PCM receives an incorrect number of pulses on the Cam reference circuit, DTC P0341 will set and the PCM will initiate injector sequence without the Cam signal with a one in six chance that injector sequence is correct. The engine will continue to start and run normally, although the misfire diagnostic will be affected if a misfiring condition occurs.

Conditions for Setting the DTC

    •  The engine is running (3X reference pulses are being received).
    •  CMP sensor reference pulse is not detected every engine cycle.

Action Taken When the DTC Sets

    • The PCM will illuminate the malfunction indicator lamp (MIL) during the second consecuitive trip in which the diagnostic has been run and failed.
    • If equipped with traction control, the PCM will command the EBTCM via the serial data circuit to turn OFF traction control, and the EBTCM will illuminate the TRACTION OFF lamp.
    • The PCM will store conditions which were present when the DTC set as Freeze Frame and Failure Records data.

Conditions for Clearing the MIL/DTC

    • The PCM will turn OFF the MIL during the third consecutive trip in which the diagnostic has been run and passed.
    • The History DTC will clear after 40 consecutive warm-up cycles have occurred without a malfunction.
    • The DTC can be cleared by using the scan tool.

Diagnostic Aids

DTC P0341 can be caused by secondary components leaking high voltage into the ignition module. Check for the following conditions:

    •  Incorrect harness routing near secondary ignition component.
    •  Ignition coil arcing to wiring harness or Ignition Control Module (check ignition coils for cracks, carbon tracking, or other signs of damage).
    •  Secondary ignition wire(s) arcing to wiring harness.

An intermittent may be caused by a poor connection, rubbed through wire insulation or a wire broken inside the insulation. Check for:

    •  Faulty Ignition Coil. Inspect the ignition coils for cracks, carbon tracking, or other signs that indicate that the coil secondary circuit is arcing to the ICM or ICM wiring harness.
    •  Poor connection. Inspect the PCM harness and connectors for improper mating, broken locks, improperly formed or damaged terminals, and poor terminal to wire connection.
    •  Damaged harness. Inspect the wiring harness for damage. If the harness appears to be OK, disconnect the PCM, turn the ignition on and observe a voltmeter connected to the CAM signal circuit at the PCM harness connector while moving connectors and wiring harnesses related to the 24X Crankshaft Position Sensor and Camshaft Position Sensor. The Camshaft Position and 24X sensors share the same sensor feed from the PCM. A change in voltage will indicate the location of the fault.
    • It may also be helpful to monitior the CAM SIGNAL PRESENT on the scan tool.

Reviewing the Fail Records vehicle mileage since the diagnostic test last failed may help determine how often the condition that caused the DTC to be set occurs. This may assist in diagnosing the condition.

Test Description

The number below refers to the step number on the Diagnostic Table.

  1. This vehicle is equipped with a PCM which utilizes an Electrically Erasable Programmable Read Only Memory (EEPROM). When the PCM is being replaced, the new PCM must be programmed. Refer to PCM Replacement and Programming Procedures in Powertrain Control Module (PCM) and Sensors.

DTC P0341 - CMP Sensor Circuit Performance

Step

Action

Value(s)

Yes

No

1

Was the Powertrain On-Board Diagnostic (OBD) System Check performed?

--

Go to Step 2

Go to Powertrain On Board Diagnostic (OBD) System Check

2

  1. Ignition ON, review and record scan tool Fail Records data.
  2. Operate vehicle within Fail Records conditions as noted.
  3. Using a scan tool, monitor Specific DTC info for DTC P0341 until the DTC P0341 test runs.

Does scan tool indicate DTC P0341 failed this ign?

--

Go to Step 3

Go to Diagnostic Aids

3

  1. Turn the ignition OFF.
  2. Disconnect the PCM connector.
  3. Probe the sensor feed terminal with a test light to B+.

Is the test light ON?

--

Go to Step 4

Go to Step 6

4

  1. With the test light still connected, disconnect the CMP sensor connector from the CMP sensor
  2. Observe the test light

Is the test light ON?

--

Go to Step 5

Go to Step 11

5

  1. Check for the following circuit conditions:
  2. • A short to ground in the Camshaft Position Sensor feed wire.
    • Short to ground in the 24X CKP sensor and/or feed wire.
  3. If a problem is found, repair as necessary. Refer to Wiring Repairs in Wiring Systems.

Was a problem found?

--

Go to Step 14

Go to Diagnostic Aids

6

  1. Connect a fused jumper between the sensor feed terminal in the PCM connector and B+.
  2. Connect a DMM between the CMP signal terminal in the PCM connector and ground

Does the DMM display a voltage near the specified value?

B+

Go to Step 7

Go to Step 8

7

With the fused jumper connected to the sensor feed terminal, connect a DMM between the 3X ref lo and engine ground.

Does the DMM display a voltage near the specified value?

B+

Go to Step 12

Go to Step 10

8

  1. Check for an open in the CMP sensor feed circuit.
  2. If a problem is found, repair as necessary. Refer to Wiring Repairs in Wiring Systems.
  3. Was a problem found?

--

Go to Step 14

Go to Step 9

9

  1. Check CMP sensor signal wire for an open or short to ground.
  2. If a problem is found, repair as necessary. Refer to Wiring Repairs in Wiring Systems.

Was a problem found?

--

Go to Step 14

Go to Step 11

10

  1. Check CMP sensor ground wire for an open.
  2. If a problem is found, repair as necessary. Refer to Wiring Repairs in Wiring Systems.

Was a problem found?

--

Go to Step 14

Go to Step 11

11

Replace the camshaft position sensor.

Is action complete?

--

Go to Step 14

--

12

  1. Check connections at the PCM.
  2. Replace terminals if necessary. Refer to Intermittents and Poor Connections Diagnosis or Connector Repairs in Wiring Systems.

Was a problem found?

--

Go to Step 14

Go to Step 13

13

Important: The replacement PCM must be programmed. Refer to Powertrain Control Module Replacement/Programming

Replace the PCM.

Is action complete?

--

Go to Step 14

--

14

  1. Review and record scan tool Fail Records data.
  2. Clear DTCs.
  3. Operate vehicle within Fail Records conditions as noted.
  4. Using a scan tool, monitor Specific DTC info for DTC P0341 until the DTC P0341 test runs.

Note test result; does scan tool indicate DTC P0341 failed this ign?

--

Go to Step 2

System OK