GM Service Manual Online
For 1990-2009 cars only

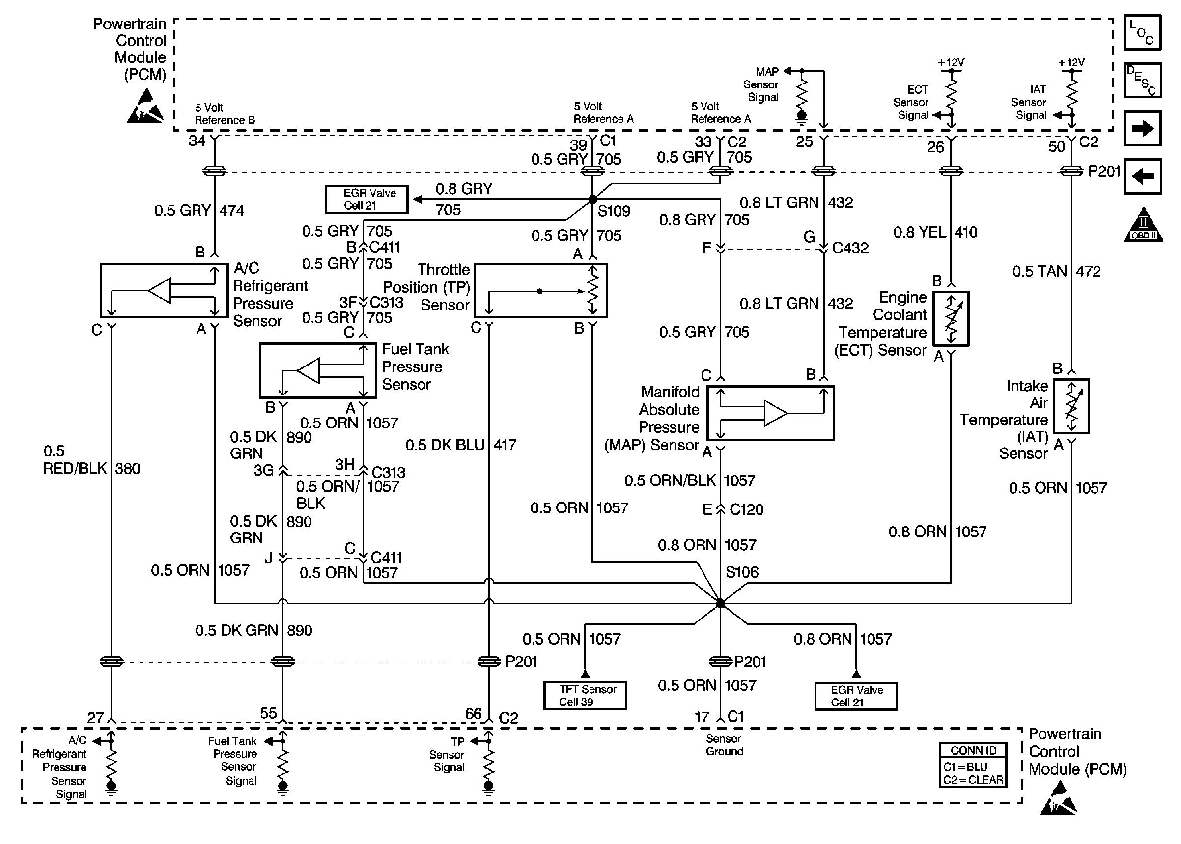
Refer to

Engine Data Sensors


Object Number: 184703  Size: FS
Engine Controls Components
Information Sensors/Switches Description
EVAP and EGR Controls
Fuel Injectors
OBDII Symbol Description Notice
Handling Electrostatic Discharge Sensitive Parts Notice
Handling Electrostatic Discharge Sensitive Parts Notice
.

Circuit Description

The PCM uses the 5 Volt Reference B circuit as a sensor feed to the Fuel Tank Pressure Sensor. The PCM monitors the voltage on the 5 Volt Reference B circuit. If the voltage is out of tolerance, the PCM will set DTC P1639.

Conditions for Setting the DTC

    •  The PCM detects a voltage out of tolerance condition on the 5 Volt Reference B circuit.
    •  Above condition for longer than 10 seconds.

Action Taken When the DTC Sets

    • The PCM will not illuminate the malfunction indicator lamp (MIL).
    • The PCM will store conditions which were present when the DTC set as Failure Records data only. This information will not be stored as Freeze Frame data.

Conditions for Clearing the MIL/DTC

    • A History DTC will clear after 40 consecutive warm-up cycles have occurred without a malfunction.
    • The DTC can be cleared by using the scan tool Clear Info function.

Diagnostic Aids

Check for the following conditions:

    •  Poor connection at PCM. Inspect harness connectors for backed out terminals, improper mating, broken locks, improperly formed or damaged terminals, and poor terminal to wire connection.
    •  Damaged harness. Inspect the wiring harness for damage. If the harness appears to be OK, observe the A/C pressure display on the scan tool while moving connectors and wiring harnesses related to the A/C refrigerant pressure sensor. A change in the A/C pressure display will indicate the location of the fault.
    •  Inspect PCM and engine grounds for being secure and clean.

Reviewing the Fail Records vehicle mileage since the diagnostic test last failed may help determine how often the condition that caused the DTC to be set occurs. This may assist in diagnosing the condition.

Test Description

Number(s) below refer to the step number(s) on the Diagnostic Table.

  1. This vehicle is equipped with a PCM which utilizes an Electrically Erasable Programmable Read Only Memory (EEPROM). When the PCM is being replaced, the new PCM must be programmed. Refer to Powertrain Control Module Replacement/Programming .

DTC P1639 - 5 Volt Reference B Circuit

Step

Action

Value(s)

Yes

No

1

Was the Powertrain On-Board Diagnostic System Check performed?

--

Go to Step 2

Go to Powertrain On Board Diagnostic (OBD) System Check

2

Visually/physically check the PCM and engine grounds. Ensure that the grounds are clean and secure.

Was a problem found?

--

Go to Step 11

Go to Step 3

3

Select DTC info, Last Test Fail and note any other DTCs set.

Is DTC P0452 or P0453 also set?

--

Go to applicable DTCs

Go to Step 4

4

  1. Turn the ignition OFF.
  2. Disconnect the PCM.
  3. Turn the ignition ON.
  4. Measure voltage between the 5 volt reference B circuit and the PCM ground circuit at the PCM harness connector.

Is voltage greater than the specified value indicated?

5.5V

Go to Step 5

Go to Step 8

5

Monitor DMM connected between the 5 volt reference B circuit and the PCM ground circuit while disconnecting the A/C refrigerant pressure sensor.

Is voltage greater than the specified value still indicated with the A/C refrigerant pressure sensor disconnected?

5.5V

Go to Step 6

Go to Step 7

6

  1. Turn the ignition OFF.
  2. Disconnect the PCM.
  3. Turn the ignition ON.
  4. Check the 5 volt reference B circuit for a short to voltage.
  5. If a problem is found, repair as necessary. Refer to Wiring Repairs in Wiring Systems.

Was a problem found?

--

Go to Step 11

Go to Step 10

7

Locate and repair short to voltage in A/C refrigerant pressure sensor signal circuit wiring. Refer to Wiring Repairs in Wiring Systems.

Is the action complete?

--

Go to Step 11

--

8

Is voltage less than the specified value indicated?

4.5V

Go to Step 9

Go to Step 10

9

  1. Turn the ignition OFF.
  2. Disconnect the PCM.
  3. Check the 5 volt reference B circuit for a short to ground.
  4. If a problem is found, repair as necessary. Refer to Wiring Repairs in Wiring Systems.

Was a problem found?

--

Go to Step 11

Go to Step 10

10

Important: :  The replacement PCM must be programmed Refer to Powertrain Control Module Replacement/Programming .

Replace the PCM.

Is the action complete?

--

Go to Step 11

--

11

  1. Review and record scan tool Fail Records data.
  2. Clear DTCs.
  3. Operate vehicle within Fail Records conditions as noted.
  4. Using a scan tool, monitor Specific DTC info for DTC P1639 until the DTC P1639 test runs.

Observe the test result does scan tool indicate DTC P1639 failed this ignition?

--

Go to Step 2

System OK