GM Service Manual Online
For 1990-2009 cars only
Figure 1:

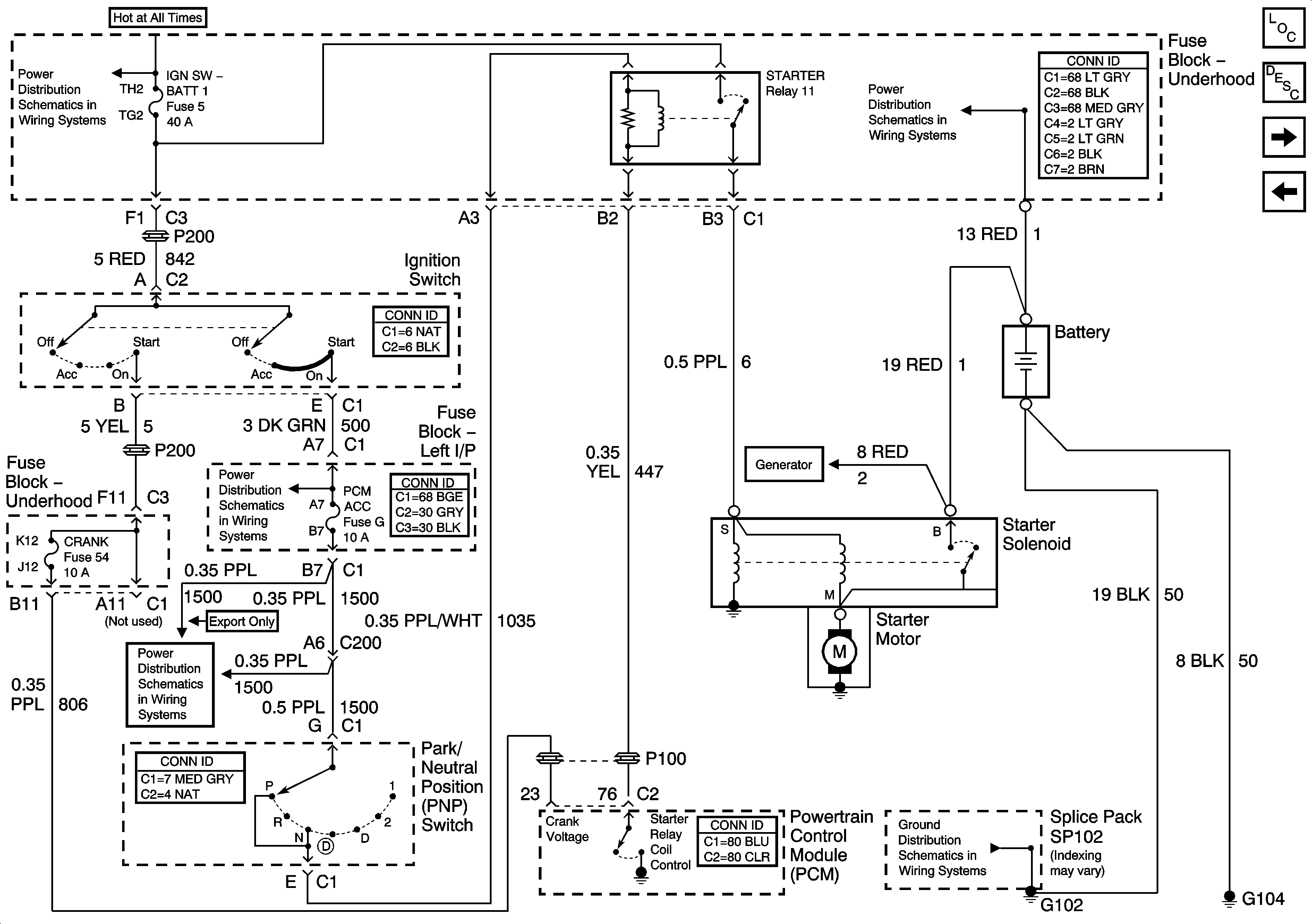
Starting System - L61


Object Number: 783722  Size: FS
Master Electrical Component List
Starting System Description and Operation
Starting System - LA1 - w/ PCM Controlled Start
IGN SW-BATT1, HTR-A/C, ERLS, CRANK, PCM ACC, IPC/BFC/ACC Fuses
B+ Bus Bar
Charging System
G102 and G104
Figure 2:

Starting System - LA1 - w/PCM Controlled Start


Object Number: 794919  Size: FS
Master Electrical Component List
Starting System Description and Operation
Charging System
Starting System - L61
IGN SW-BATT1, HTR-A/C, ERLS, CRANK, PCM ACC, IPC/BFC/ACC Fuses
B+ Bus Bar
Charging System
G102 and G104
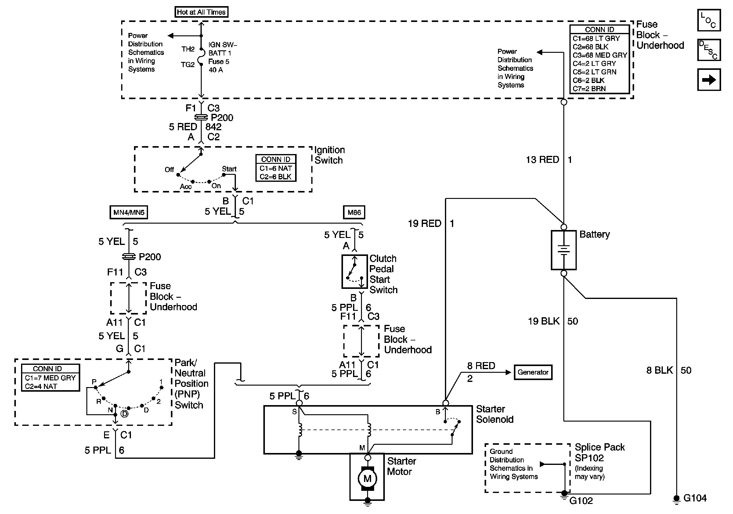
Figure 3:

Starting System -- LA1 -- w/o PCM Controlled Start


Object Number: 835858  Size: FS
Master Electrical Component List
Starting System Description and Operation
Charging System
Starting System - LA1 - w/ PCM Controlled Start
IGN SW-BATT2, WIPER, AIR BAG, TURN LPS, IGN MOD, B/U LP/BTSI, PCM IGN, F/P INJR, A/C BFC, AUTO TRANS, ABS/EVO/IGN Fuses
B+ Bus Bar
Charging System
G102 and G104
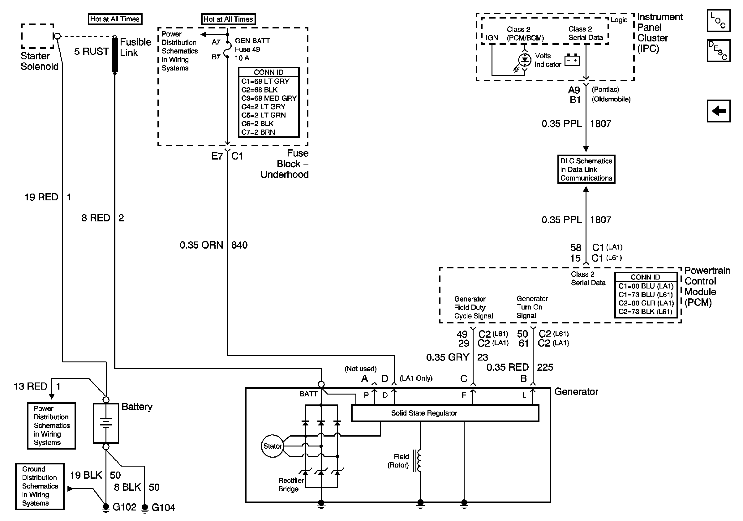
Figure 4:

Charging System


Object Number: 783734  Size: FS
Master Electrical Component List
Charging System Description and Operation
Starting System - LA1 - w/ PCM Controlled Start
RH HDLP, LH HDLP, GEN BATT, LH BEC BATT2, STOP LPS, HAZARD LPS, IPC/HVAC BATT, BFC BATT Fuses
B+ Bus Bar
G102 and G104
Data Link Connector (DLC) Schematics