GM Service Manual Online
For 1990-2009 cars only
Makes
🢒
Oldsmobile
🢒
2002
🢒
Alero
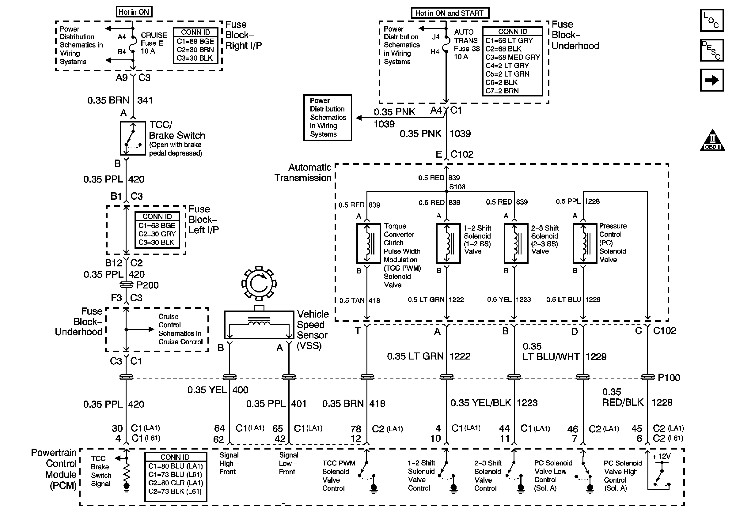
🢒 Transmission Solenoids, VSS, and TCC Brake Switch Signal
Transmission Solenoids, VSS, and TCC Brake Switch Signal
Transmission Soleniods, VSS, and TCC Brake Switch Signal
Master Electrical Component List
Transmission Switches, TFT and A/T ISS Sensor
OBD II Symbol Description Notice
PWR WNDW, Circuit Breaker, CRUISE SW, CRUISE, SUNROOF, HVAC BLOWER Fuses
IGN SW-BATT2, WIPER, AIR BAG, TURN LPS, IGN MOD, B/U LP/BTSI, PCM IGN, F/P INJR, A/C BFC, AUTO TRANS, ABS/EVO/IGN Fuses
IGN SW-BATT2, WIPER, AIR BAG, TURN LPS, IGN MOD, B/U LP/BTSI, PCM IGN, F/P INJR, A/C BFC, AUTO TRANS, ABS/EVO/IGN Fuses
Power and Ground