GM Service Manual Online
For 1990-2009 cars only
Makes
🢒
Oldsmobile
🢒
2002
🢒
Alero
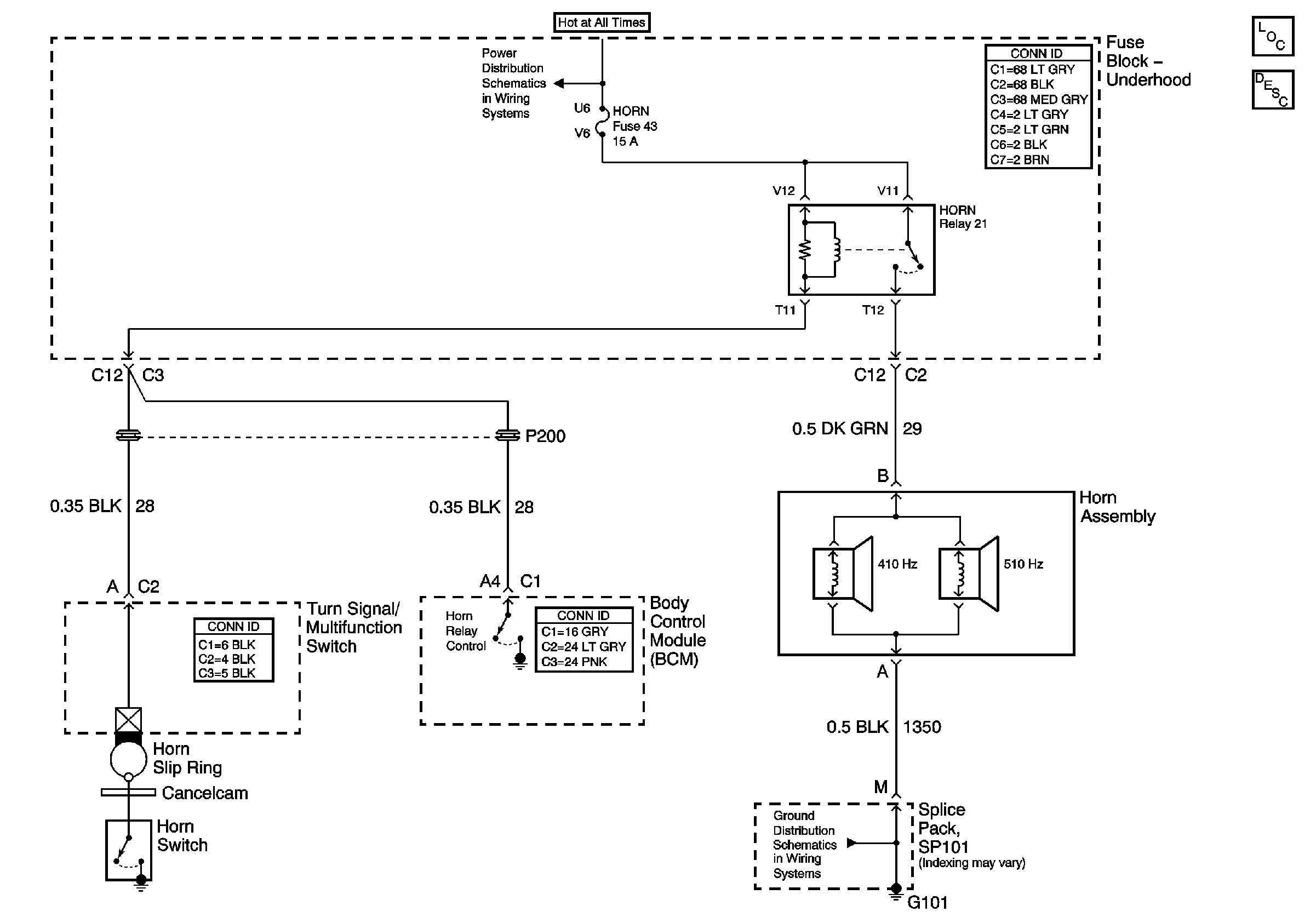
🢒 Horns
Horns
Master Electrical Component List
Horns System Description and Operation
B+ Bus Bar
G101