GM Service Manual Online
For 1990-2009 cars only
Makes
🢒
Oldsmobile
🢒
2003
🢒
Alero
🢒
Body and Accessories
🢒
Wiring Systems
🢒 Fog Lights Schematics
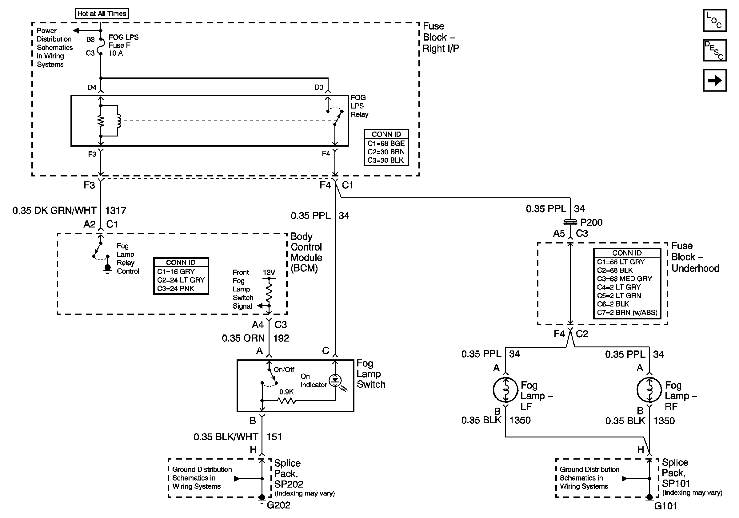
Figure
1:
Front Fog Lamps
Master Electrical Component List
Exterior Lighting Systems Description and Operation
Rear Fog Lamps - Export Only
RH BEC BATT, ABS, COOL FAN GROUND, INT LPS, RADIO BATT, FOG LPS Fuses
G202
G101
Figure
2:
Rear Fog Lamps - Export Only
Master Electrical Component List
Exterior Lighting Systems Description and Operation
Front Fog Lamps
RH BEC BATT, ABS, COOL FAN GROUND, INT LPS, RADIO BATT, FOG LPS Fuses
G202
G401
G402