GM Service Manual Online
For 1990-2009 cars only
Makes
🢒
Oldsmobile
🢒
2003
🢒
Alero
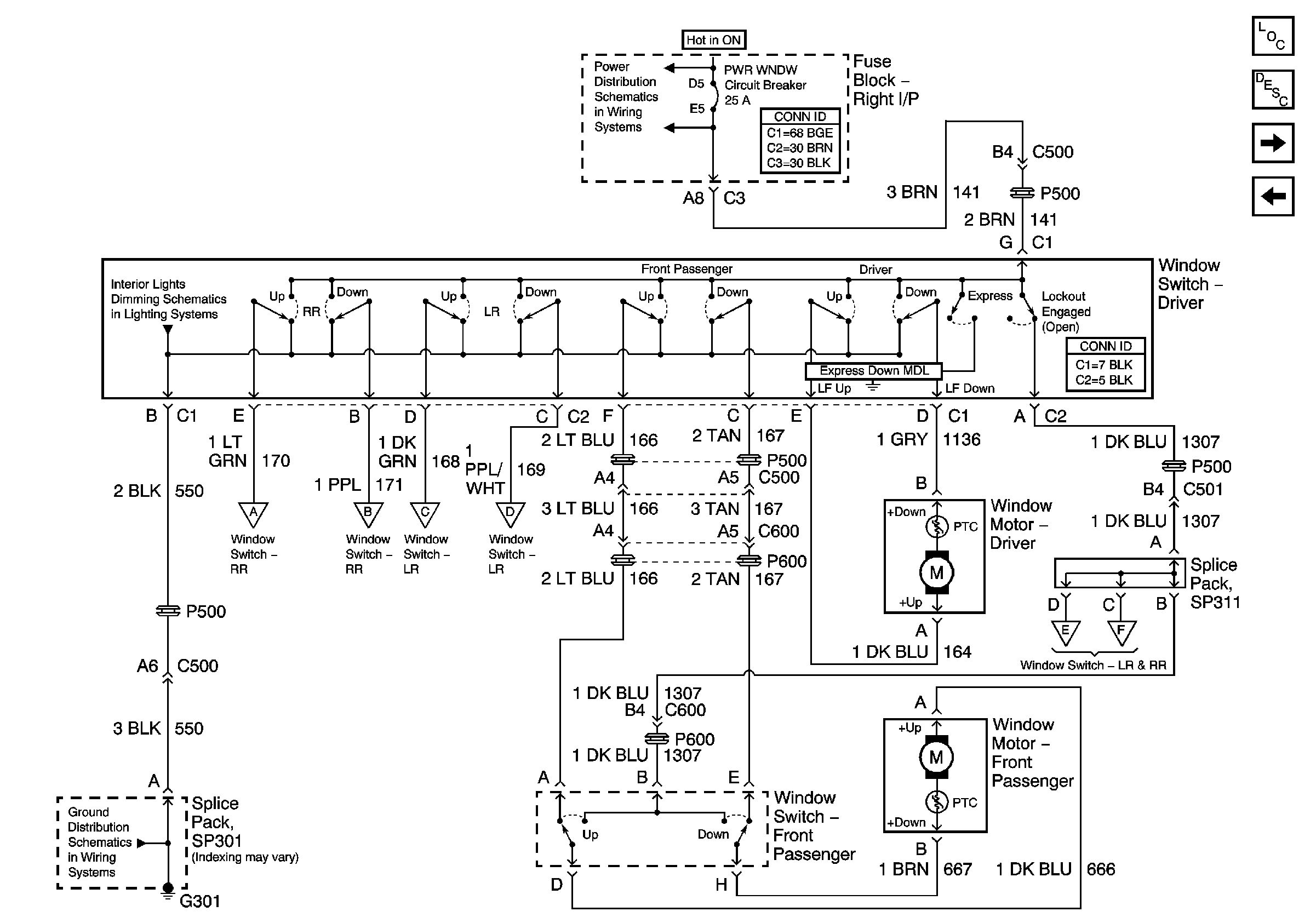
🢒 Front Windows - Sedan
Front Windows - Sedan
Front Windows - Sedan
Master Electrical Component List
Power Windows Description and Operation
Rear Windows - Sedan
Coupe
PWR WNDW, Circuit Breaker, CRUISE SW, CRUISE, SUNROOF, HVAC BLOWER Fuses
Door Switches - Pontiac
Rear Windows - Sedan
Rear Windows - Sedan
Rear Windows - Sedan
Rear Windows - Sedan
Rear Windows - Sedan
G301