GM Service Manual Online
For 1990-2009 cars only
Makes
🢒
Oldsmobile
🢒
2003
🢒
Alero
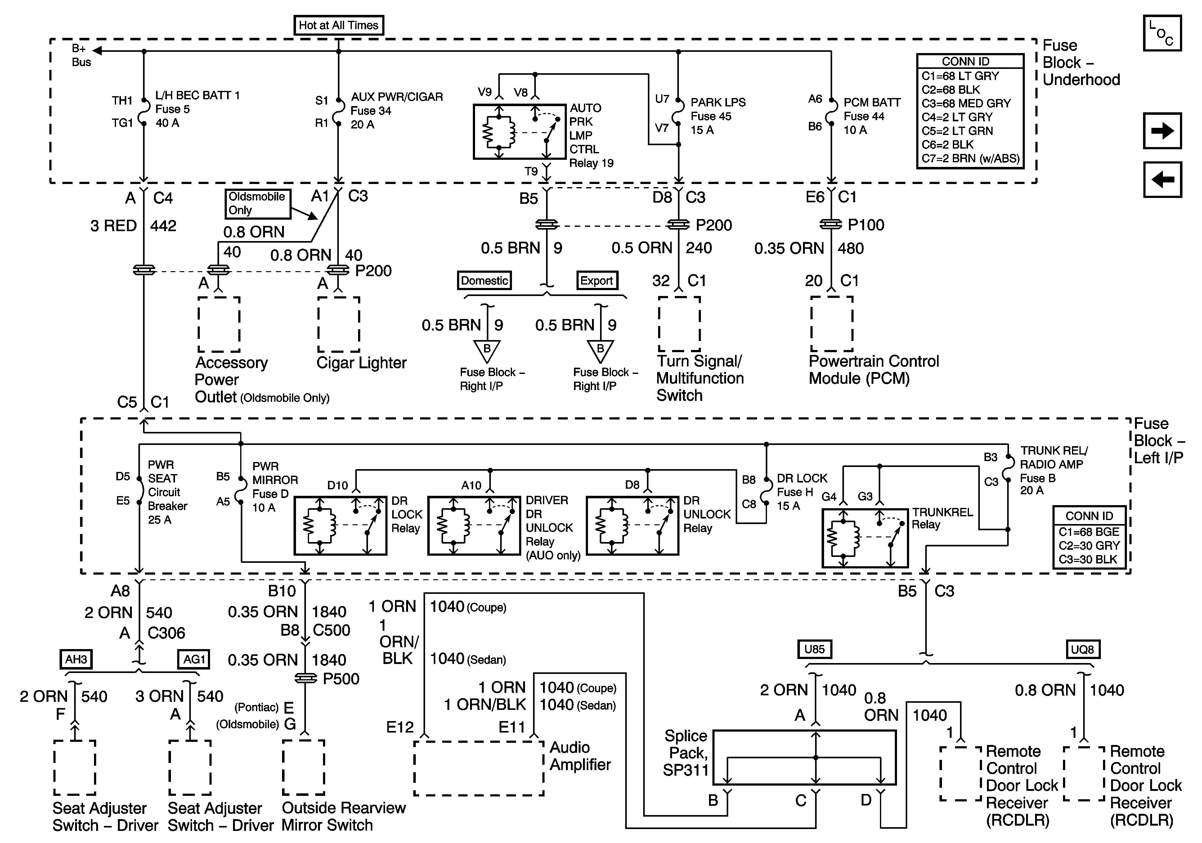
🢒 L/H BEC BATT1, AUX PWR/CIGAR, PARK LPS, PCM BATT, PWR MIRROR, DR LOCK, TRUNK REL/Radio Amp Fuses, and RWR SEAT Circuit Breaker
L/H BEC BATT1, AUX PWR/CIGAR, PARK LPS, PCM BATT, PWR MIRROR, DR LOCK, TRUNK REL/Radio Amp Fuses, and RWR SEAT Circuit Breaker
L/H BEC BATT1, AUX PWR/CIGAR, PARK LPS, PCM BATT, PWR MIRROR, DR LOCK, TRUNK REL/RFA/Radio Amp Fuses, and RWR SEAT Circuit Breaker
Master Electrical Component List
INST LPS Fuse
PWR WNDW, Circuit Breaker, CRUISE SW, CRUISE, SUNROOF, HVAC BLOWER Fuses
B+ Bus Bar
INST LPS Fuse