GM Service Manual Online
For 1990-2009 cars only
Makes
🢒
Oldsmobile
🢒
2003
🢒
Alero
🢒 Backup Lamps
Backup Lamps
Backup Lamps
Master Electrical Component List
Exterior Lighting Systems Description and Operation
Backup Lamps - Switch
Backup Lamps - Switch
Backup Lamps - Switch
Backup Lamps - Switch
Backup Lamps - Switch
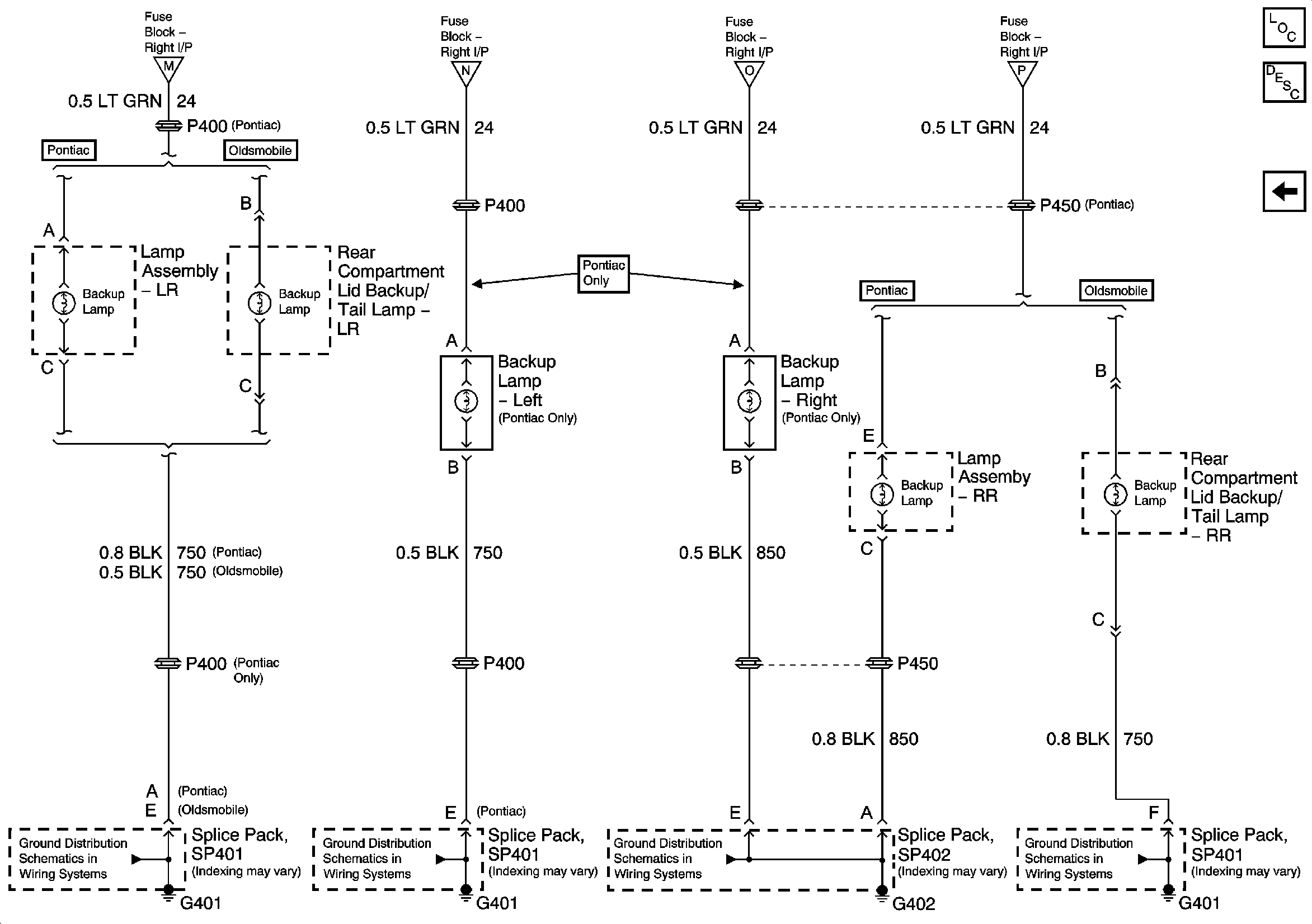
G401
G401
G402
G401