GM Service Manual Online
For 1990-2009 cars only
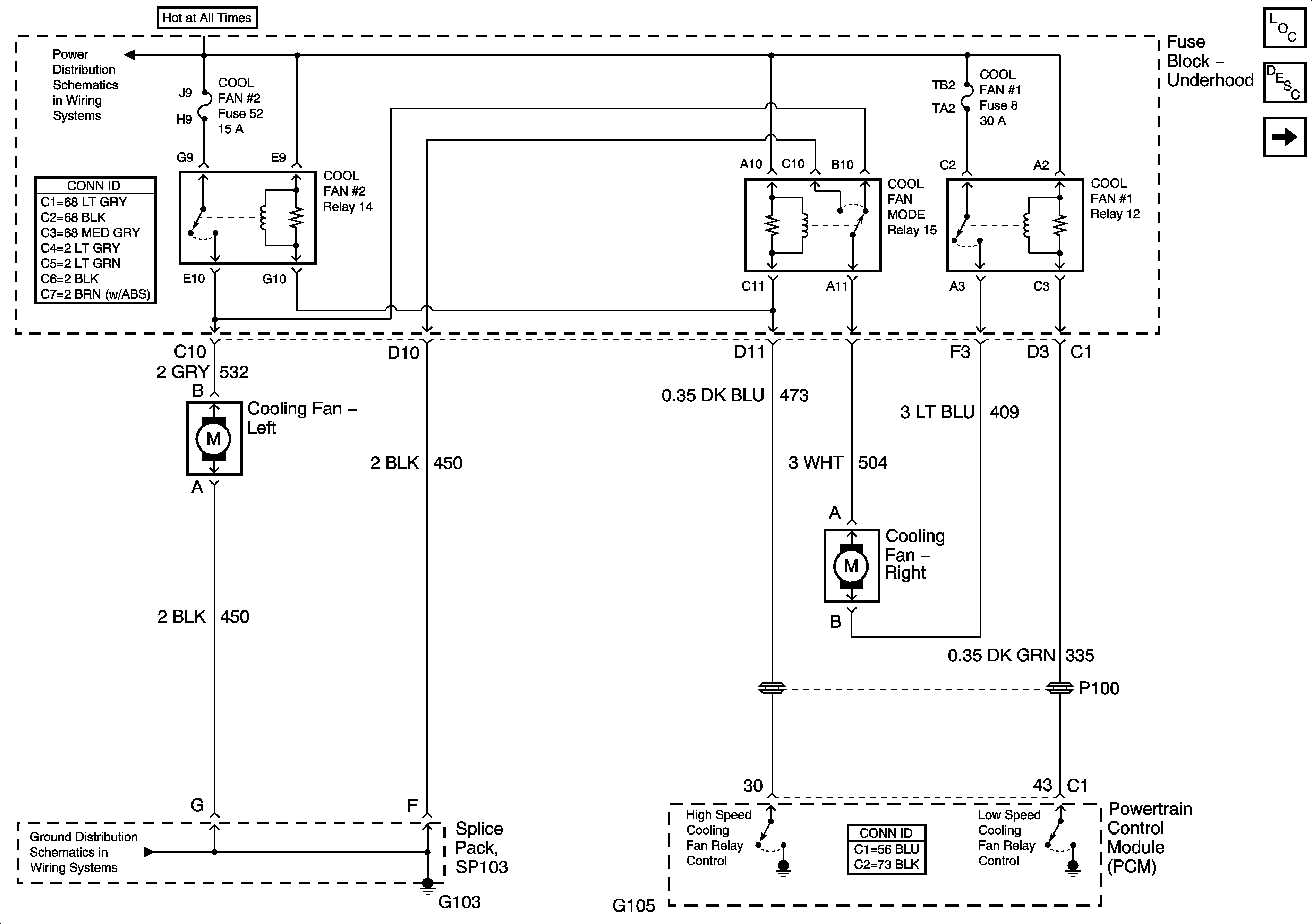
Figure 1:

Cooling Fans -- L61


Object Number: 1243297  Size: FS
Master Electrical Component List
Cooling System Description and Operation
Cooling Fans
B+ Bus Bar
G103 and G105
Figure 2:

Cooling Fans -- LA1


Object Number: 1243298  Size: FS
Master Electrical Component List
Cooling System Description and Operation
Coolant Indicators
Cooling Fans - L61
B+ Bus Bar
G103 and G105
Figure 3:

Coolant Indicators


Object Number: 786574  Size: FS
Master Electrical Component List
Cooling System Description and Operation
Cooling Fans
Data Link Connector (DLC) Schematics
G101