GM Service Manual Online
For 1990-2009 cars only
Makes
🢒
Oldsmobile
🢒
2004
🢒
Alero
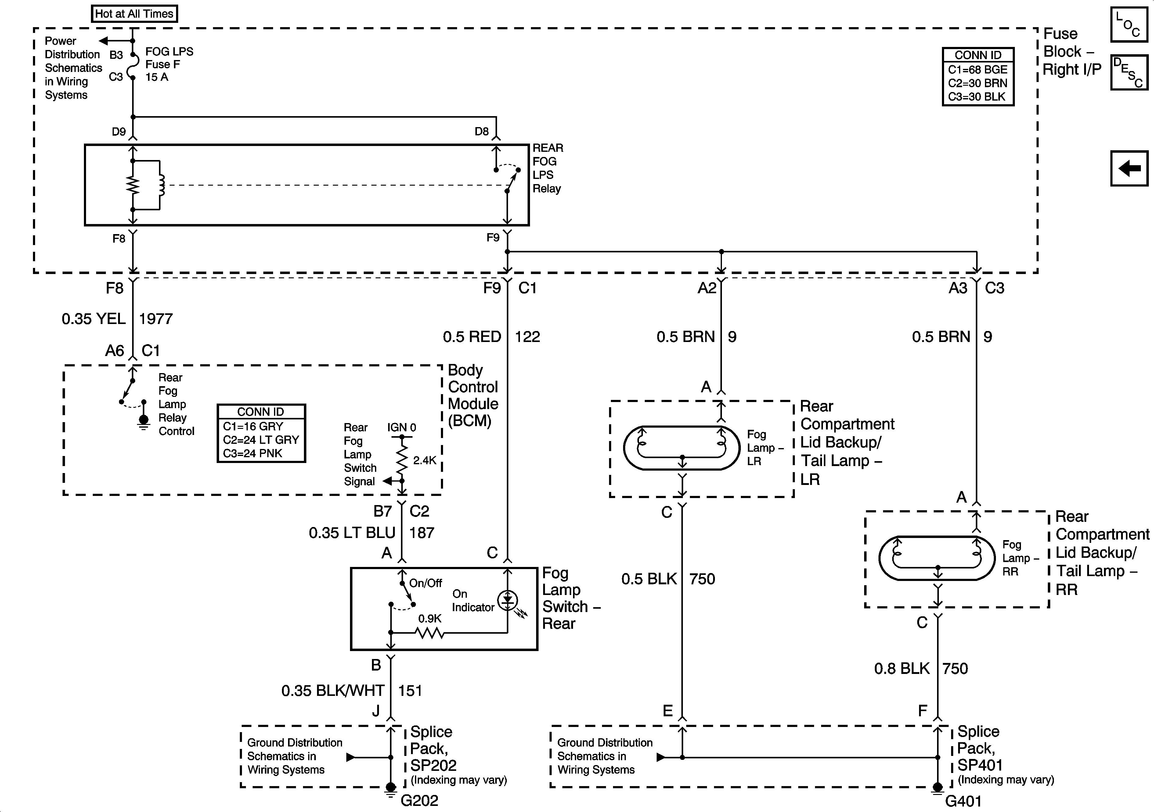
🢒 Rear Fog Lamps - Export Only
Rear Fog Lamps - Export Only
Rear Fog Lamps - Export Only
Master Electrical Component List
Exterior Lighting Systems Description and Operation
Front Fog Lamps
R/H BEC BATT, ABS, COOL FAN #2 GROUND (V6), INT LPS, RADIO BATT, FOG LPS Fuses
G202
G401