GM Service Manual Online
For 1990-2009 cars only
Makes
🢒
Oldsmobile
🢒
1998
🢒
Aurora
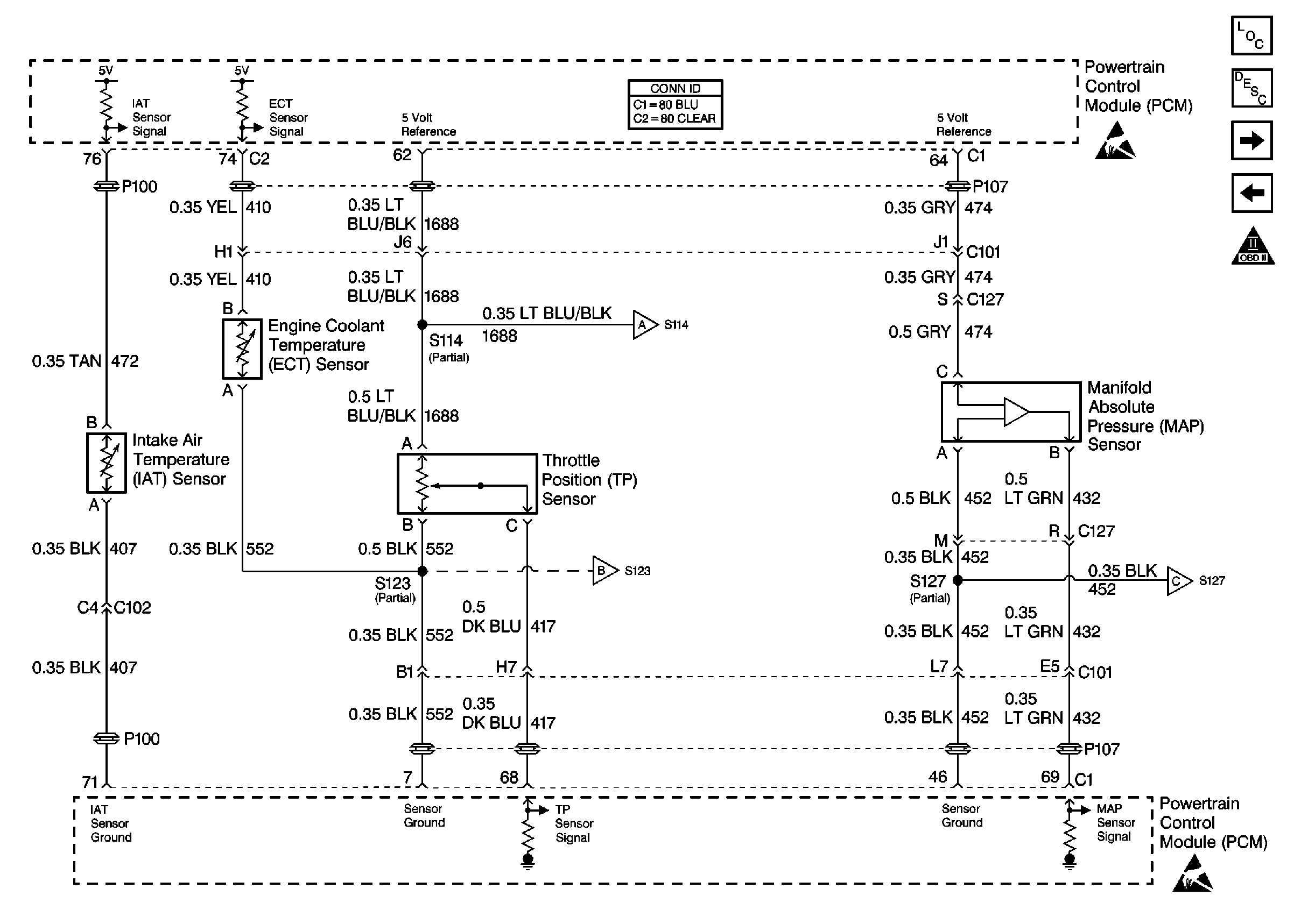
🢒 Cell 21: IAT, ECT, TP, MAP Sensors
Cell 21: IAT, ECT, TP, MAP Sensors
Cell 21: IAT, ECT, TP, MAP Sensors
Engine Controls Components
Powertrain Control Module Description
Cell 21: MAF, EGR, EVAP Purge, F/T Pressure Sensor
Cell 21: Fuel Injectors
OBDII Symbol Description Notice
Handling ESD Sensitive Parts Notice
Cell 21: MAF, EGR, EVAP Purge, F/T Pressure Sensor
Cell 21: MAF, EGR, EVAP Purge, F/T Pressure Sensor
Cell 21: MAF, EGR, EVAP Purge, F/T Pressure Sensor
Powertrain Control Module Connector End Views
Handling ESD Sensitive Parts Notice